GM Service Manual Online
For 1990-2009 cars only
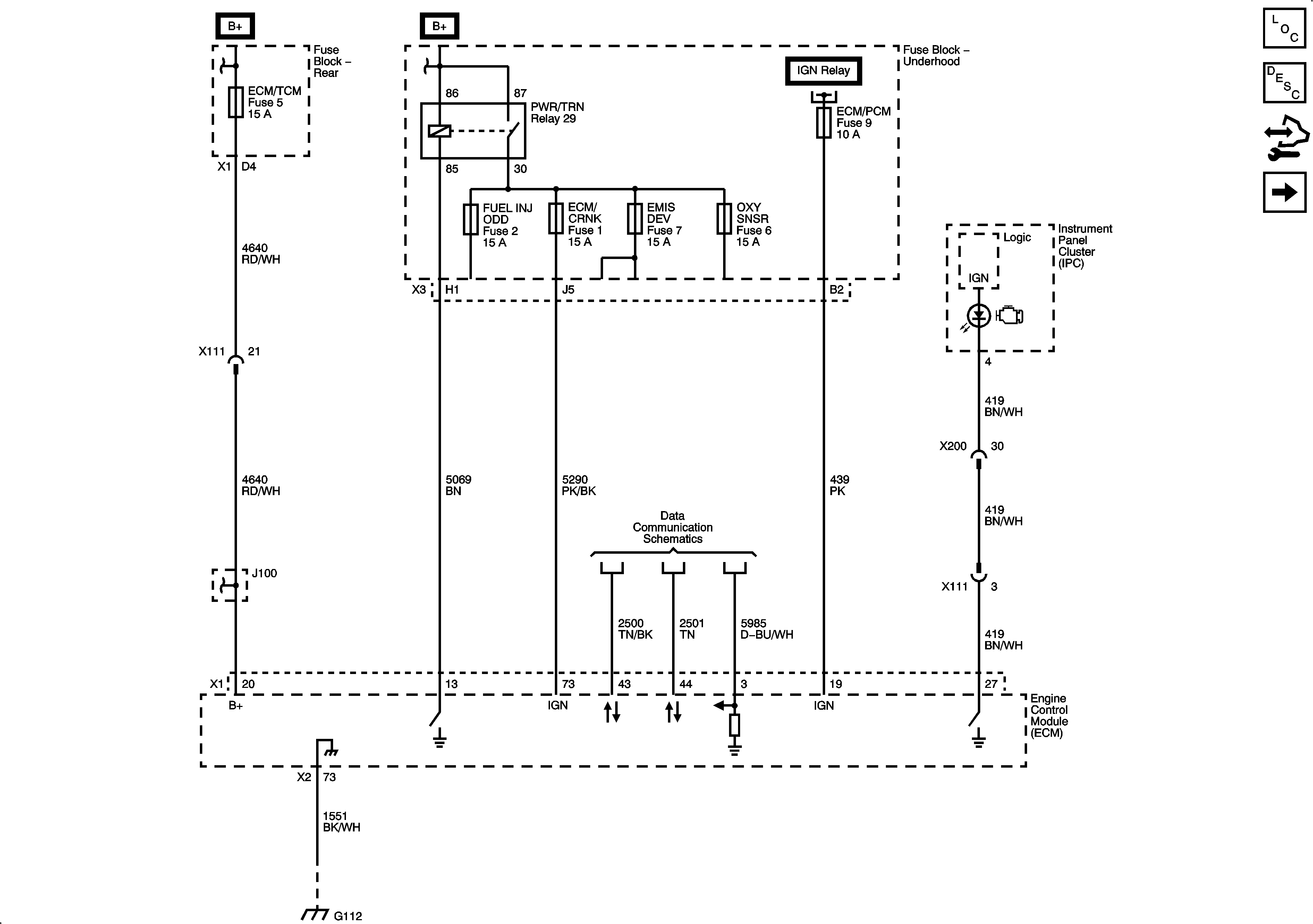
Figure 1:

Module Power, Ground, Serial Data, and MIL


Object Number: 2081300  Size: FS
Figure 2:

5-Volt and Low Reference


Object Number: 2081303  Size: FS
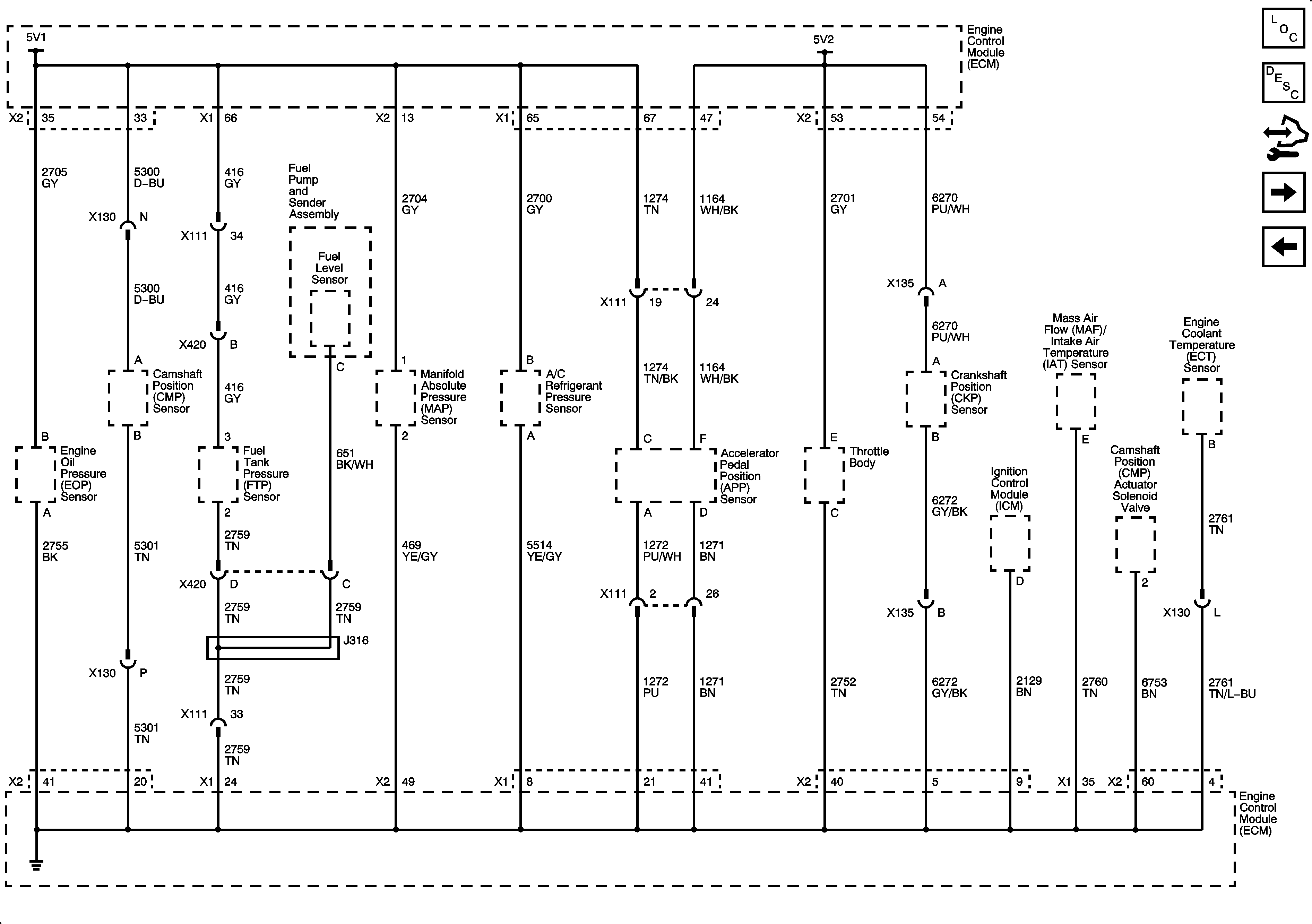
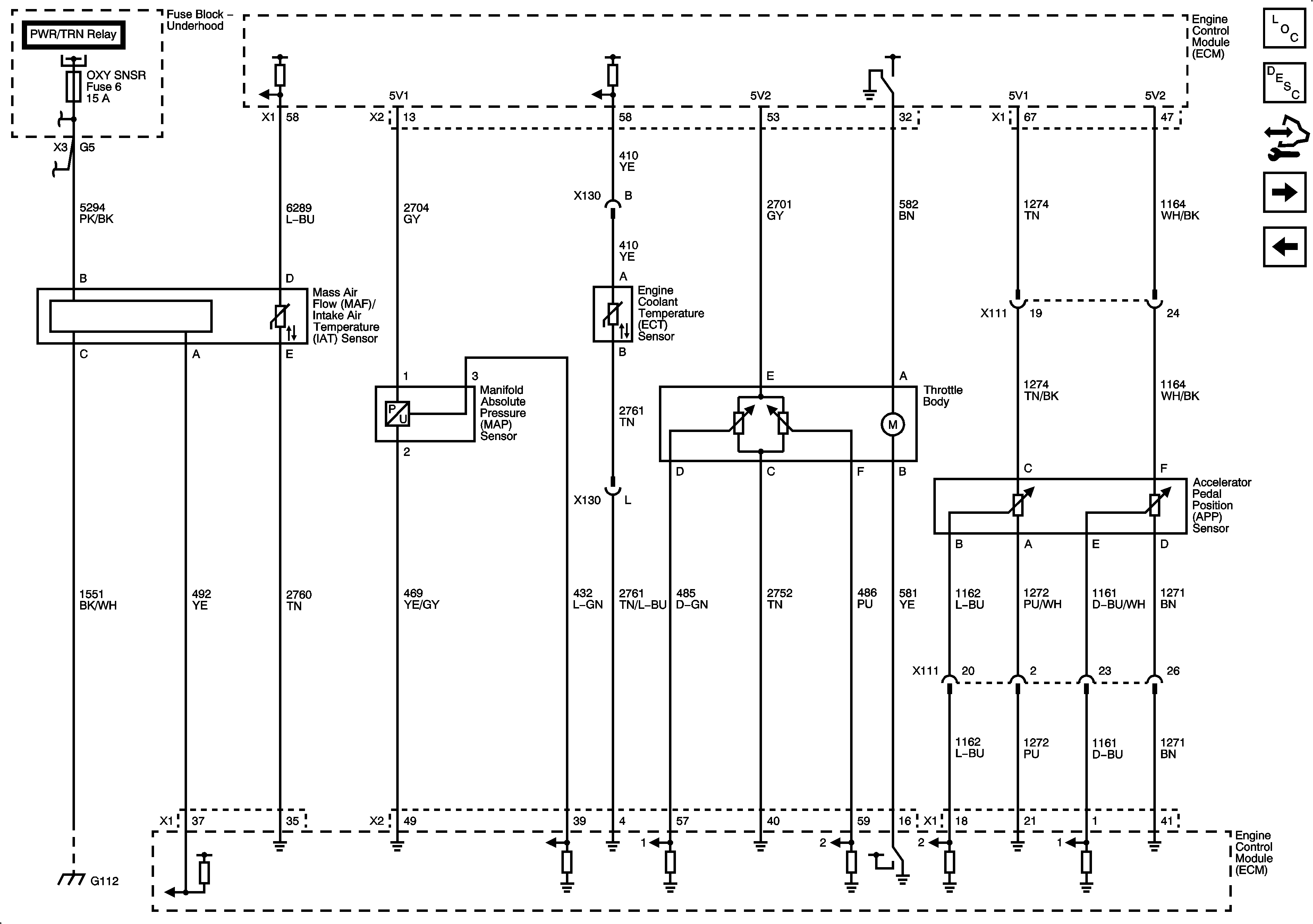
Figure 3:

Engine Data Sensors - Pressure, Temperature, and Throttle Controls


Object Number: 2081305  Size: FS
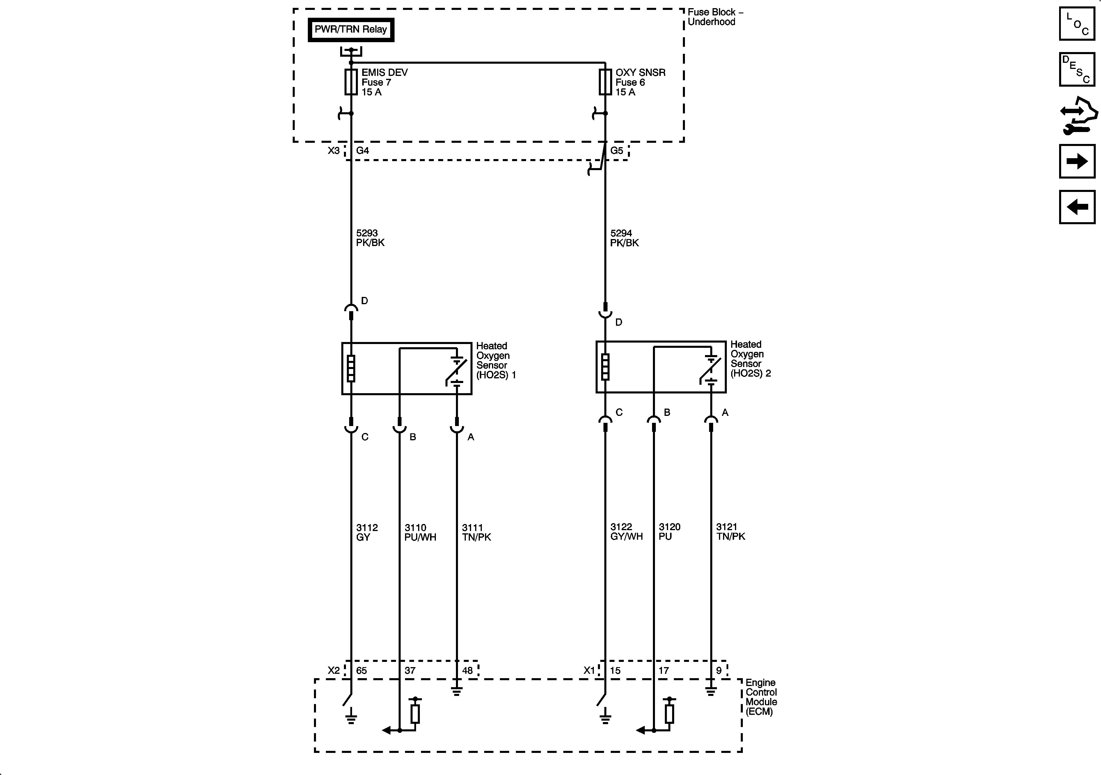
Figure 4:

Engine Data Sensors - Heated Oxygen Sensors


Object Number: 2081309  Size: FS
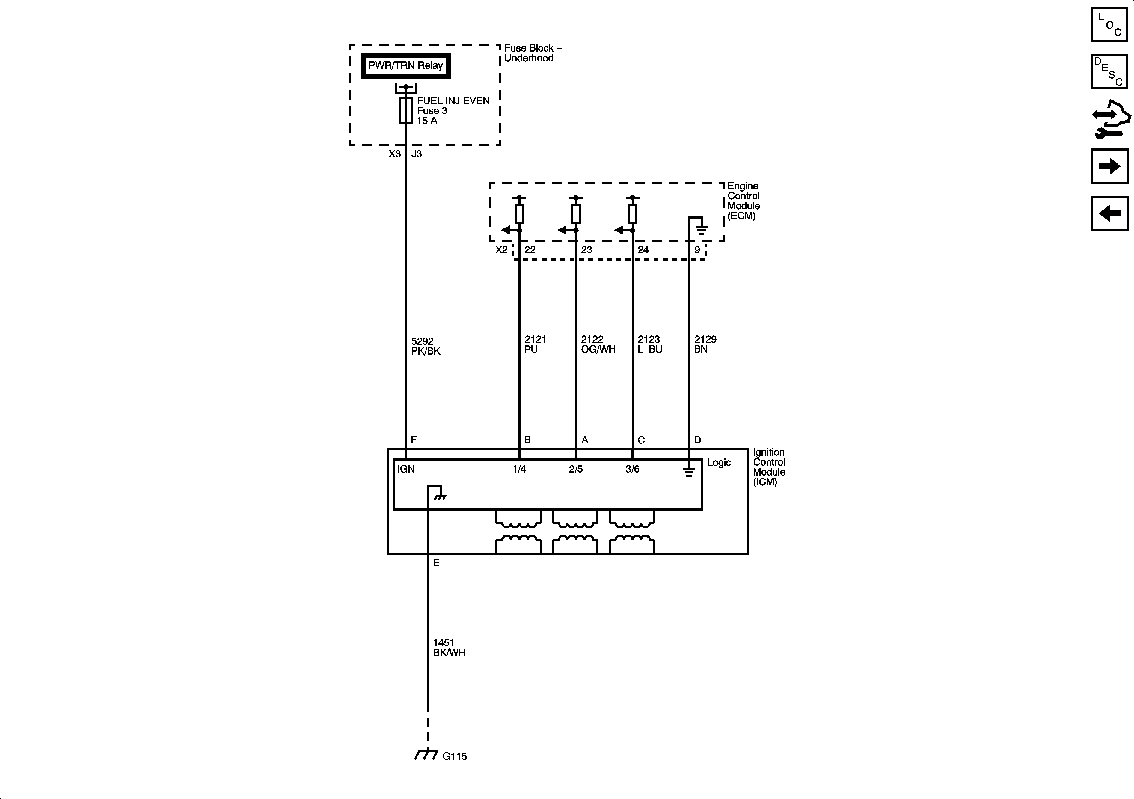
Figure 5:

Ignition Controls - Ignition System


Object Number: 2081311  Size: FS
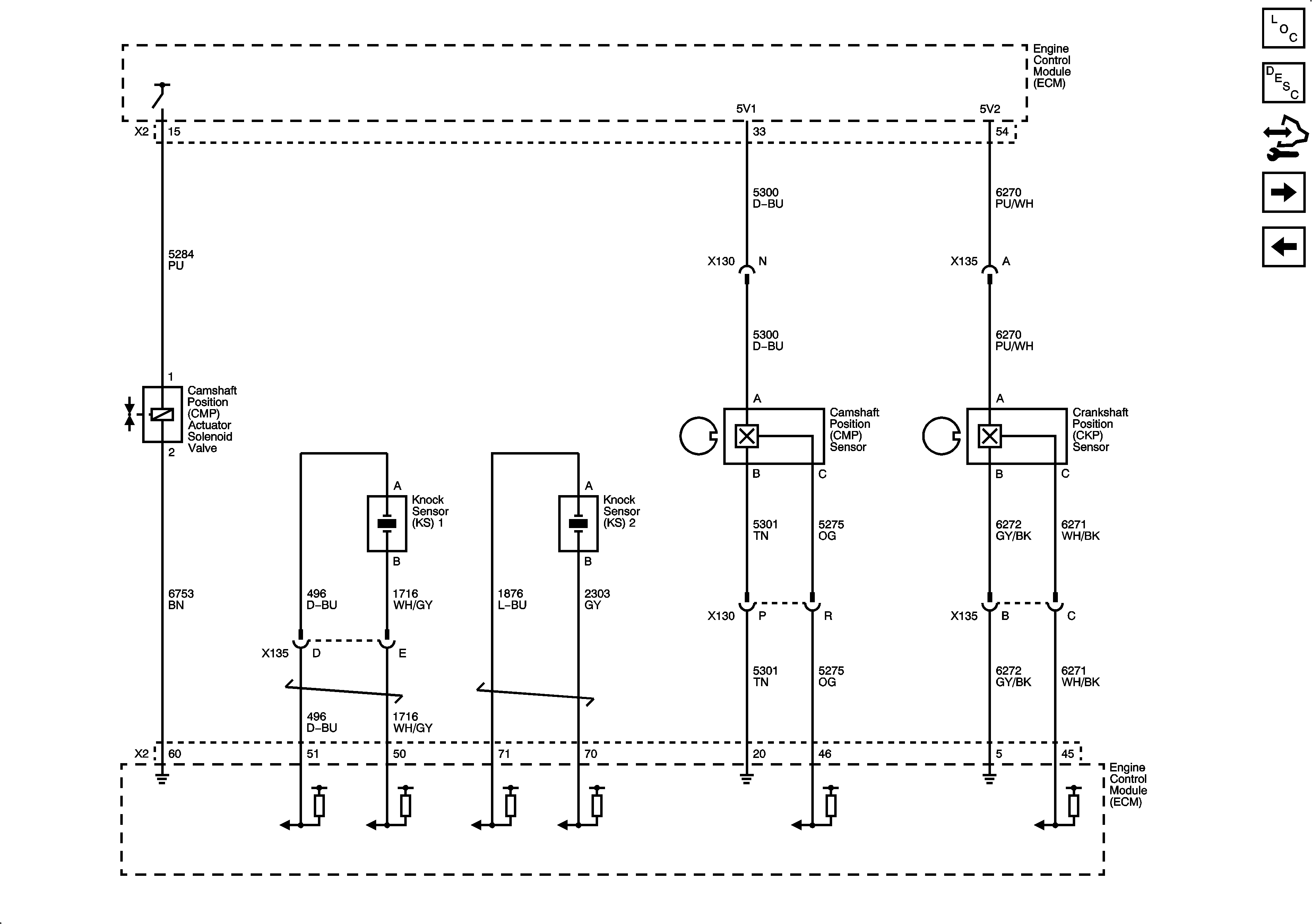
Figure 6:

Ignition Controls - Sensors/Actuators


Object Number: 2081316  Size: FS
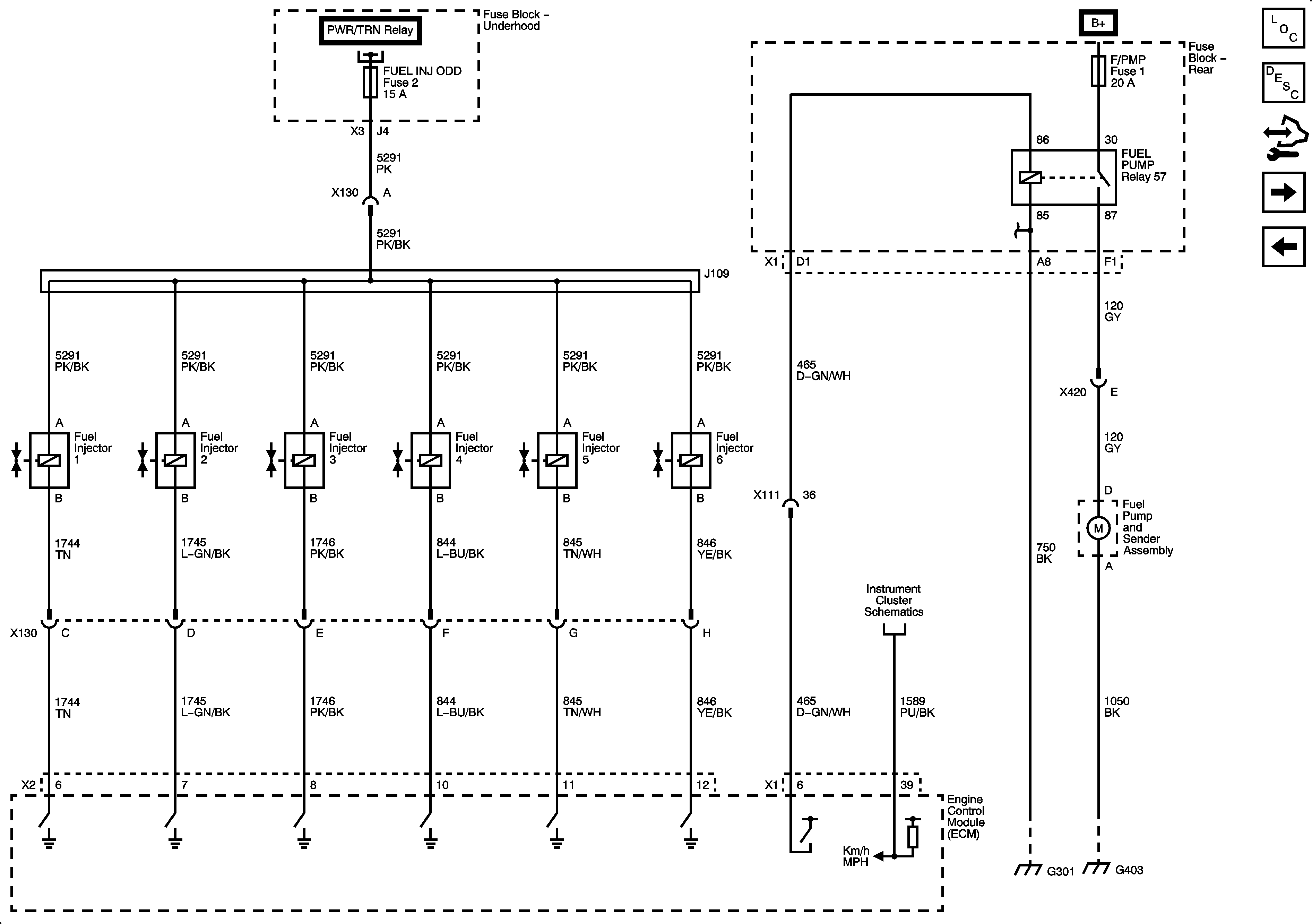
Figure 7:

Fuel Controls - Fuel Injectors and Fuel Pump Controls


Object Number: 2081319  Size: FS
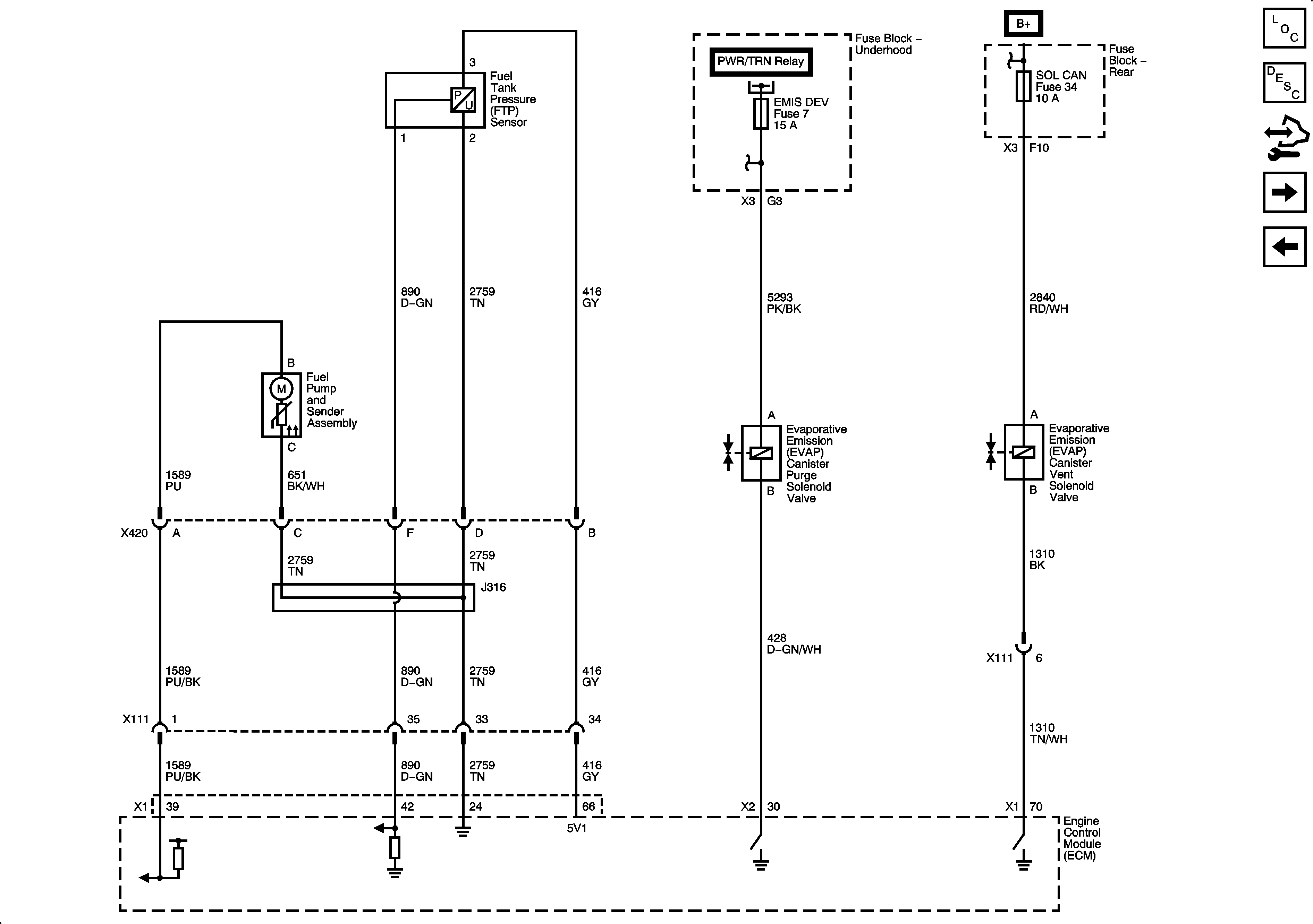
Figure 8:

Fuel Controls - EVAP Controls


Object Number: 2081321  Size: FS
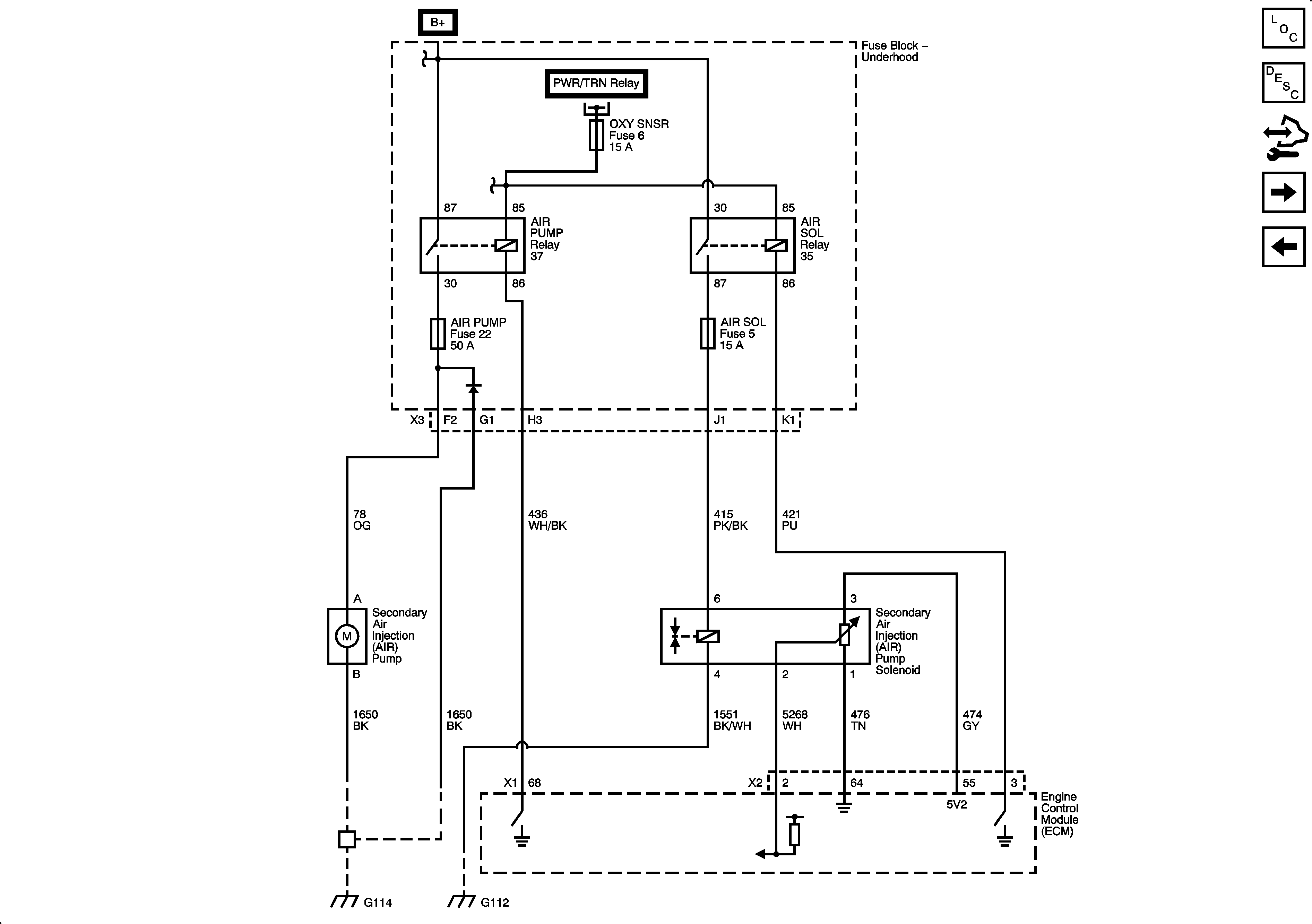
Figure 9:

EGR, Secondary Air Injection (AIR)


Object Number: 2081324  Size: FS
Figure 10:

Monitored/Controlled Subsystem References


Object Number: 2081324  Size: FS