GM Service Manual Online
For 1990-2009 cars only
Figure 1:

Underhood Fuse Block B+


Object Number: 2081976  Size: FS
Figure 2:

Rear Fuse Block B+


Object Number: 2081980  Size: FS
Figure 3:

HORN, WSH, HIGH/BEAM, LO/BEAM Relays, HORN, ABS 1, ABS 2, WSW/PUMP, WSW HTD, HI BEAM, LT LO BEAM, RT LO BEAM Fuses


Object Number: 2081982  Size: FS
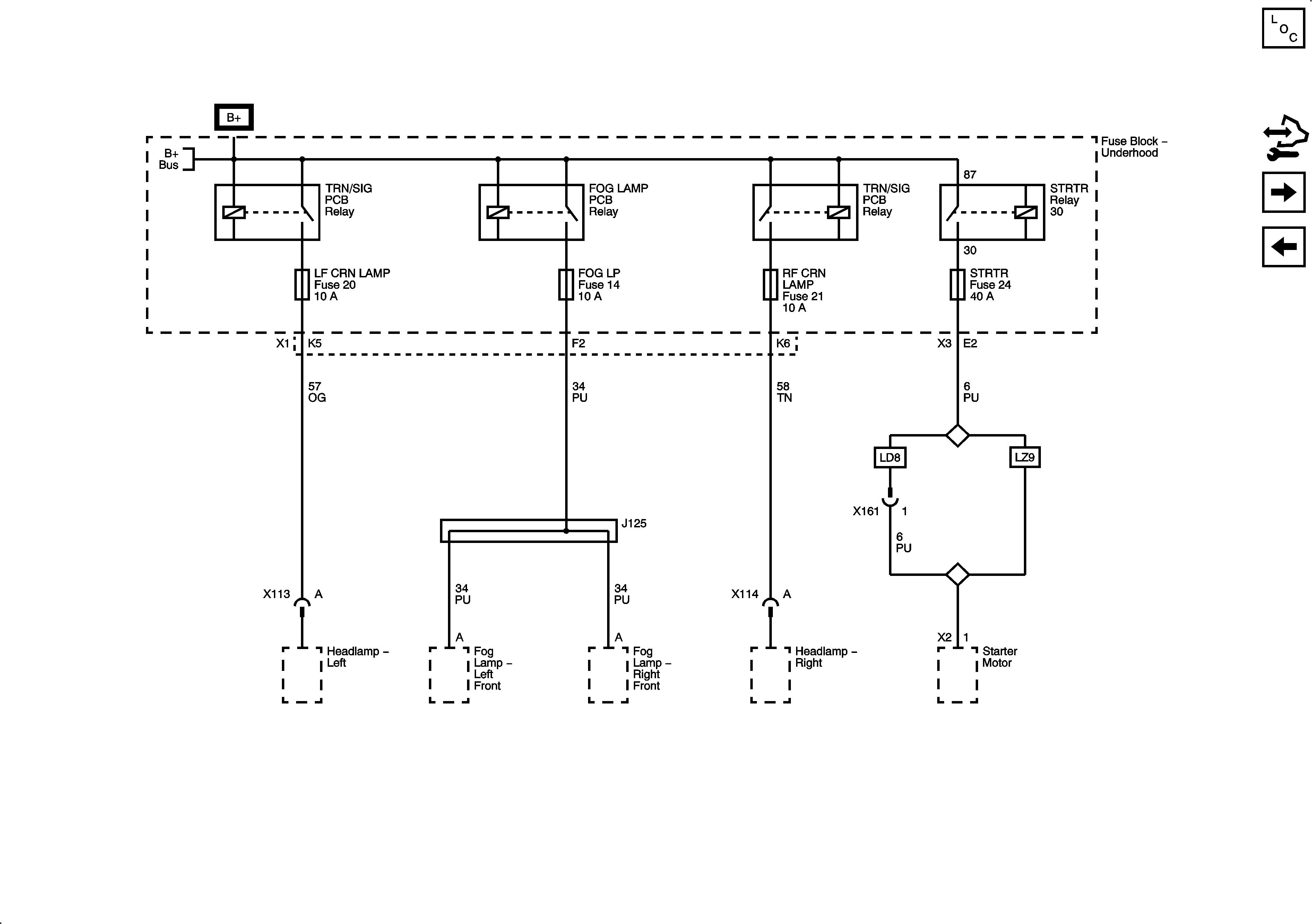
Figure 4:

TRN/SIG, FOG LAMP, TRN/SIG Relays, LT CRN LAMP, FOG, RT CRN LAMP Fuses


Object Number: 2081984  Size: FS
Figure 5:

RUN/CRANK Relay, TRANS IGN 3, AIRBAG IGN 3, HVAC/IP, ECM IGN Fuses


Object Number: 2081986  Size: FS
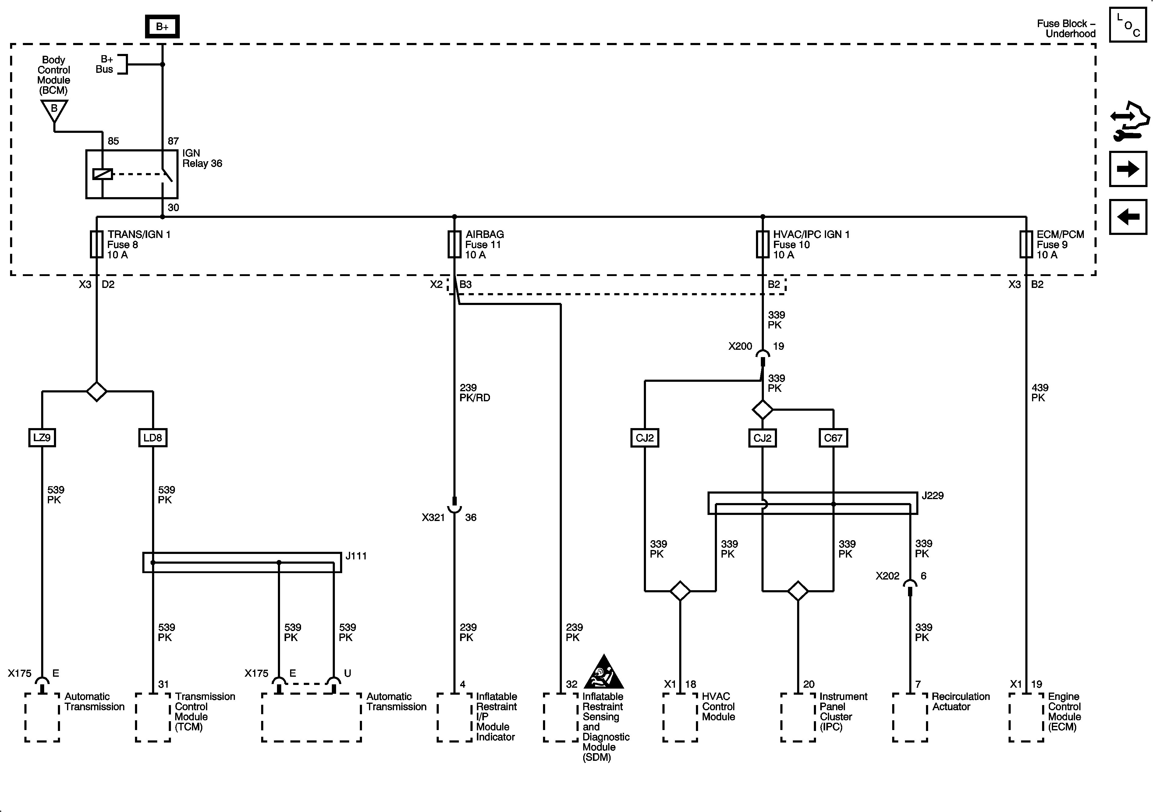
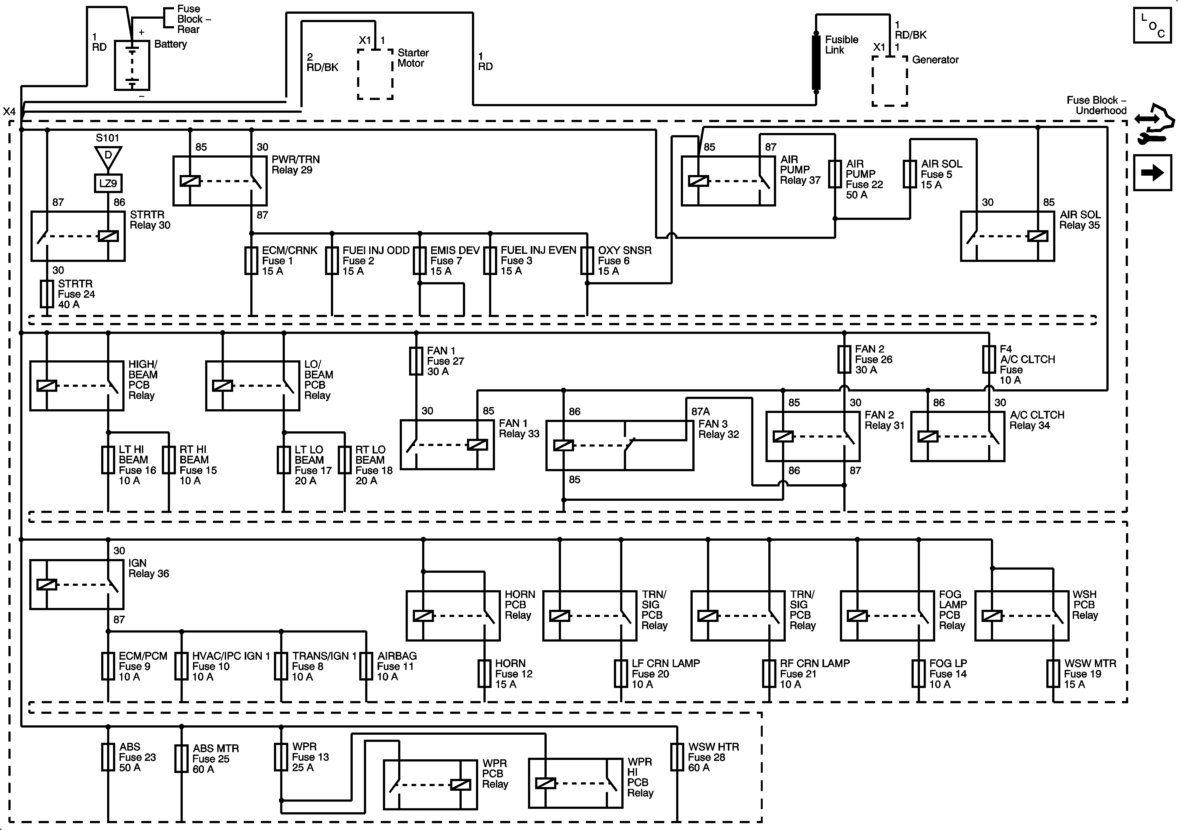
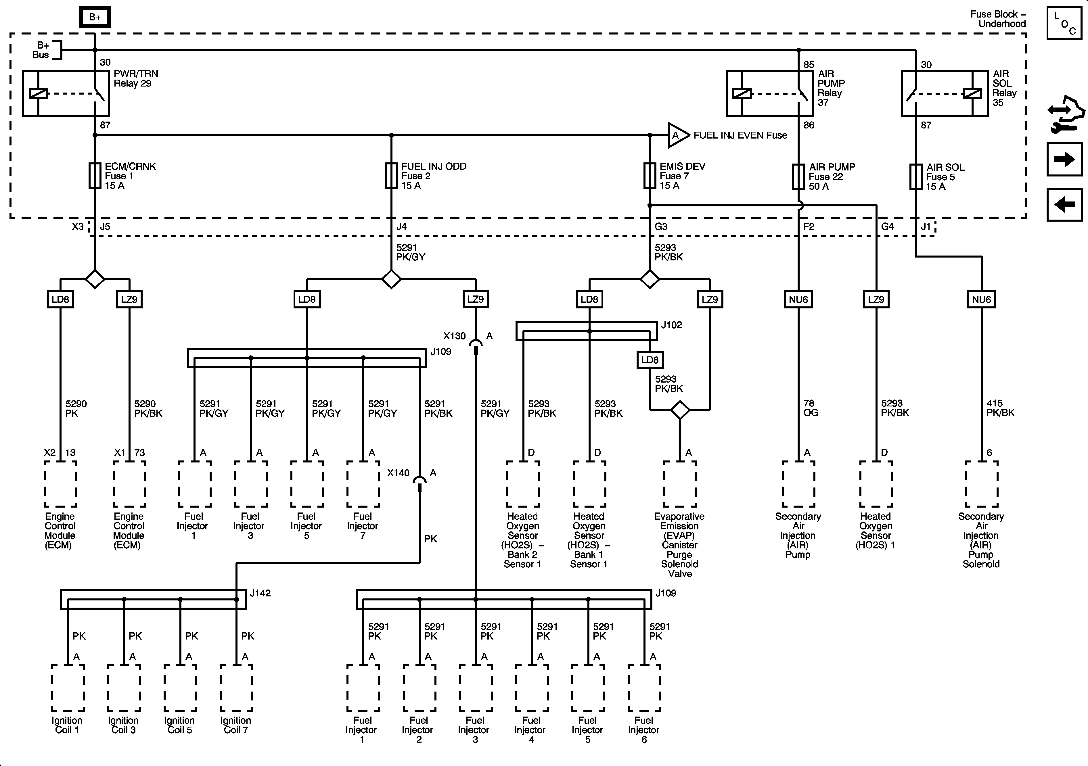
Figure 6:

PWR/TRAIN, AIR PUMP, AIR/SOL Relays, ECM/CRNK, INJ/COIL, PWR TRN, AIR PUMP, AIR/SOL Fuses


Object Number: 2081989  Size: FS
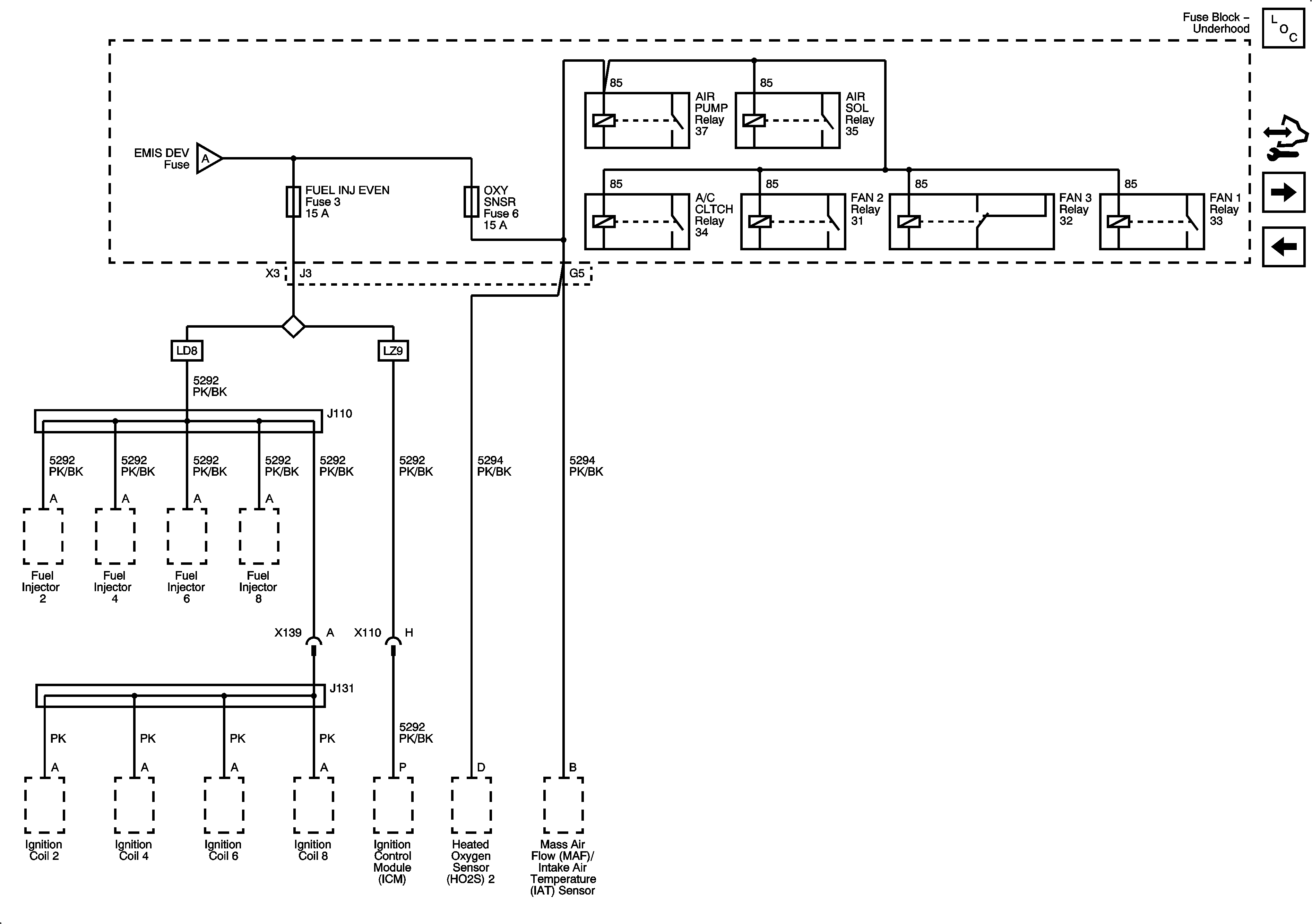
Figure 7:

AIR PUMP, AIR/SOL, A/C, COOL/FAN 2, COOL/FAN, COOL/FAN 1 Relays, INJ/COIL, OXY PST Fuses


Object Number: 2081994  Size: FS
Figure 8:

LT TRN/SIG, RR TRN/SIG, CHMSL/BCK-UP, INT LAMPS, SWTCH DM, HVAC BLWR Fuses, DR MDL/PWR WNDW Circuit Breaker


Object Number: 2082001  Size: FS
Figure 9:

PRK LAMP, DRL Relays, IP HARN MDL, LT PRK LAMP, RT PRK LAMP, DRL Fuses


Object Number: 2082011  Size: FS
Figure 10:

AIR BAG, OBJ SNSR, ONSTAR/S-BAND, BODY HARN MDL Fuses


Object Number: 2082016  Size: FS
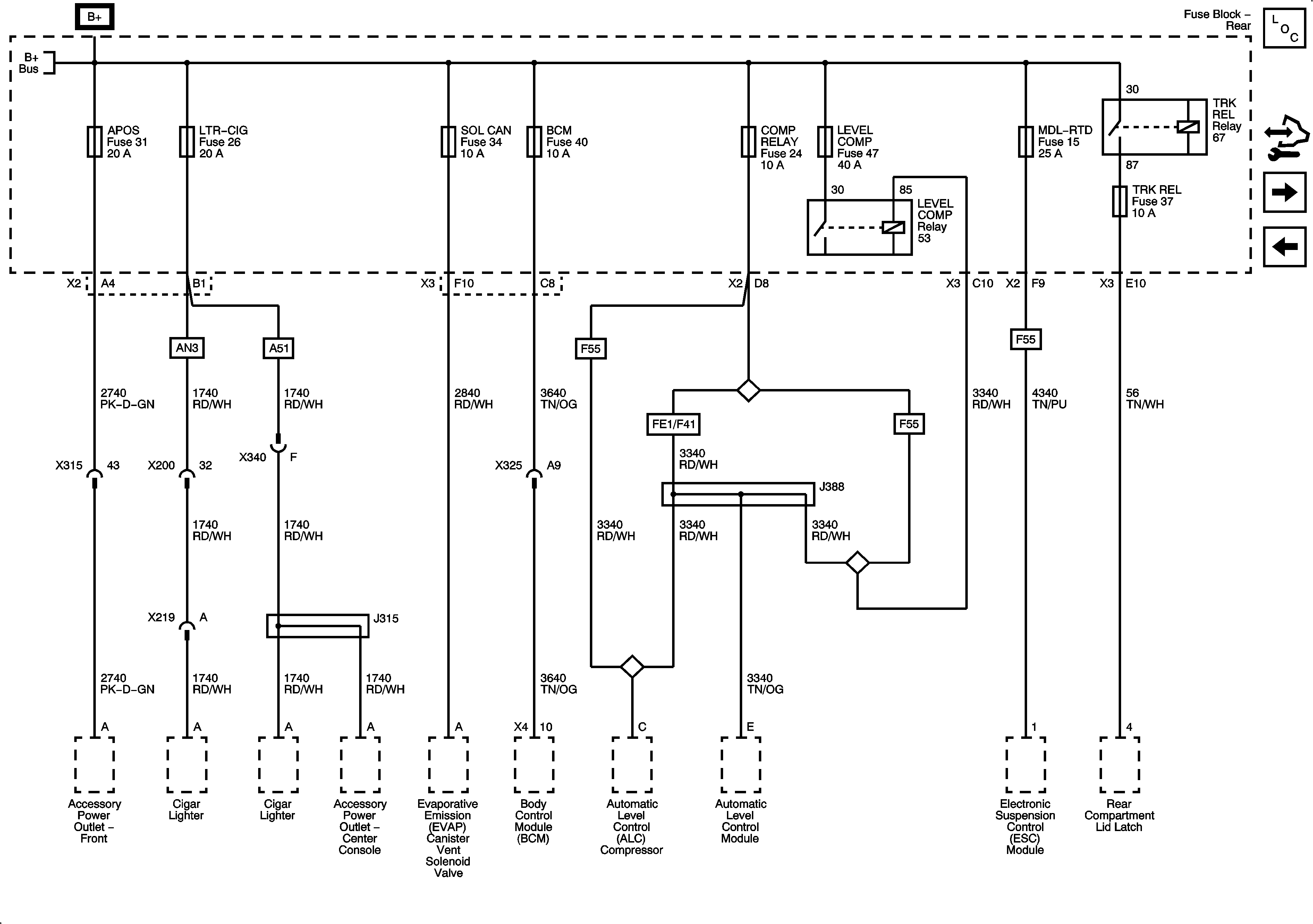
Figure 11:

TRUNK RELSE Relay, AUX PWR, CNSTR VENT, RVC SENSE, ELC MDL, MRTD MDL, TRUNK RELSE Fuses


Object Number: 2082022  Size: FS
Figure 12:

MSM/RT FRT PWR SEAT, MSM/LT FRT PWR SEAT, MSM Circuit Breakers, ECM/TCM, MSM LOGIC/RF MASSAGE Fuses


Object Number: 2082027  Size: FS
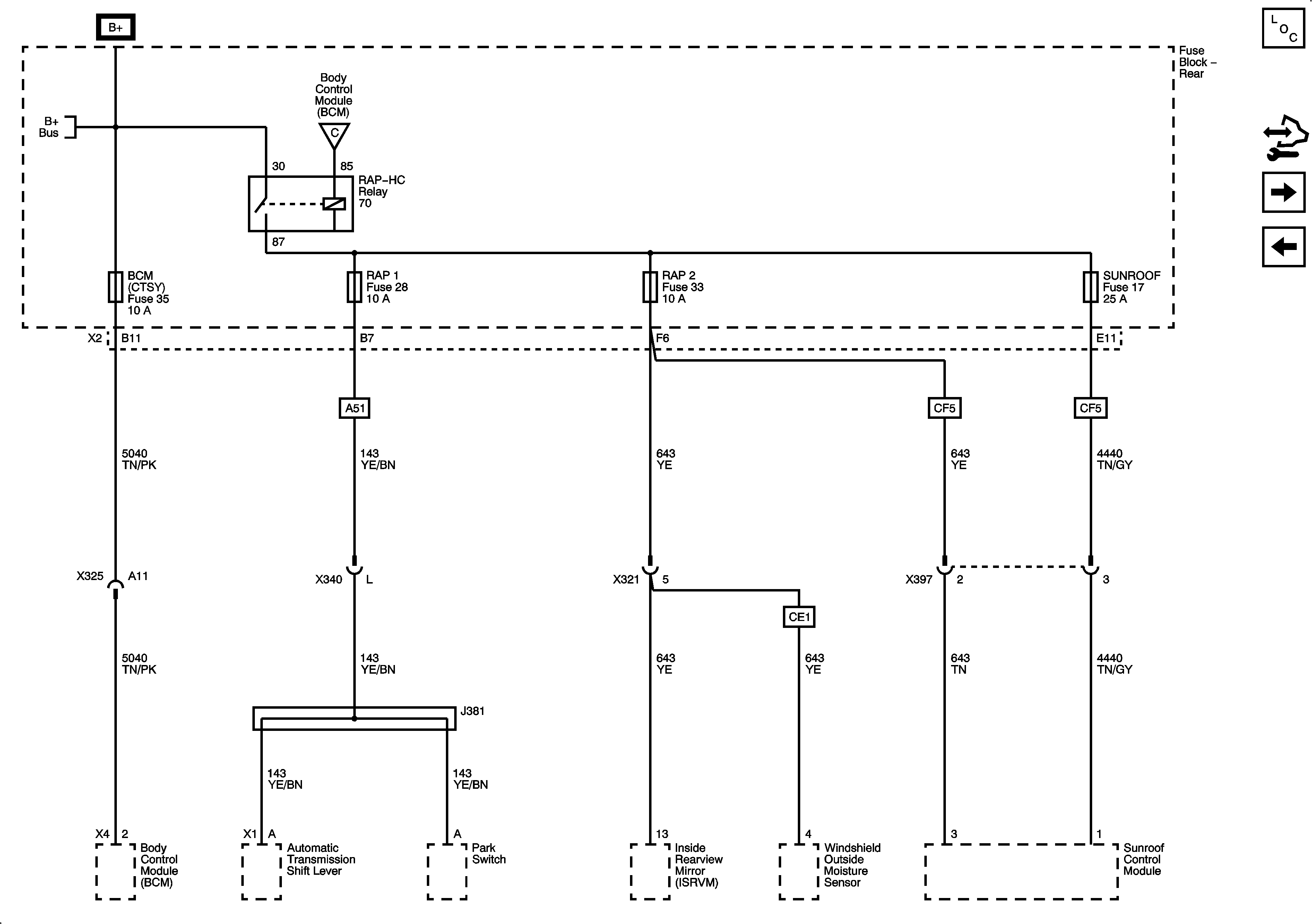
Figure 13:

RAP RELAY, CTSY/RF TRN, S/ROOF, SHFTR SOL, RAP Fuses


Object Number: 2082034  Size: FS
Figure 14:

HTD/COOL, DDM, PDM, RDO, AMP Fuses


Object Number: 2082038  Size: FS
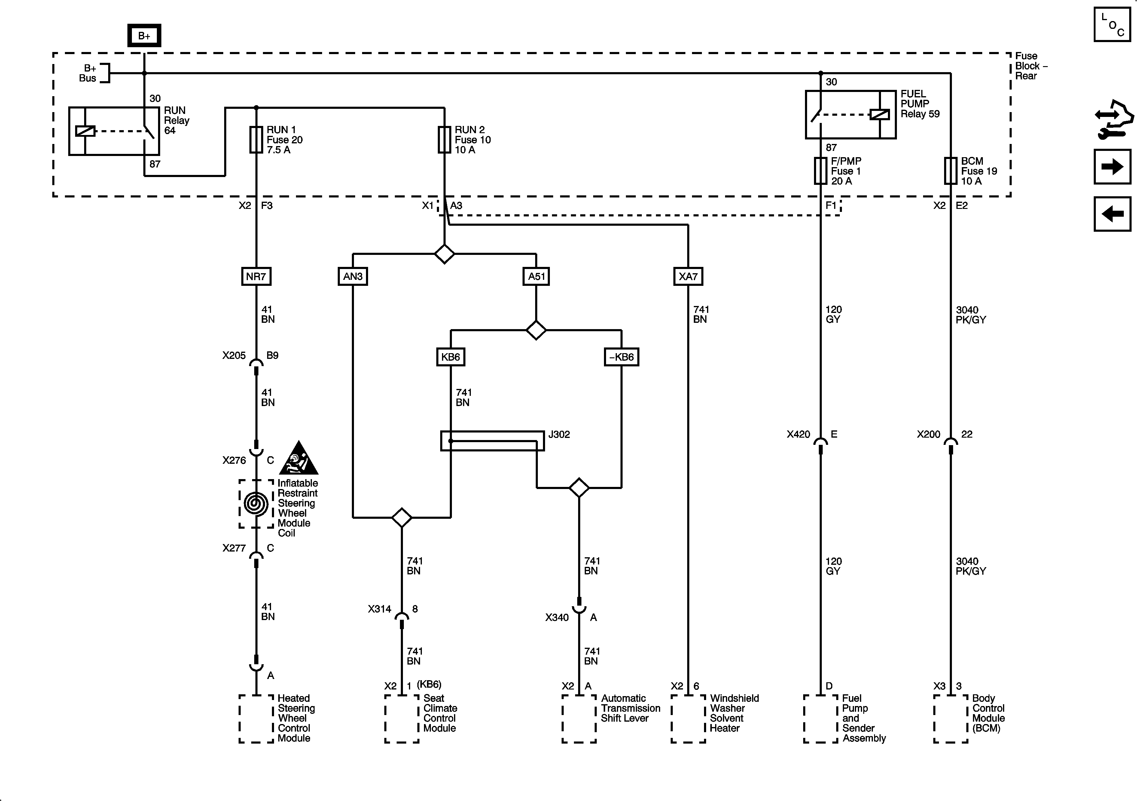
Figure 15:

RUN Relay, HTD STR, HTD/COOL/IGN3, BCM LOGIC Fuses


Object Number: 2082040  Size: FS
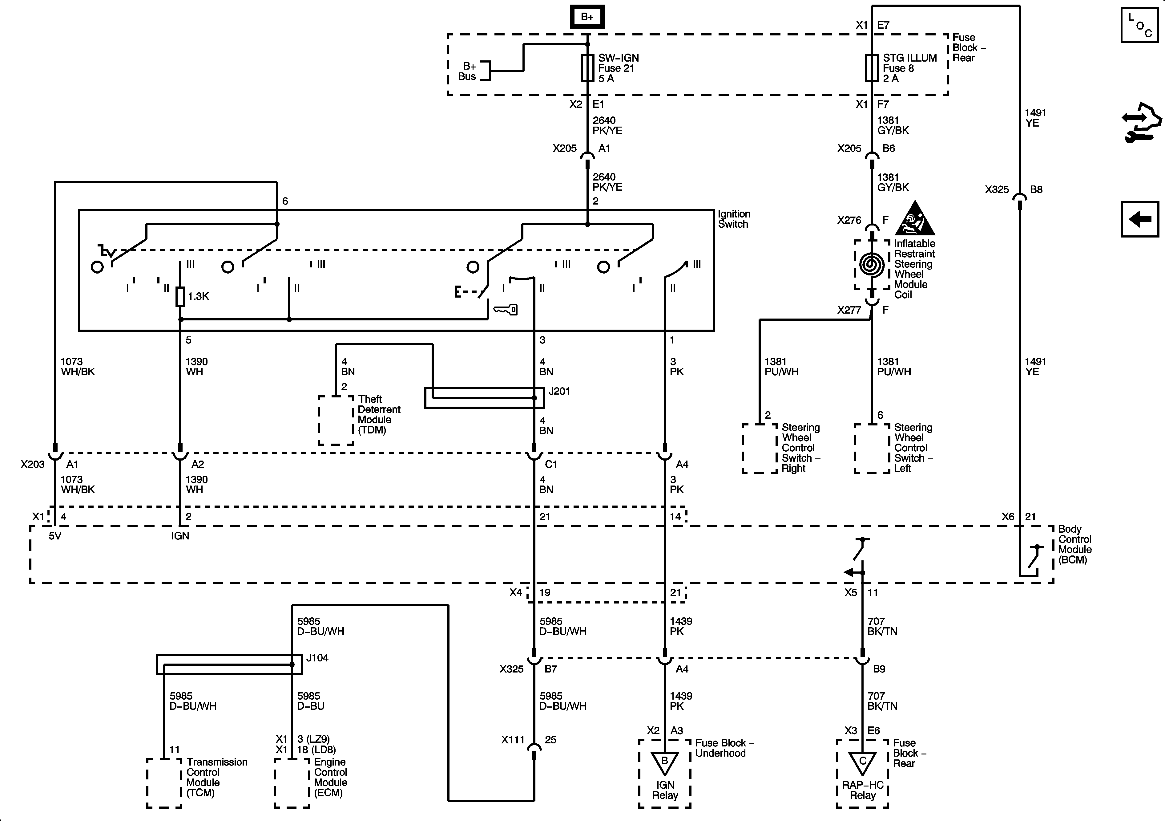
Figure 16:

IGN SWTCH, STR/WHL/ILLUM Fuses


Object Number: 2082047  Size: FS