GM Service Manual Online
For 1990-2009 cars only

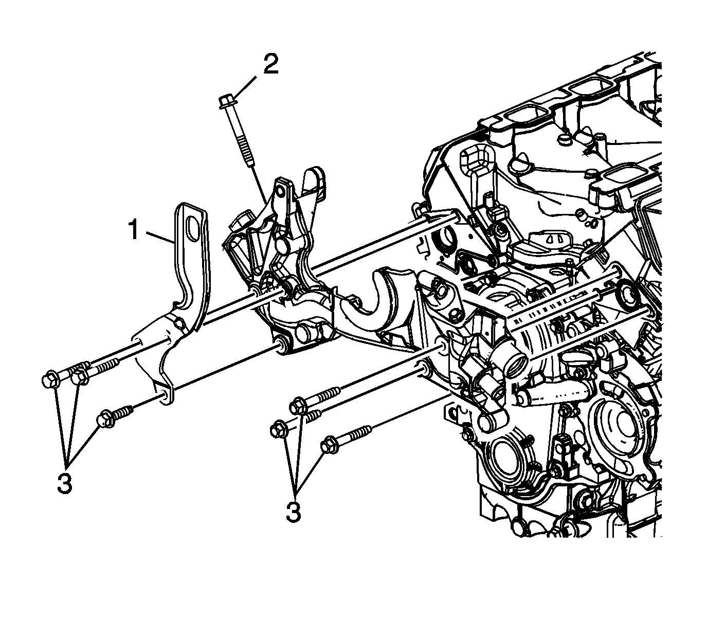
    Object Number: 2135326  Size: SH
  1. Install the coolant crossover pipe assembly onto the engine.
  2. Caution: Refer to Fastener Caution in the Preface section.

  3. Install the engine lift bracket (1) and the front coolant crossover pipe bolts (3) and tighten to 50 N·m (37 lb ft).
  4. Install the side coolant crossover pipe bolt (2) and tighten to 10 N·m (89 lb in).

  5. Object Number: 1608911  Size: SH
  6. Install the idler pulleys and bolts and tighten:
  7. • Tighten the bolts (1) to 50 N·m (37 lb ft).
    • Tighten the bolt (2) to 30 N·m (22 lb ft).

    Object Number: 1608908  Size: SH
  8. Install the coolant vent pipe and bolt (2) and tighten to 10 N·m (89 lb in).
  9. Install the heater inlet/outlet pipe and bolt (1) and tighten to 10 N·m (89 lb in).
  10. Install the thermal bypass hose and securely fasten the clamp (3).