GM Service Manual Online
For 1990-2009 cars only
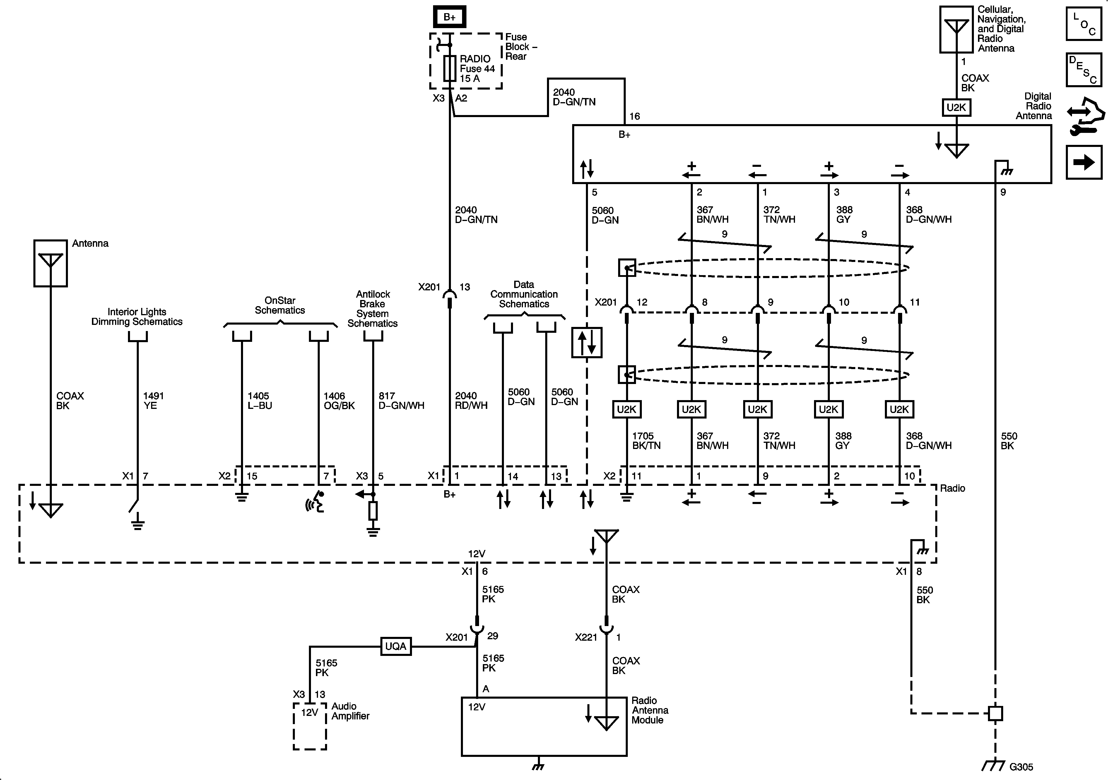
Figure 1:

Radio Power and Ground


Object Number: 2081256  Size: SH
Figure 2:

Amplifier (UQA)


Object Number: 2081260  Size: FS
Figure 3:

Speakers (UQA)


Object Number: 2081262  Size: FS
Figure 4:

Speakers (UQ3)


Object Number: 2081263  Size: FS
Figure 5:

Radio (without UE1)


Object Number: 2081265  Size: FS