GM Service Manual Online
For 1990-2009 cars only
Figure 1:

Driver Heated Seat (KA1)


Object Number: 2081796  Size: FS
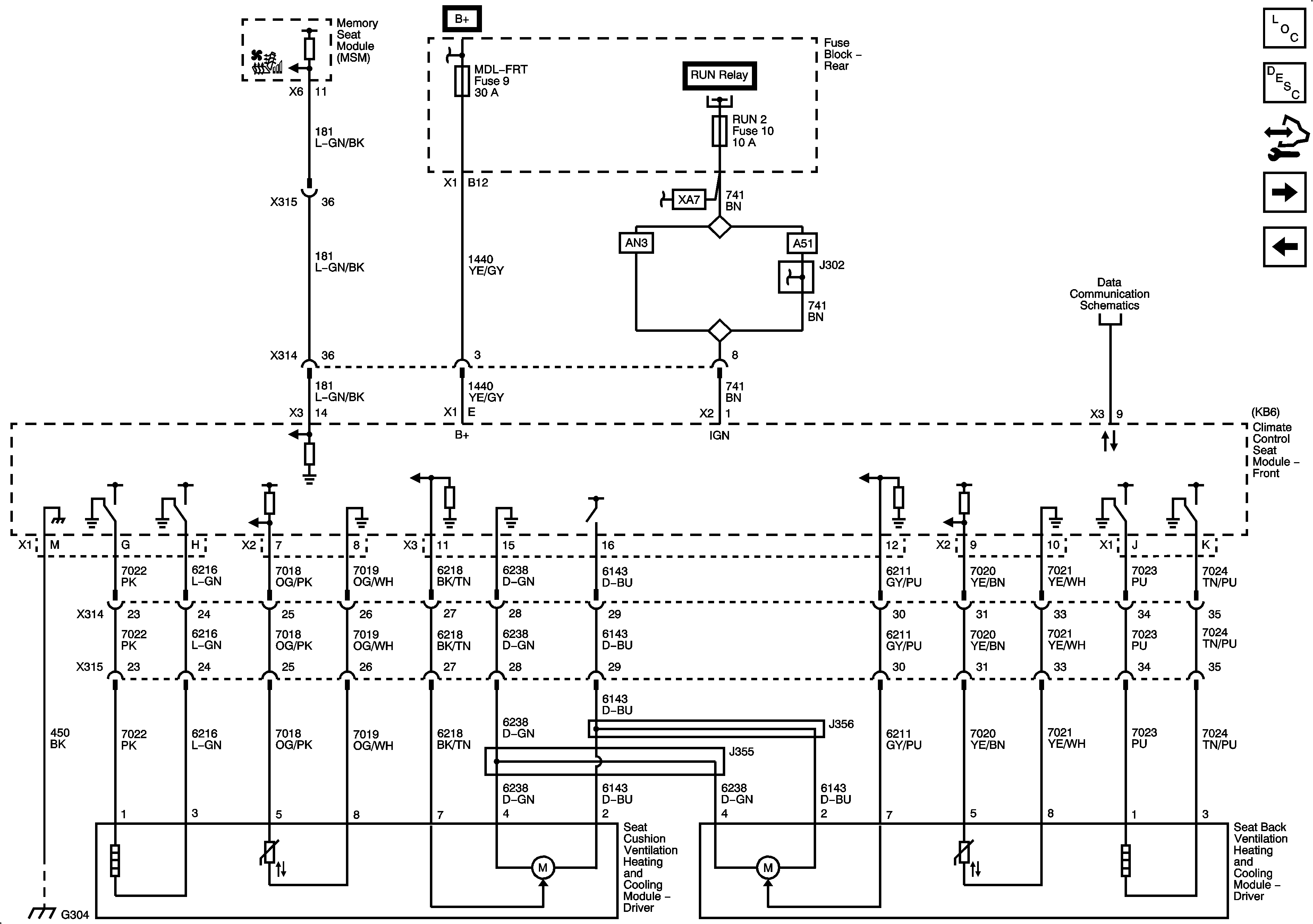
Figure 2:

Driver Heated and Cooled Seat (KB6)


Object Number: 2081803  Size: FS
Figure 3:

Driver Heated and Cooled Seat Switch (KA1, KB6)


Object Number: 2081820  Size: FS
Figure 4:

Passenger Heated Seat (KA1)


Object Number: 2081827  Size: FS
Figure 5:

Passenger Heated and Cooled Seat (KB6)


Object Number: 2081832  Size: FS
Figure 6:

Passenger Heated and Cooled Seat Switch (KA1, KB6)


Object Number: 2081832  Size: FS