GM Service Manual Online
For 1990-2009 cars only
Figure 1:

Power, Ground, MIL and DLC


Object Number: 2081332  Size: FS
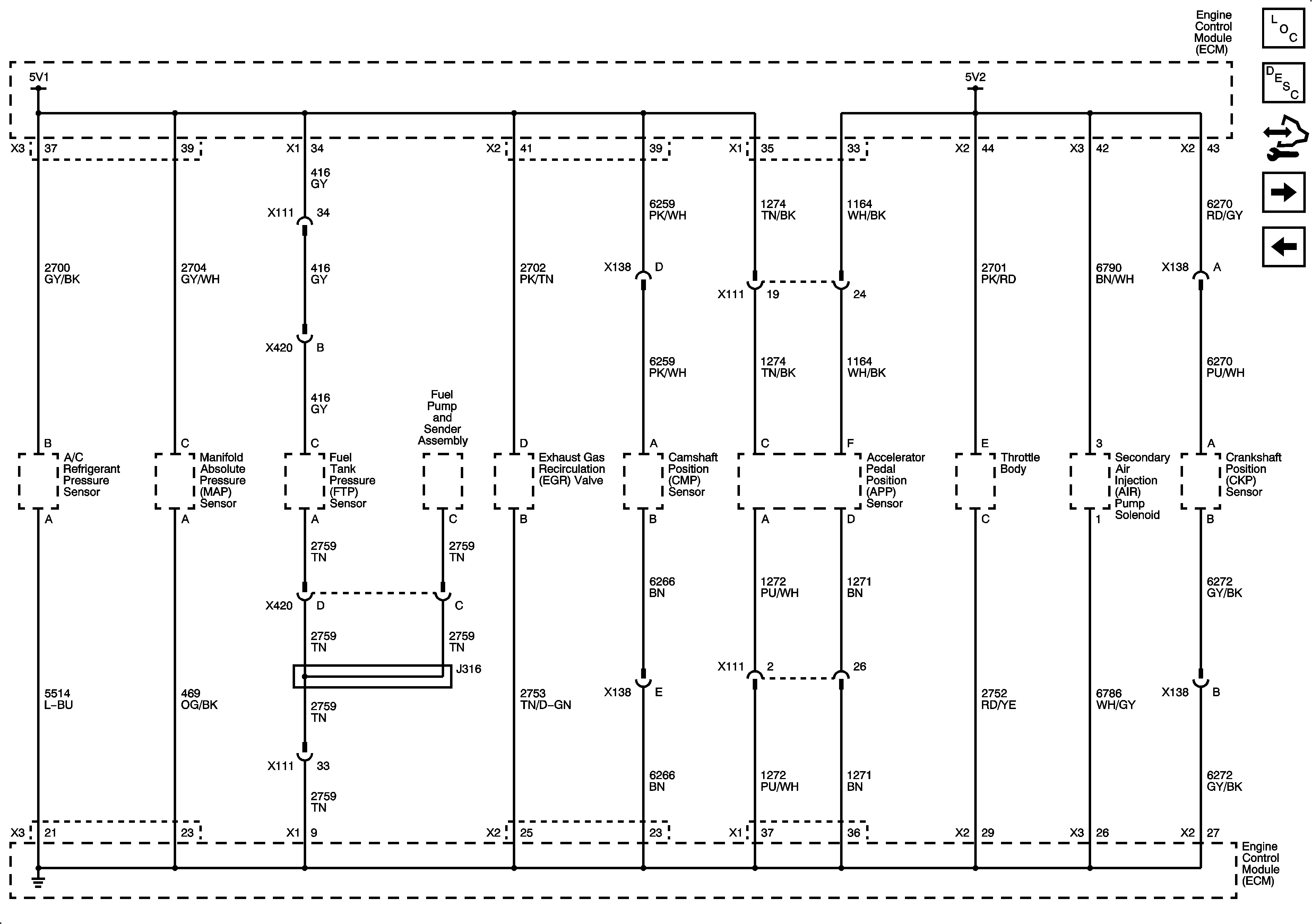
Figure 2:

Engine Data Sensors - 5V Reference Bussing


Object Number: 2081334  Size: FS
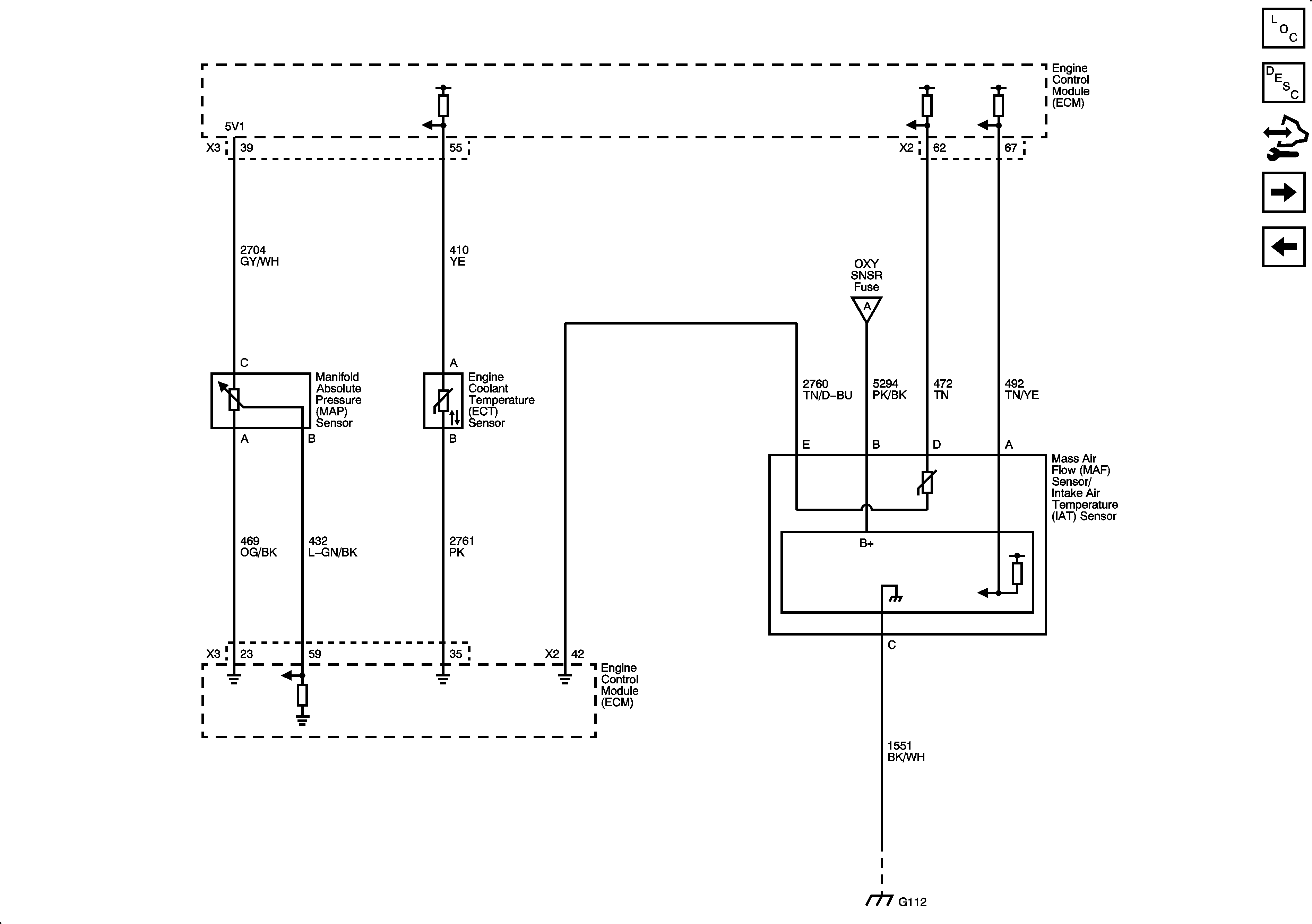
Figure 3:

Engine Data Sensors - Pressure, Temp and MAF/IAT


Object Number: 2081339  Size: FS
Figure 4:

Engine Data Sensors - HO2S


Object Number: 2081339  Size: FS
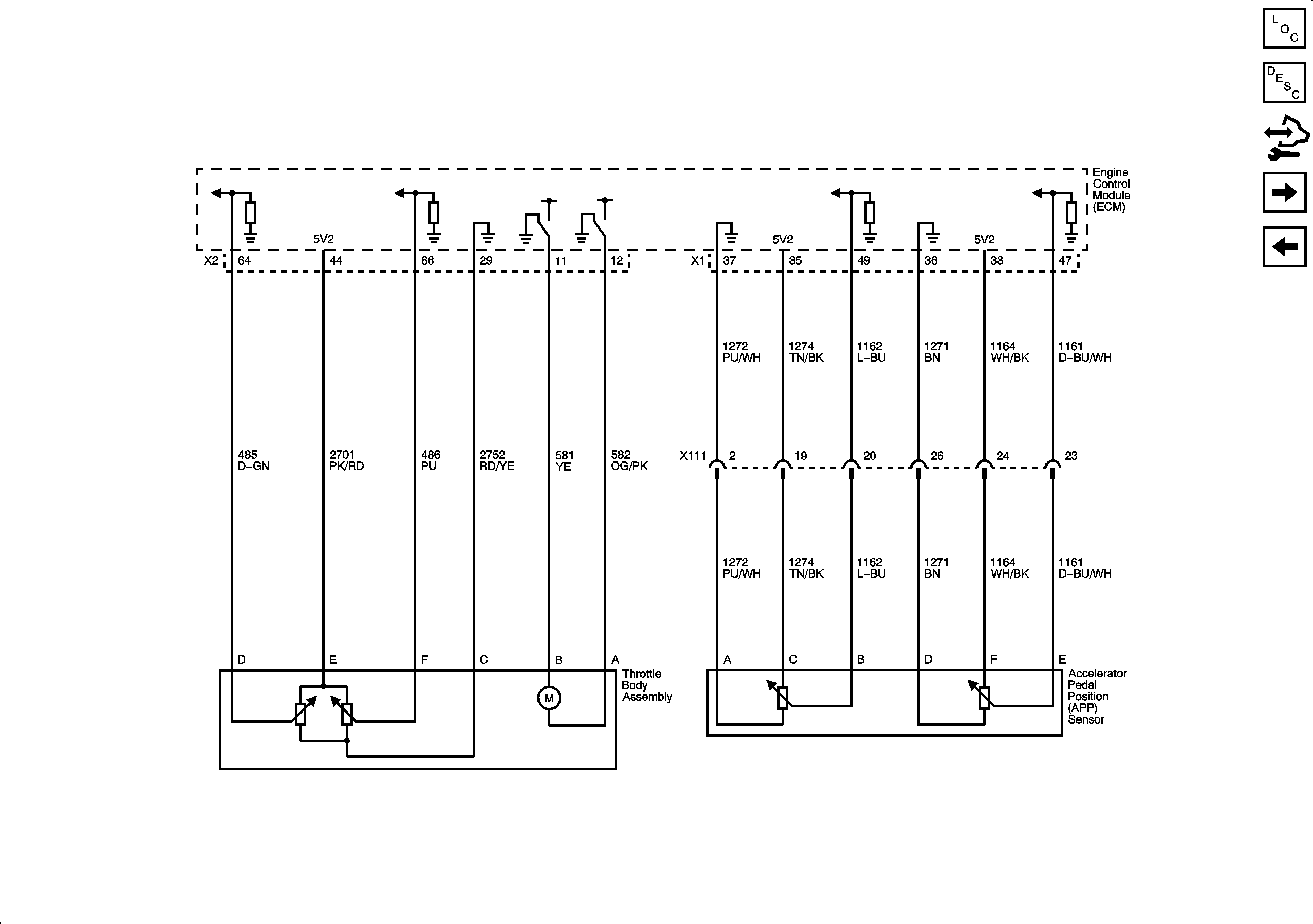
Figure 5:

Engine Data Sensors - APP and Throttle Body Assembly


Object Number: 2081349  Size: FS
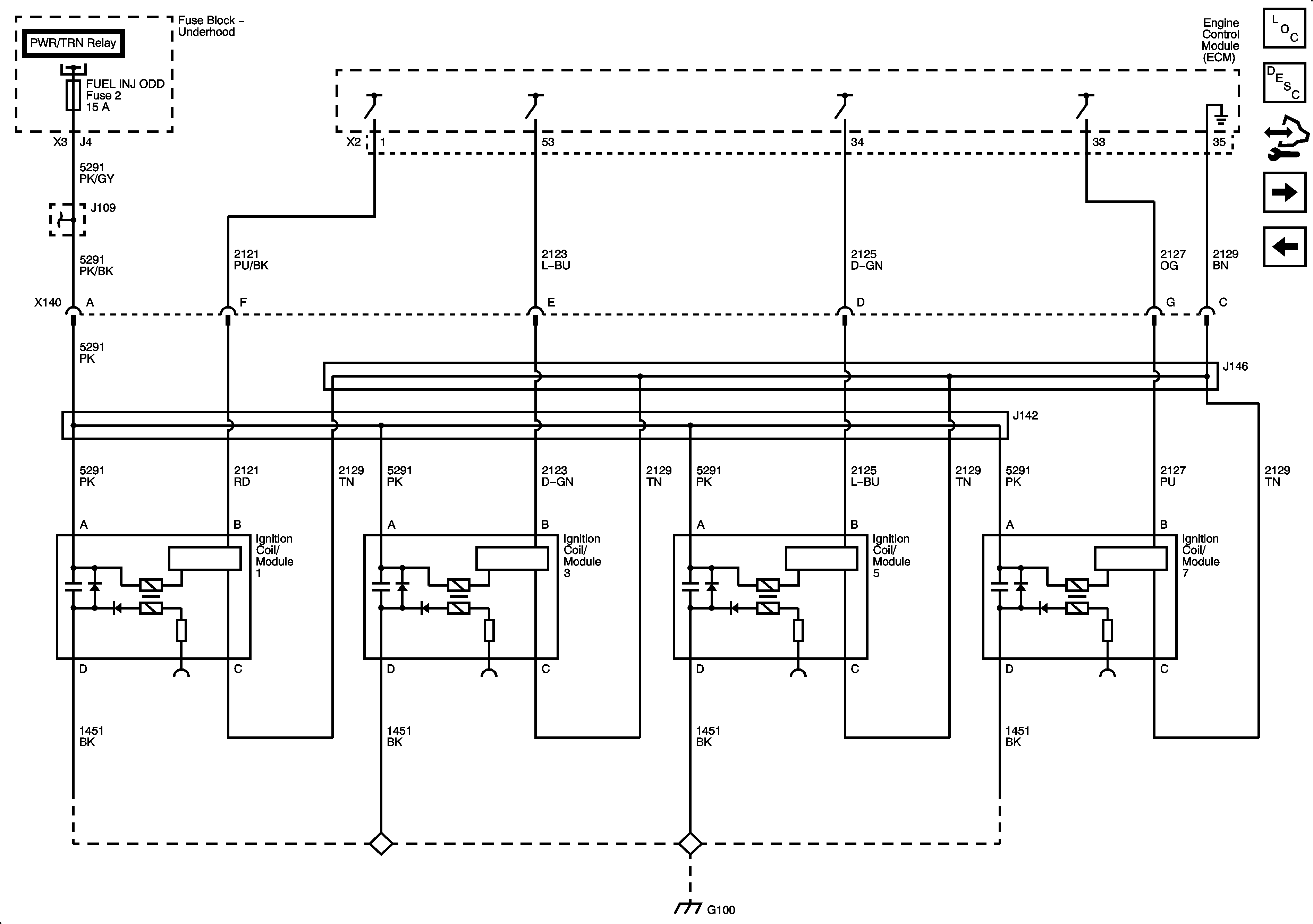
Figure 6:

Ignition Controls 1 of 2


Object Number: 2081352  Size: FS
Figure 7:

Ignition Controls 2 of 2


Object Number: 2081355  Size: FS
Figure 8:

Fuel Controls


Object Number: 2081357  Size: FS
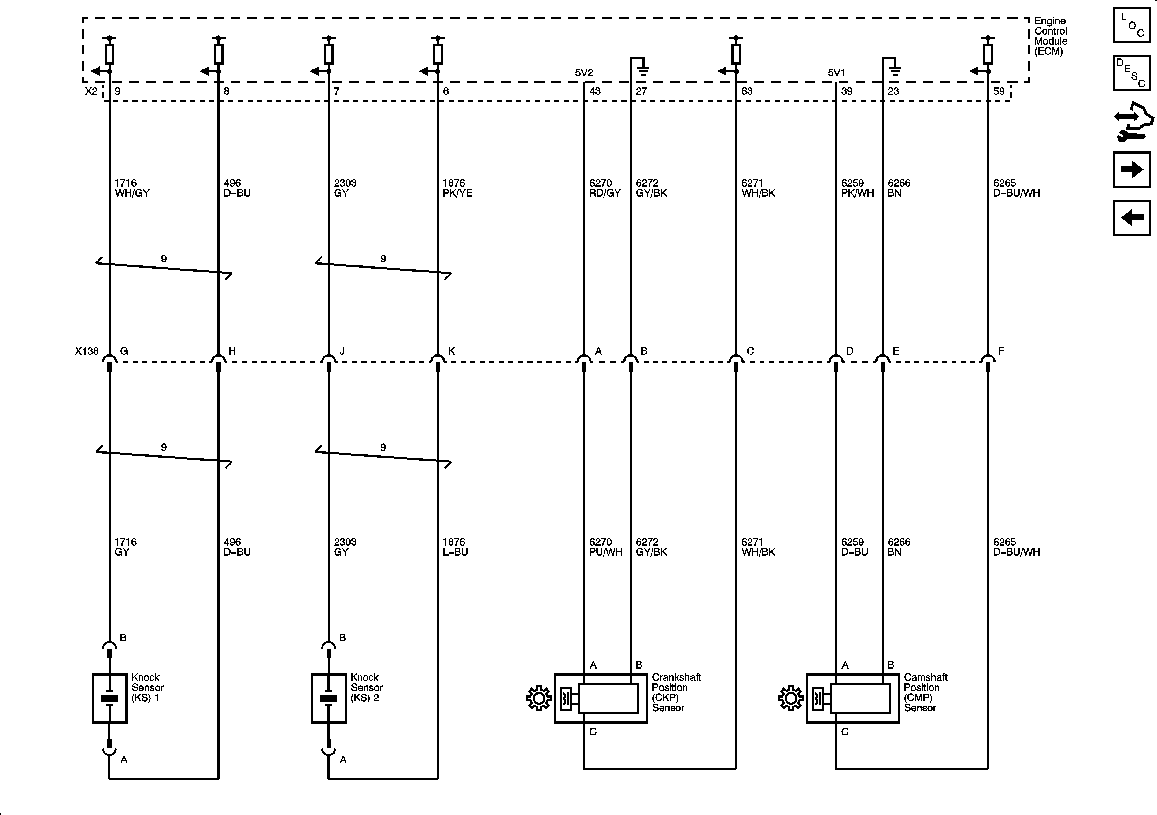
Figure 9:

CKP, CMP, Knock Sensors


Object Number: 2081359  Size: FS
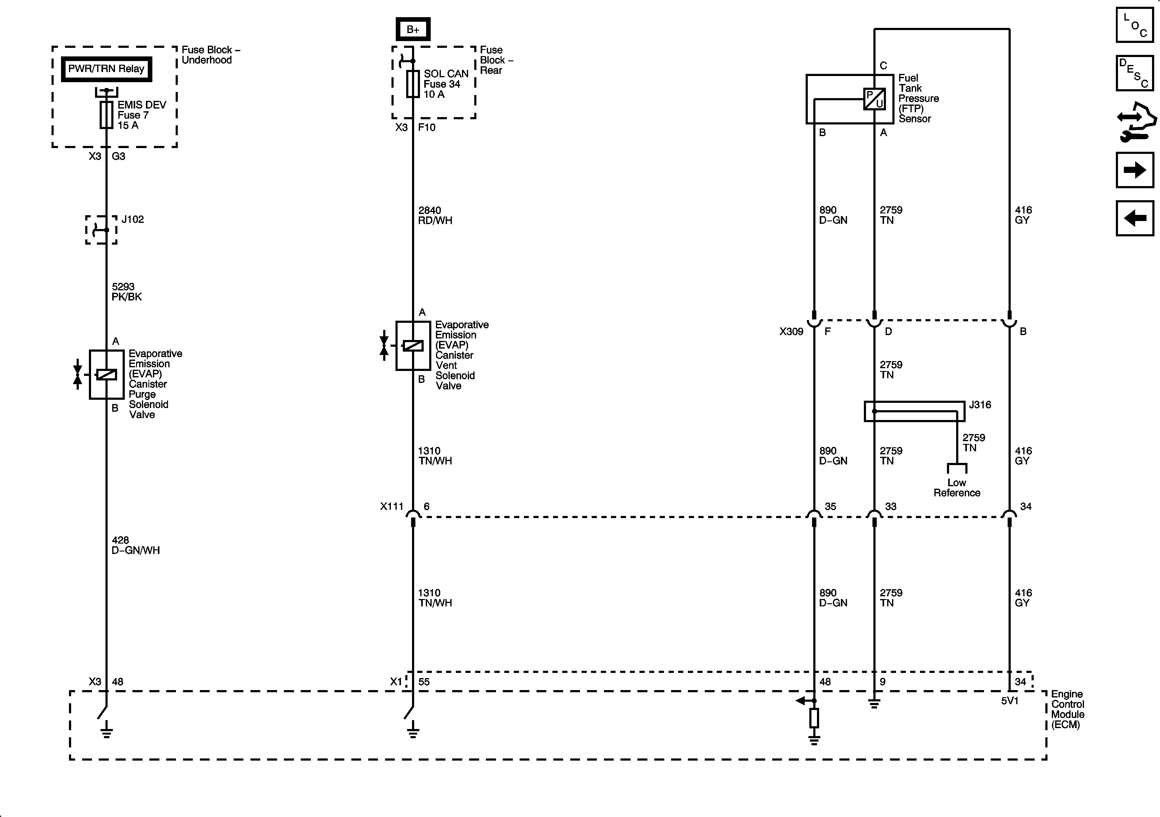
Figure 10:

EVAP Controls, FTP Sensor


Object Number: 2081361  Size: FS
Figure 11:

EGR, Secondary Air Injection (AIR)


Object Number: 2081362  Size: FS
Figure 12:

Controlled and Monitored Subsystem References


Object Number: 2081364  Size: FS