GM Service Manual Online
For 1990-2009 cars only
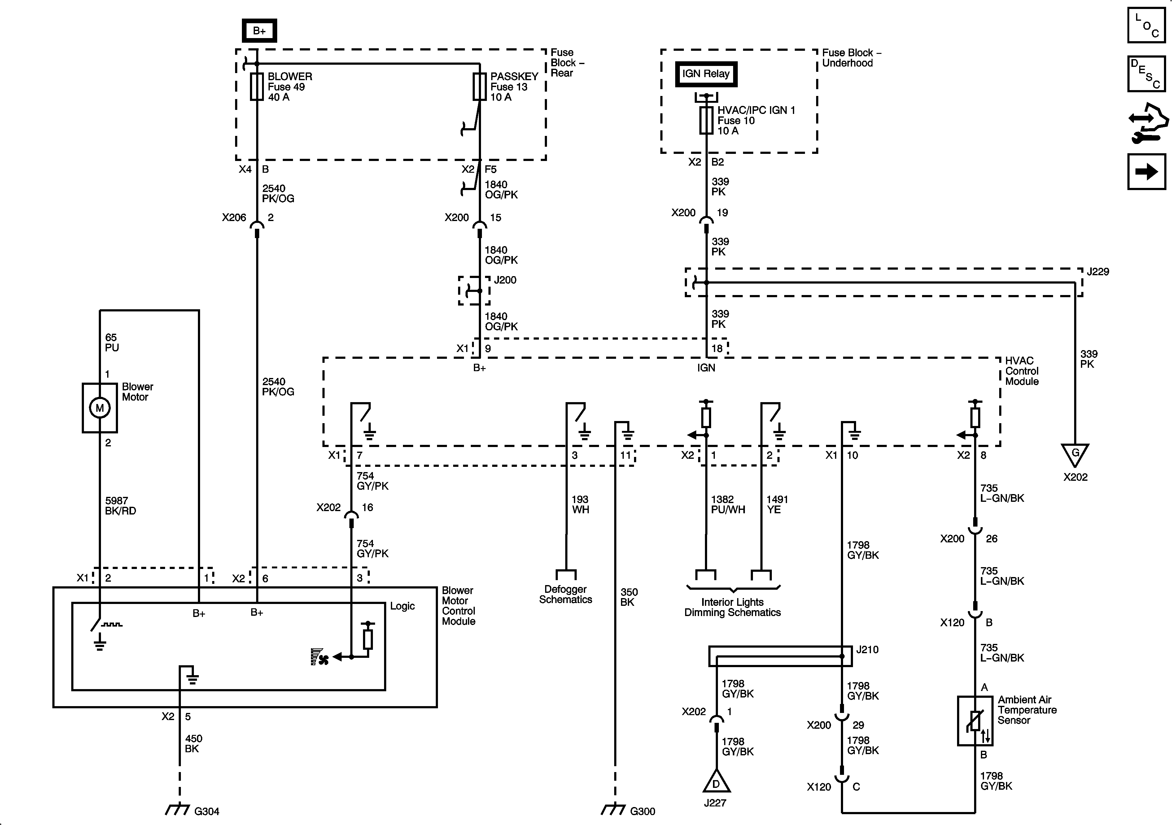
Figure 1:

Power, Ground, Blower Motor Controls


Object Number: 2081151  Size: FS
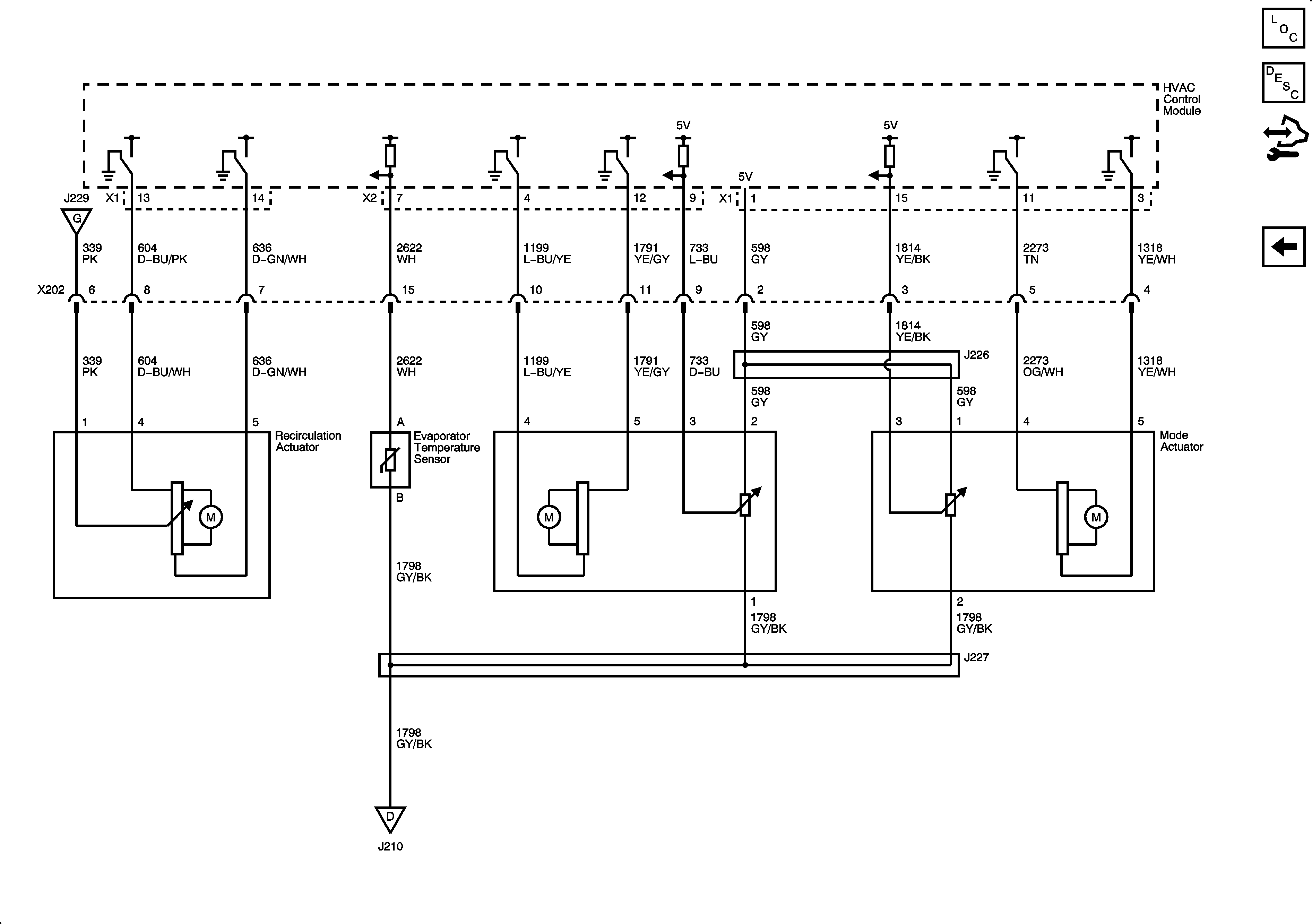
Figure 2:

Mode and Air Temperature Controls


Object Number: 2081162  Size: FS
Figure 3:

Compressor Controls


Object Number: 2081169  Size: FS