GM Service Manual Online
For 1990-2009 cars only
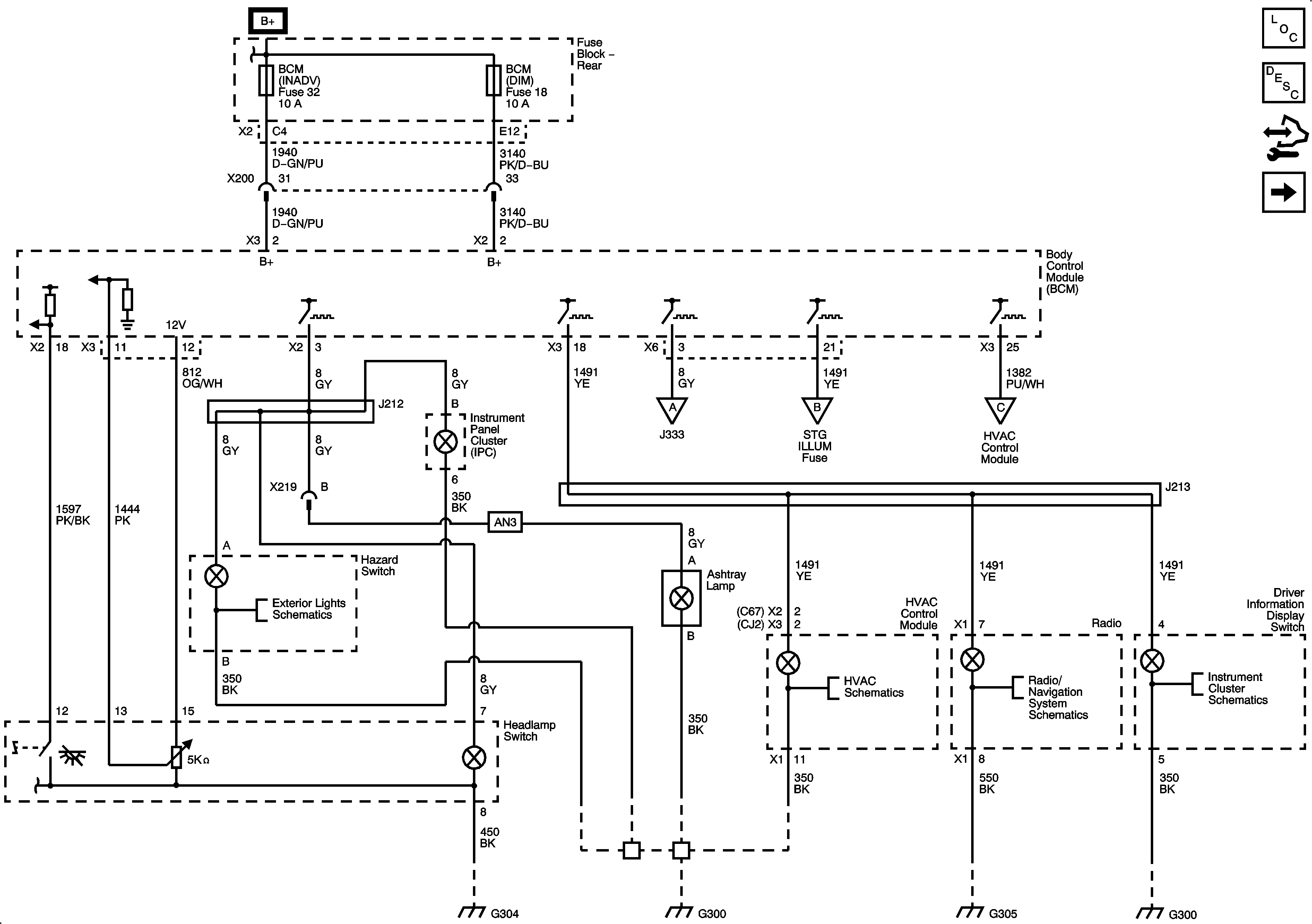
Figure 1:

Hazard, Headlamp, Driver Information Display Switches, Ashtray, HVAC Control Module, Radio


Object Number: 2081615  Size: FS
Figure 2:

Traction Control, Sunroof Switches, Reverse Lockout Solenoid, Garage Door Opener


Object Number: 2081619  Size: FS
Figure 3:

Window Switches


Object Number: 2081621  Size: FS
Figure 4:

HVAC Control Module, Steering Wheel Switches


Object Number: 2081626  Size: FS