GM Service Manual Online
For 1990-2009 cars only
Makes
🢒
Buick
🢒
2009
🢒
Lucerne
🢒
Diagnostic Navigation
🢒
Vehicle Diagnostic Information
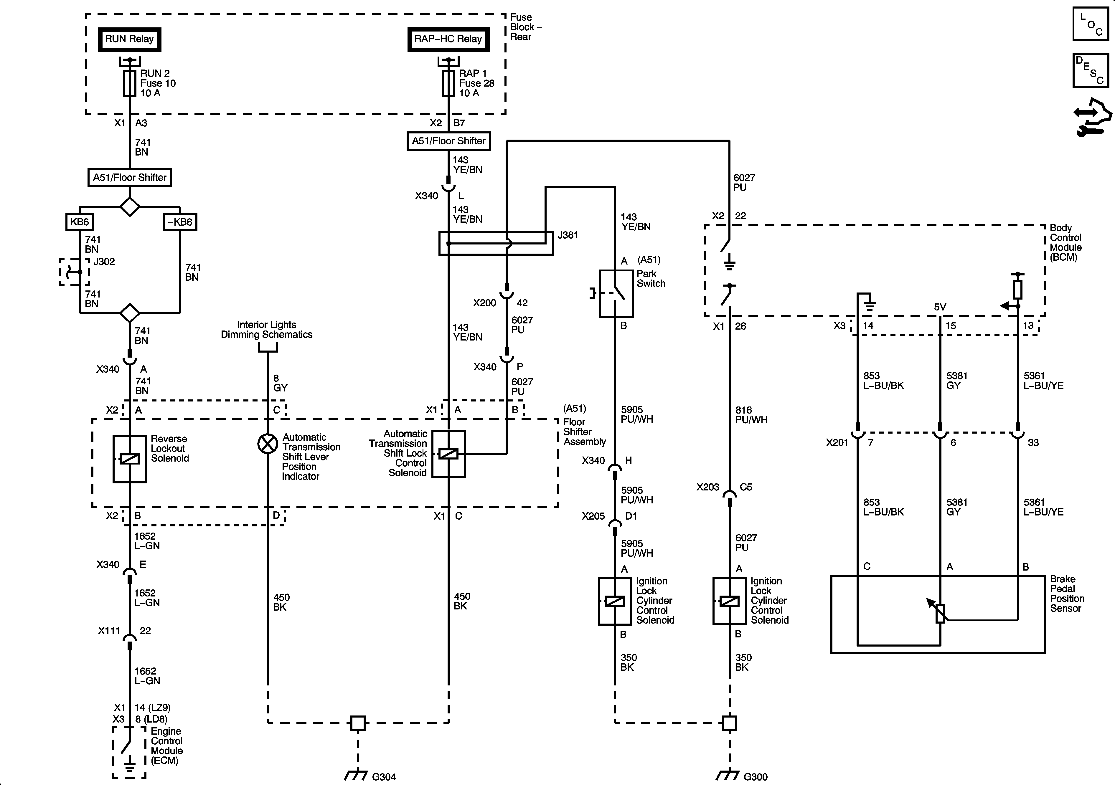
🢒 Shift Lock Control Schematics
Shift Lock Control Schematics