GM Service Manual Online
For 1990-2009 cars only
Makes
🢒
Buick
🢒
2009
🢒
Lucerne
🢒
Transmission
🢒
Automatic Transmission - 4T80-E
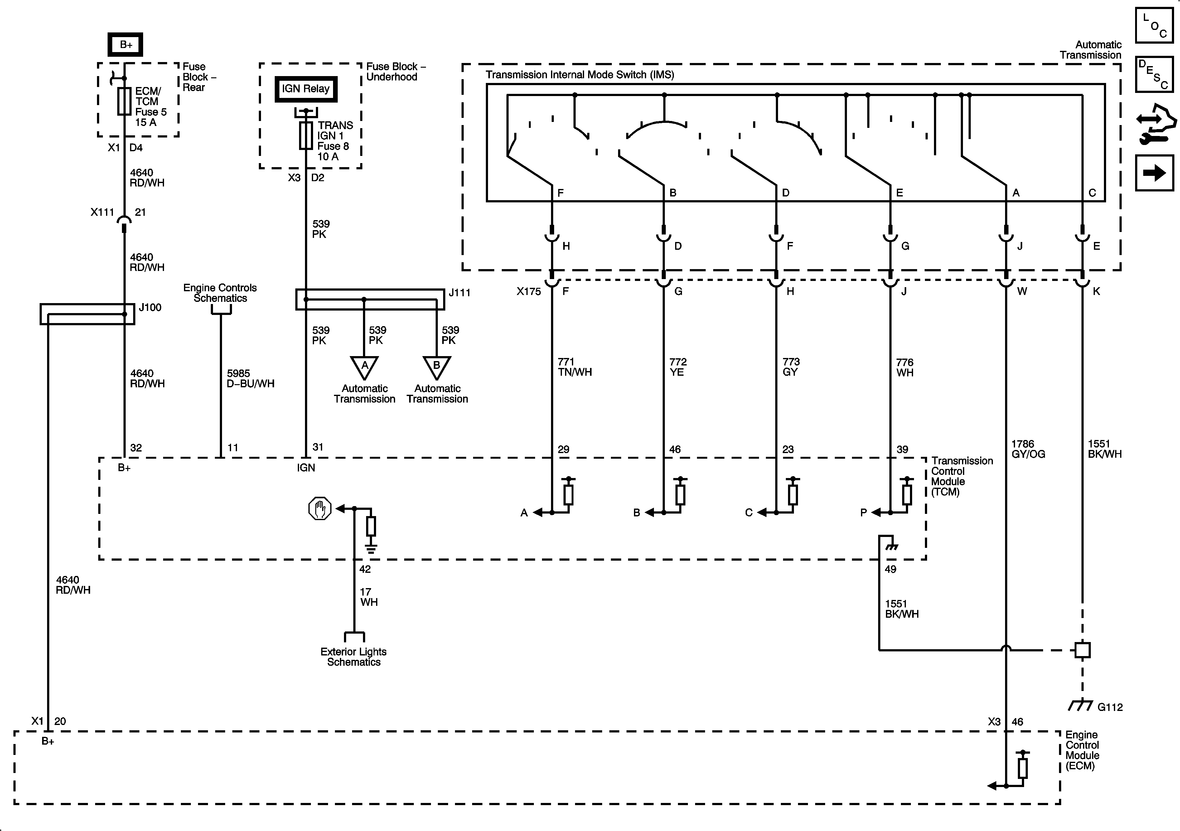
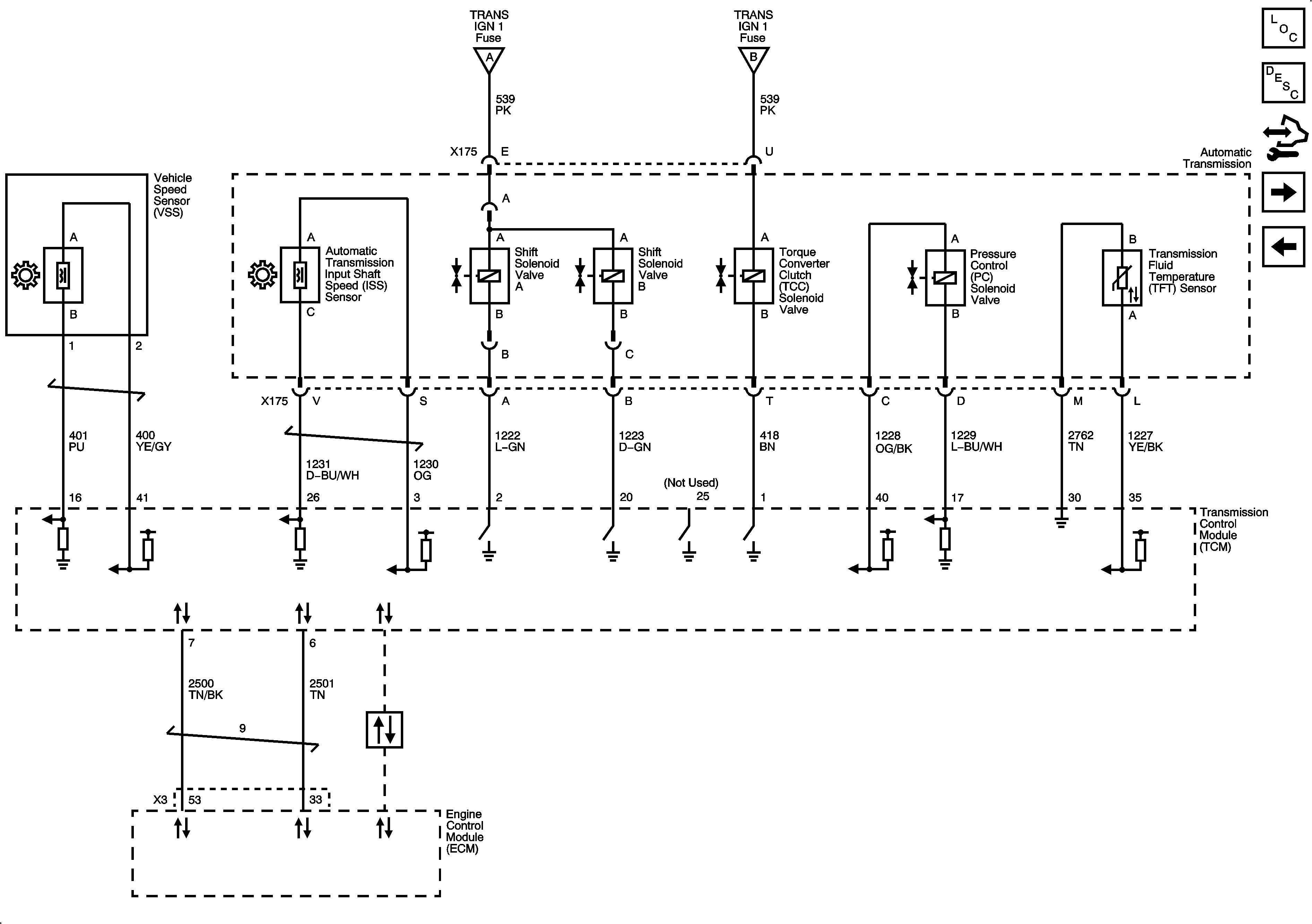
🢒 Automatic Transmission Controls Schematics
Figure
1:
TCM Power and Ground
Figure
2:
Solenoids and VSS