GM Service Manual Online
For 1990-2009 cars only
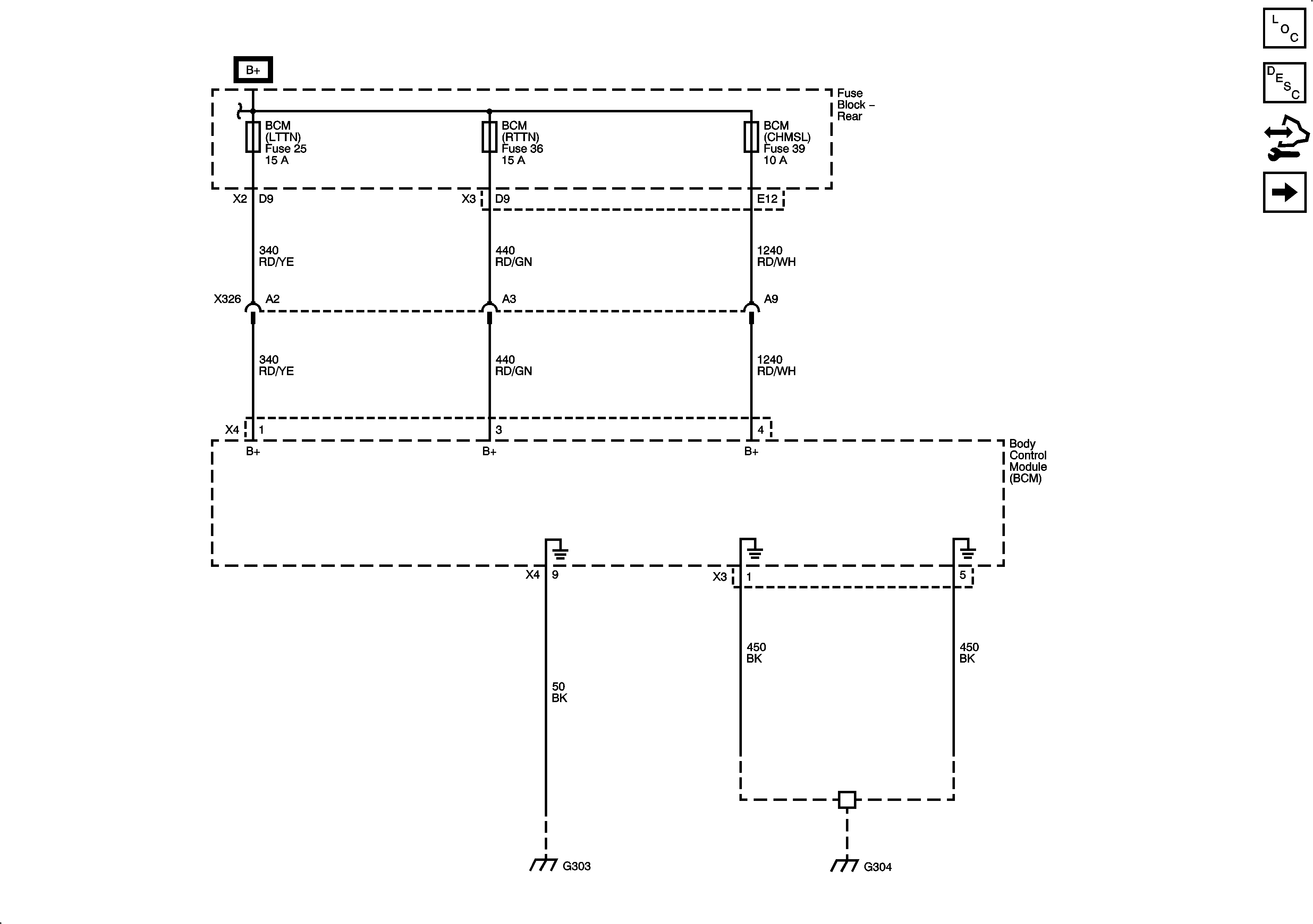
Figure 1:

BCM Power, Ground and DLC


Object Number: 2081272  Size: FS
Figure 2:

BCM Inputs and Outputs 1 of 4


Object Number: 2081273  Size: FS
Figure 3:

BCM Inputs and Outputs 2 of 4


Object Number: 2081274  Size: FS
Figure 4:

BCM Inputs and Outputs 3 of 4


Object Number: 2081275  Size: FS
Figure 5:

BCM Inputs and Outputs 4 of 4


Object Number: 2081276  Size: FS