GM Service Manual Online
For 1990-2009 cars only
Figure 1:

Power, Ground, Blower Motor Controls


Object Number: 2081089  Size: FS
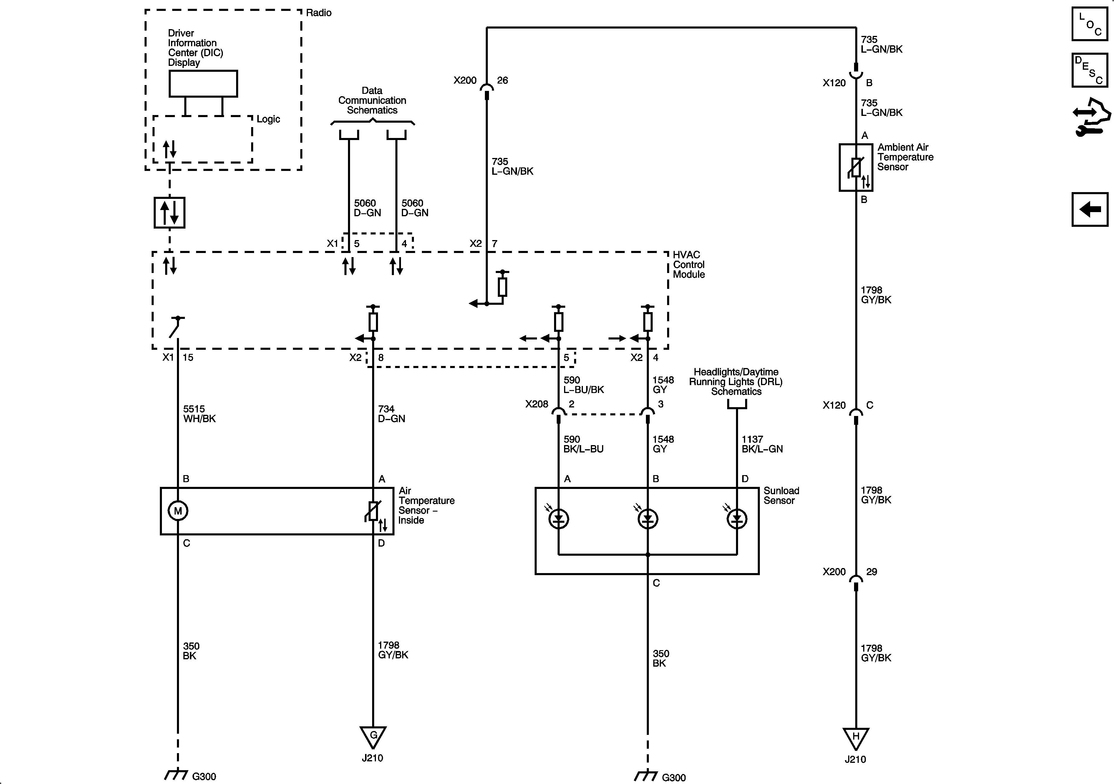
Figure 2:

Mode and Air Temperature Controls


Object Number: 2081104  Size: FS
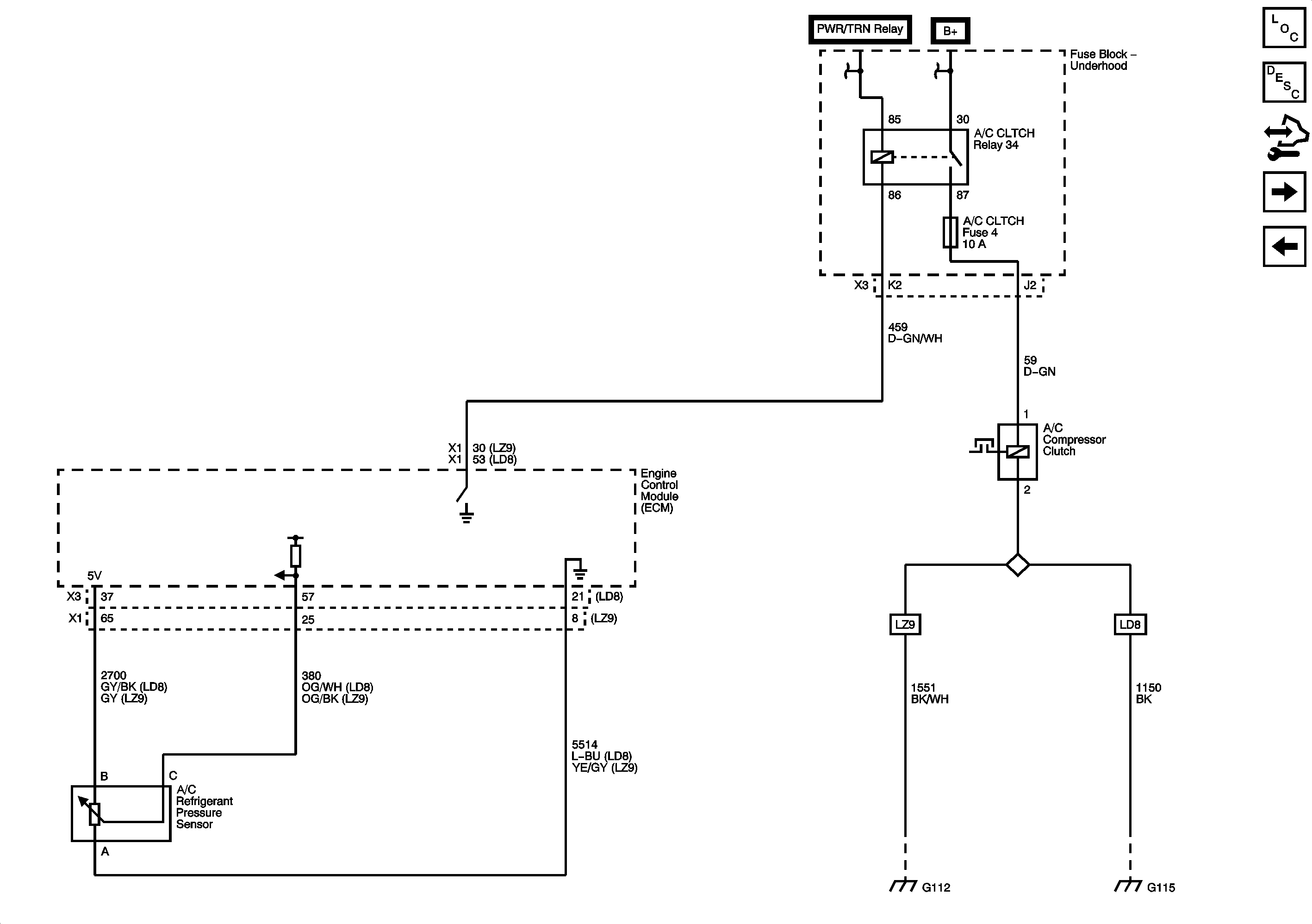
Figure 3:

Compressor Controls


Object Number: 2081134  Size: FS
Figure 4:

Air Temperature Controls


Object Number: 2081142  Size: FS