GM Service Manual Online
For 1990-2009 cars only

(ESM) UPDATE ELECTRICAL DIAGNOSIS/DATA LINE

SUBJECT: ELECTRICAL SYSTEM MANUAL (ESM) UPDATE ELECTRICAL DIAGNOSIS/DATA LINE

VEHICLES AFFECTED: 1991 PARK AVENUE/ULTRA

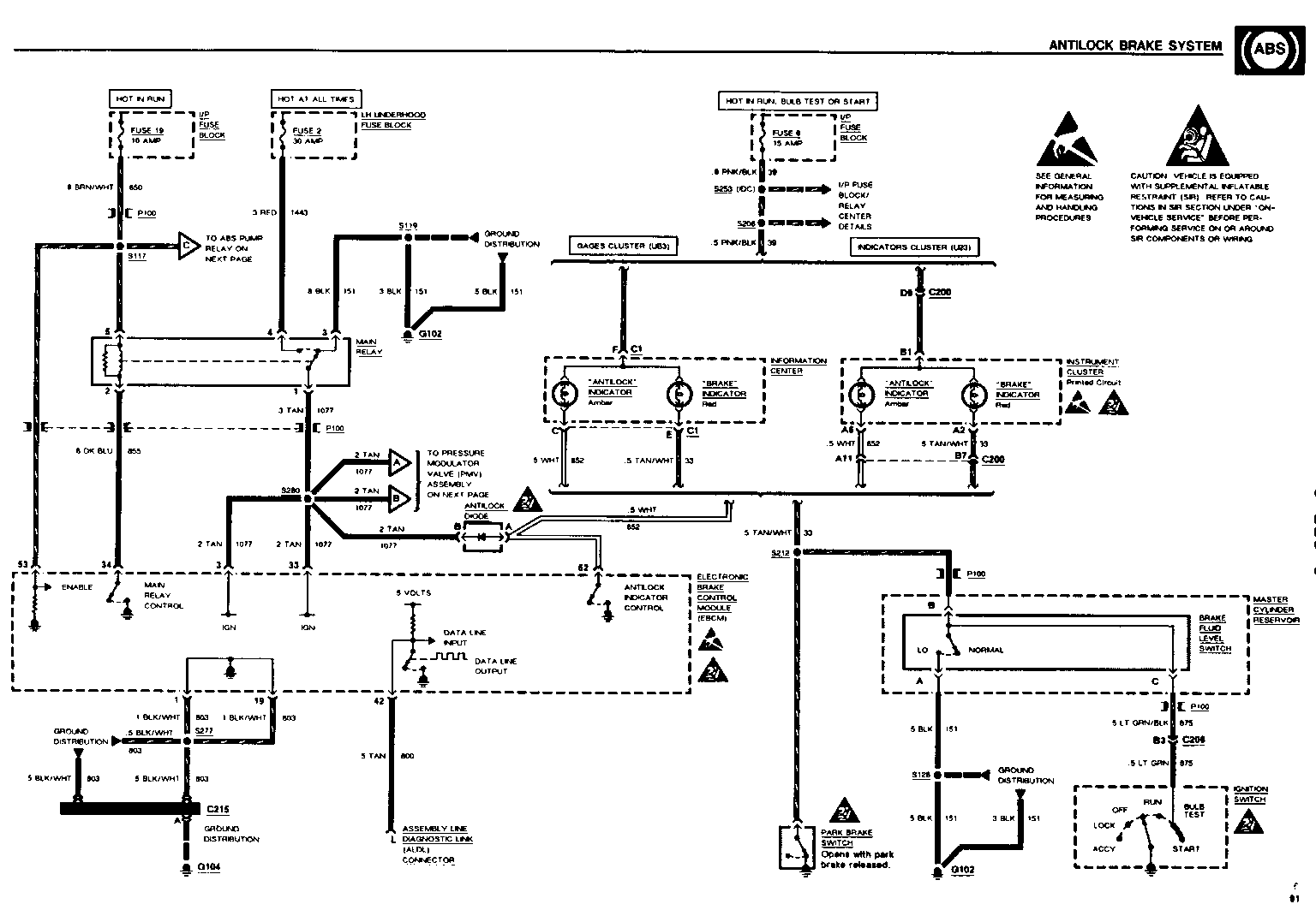
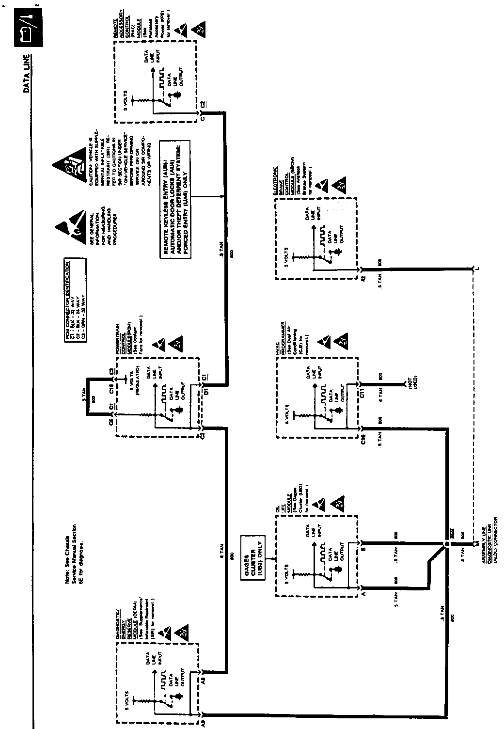
This Service Bulletin reflects a design change to the 1991 Park Avenue/Ultra Data Line. The Electronic Brake Control Module (EBCM) has been removed from the existing Data Line and placed on a dedicated Data Line. The existing Data Line is still accessed at Pin M of the Assembly Line Diagnostic Link (ALDL). The new EBCM Data Line is accessed at Pin L of the ALDL.

Software for CAMS and TECH1 has been updated to reflect the change.

The following pages/diagnostic test affected by this change contained herein:

ANTILOCK BRAKE SYSTEM

PAGE 104 TEST M: EBCM VOLTAGE TEST PAGE 105 TEST Q: SERIAL DATE LINE TEST (NEW TEST)

DUAL AIR CONDITIONING (CJ2)

PAGE 388 TEST C: HVAC PROGRAMMER TEST PAGE 389 TEST D: SERIAL DATA LINE TEST

In addition, the following pages should be revised to reflect late Production changes.

PAGE 45 DATA LINE PAGE 91 ANTILOCK BRAKE SYSTEM PAGE 103 ANTILOCK BRAKE SYSTEM PAGE 379 DUAL AIR CONDITIONING (CJ2)

E: A/C SIGNAL CIRCUIT TEST -------------------------- - If any PCM codes are set, see Chassis Service Manual Section 6E3. - Start engine. - Connect Scan Tool to ALDL. - Enter PCM diagnostic mods. - Use Scan Toot to turn A/C Compressor on. If A/C Compressor Clutch engages, do step 2. If A/C Compressor Clutch does not engage, do step 1.


Object Number: 89511  Size: FS


Object Number: 89633  Size: MF


Object Number: 89510  Size: MF


Object Number: 89509  Size: MF


Object Number: 89508  Size: MF


Object Number: 89747  Size: LF


Object Number: 76844  Size: FS


Object Number: 77994  Size: FS


Object Number: 77334  Size: FS


Object Number: 77333  Size: FS


Object Number: 77993  Size: FS


Object Number: 85948  Size: FS


Object Number: 74639  Size: FS


Object Number: 74638  Size: FS

General Motors bulletins are intended for use by professional technicians, not a "do-it-yourselfer". They are written to inform those technicians of conditions that may occur on some vehicles, or to provide information that could assist in the proper service of a vehicle. Properly trained technicians have the equipment, tools, safety instructions and know-how to do a job properly and safely. If a condition is described, do not assume that the bulletin applies to your vehicle, or that your vehicle will have that condition. See a General Motors dealer servicing your brand of General Motors vehicle for information on whether your vehicle may benefit from the information.