GM Service Manual Online
For 1990-2009 cars only

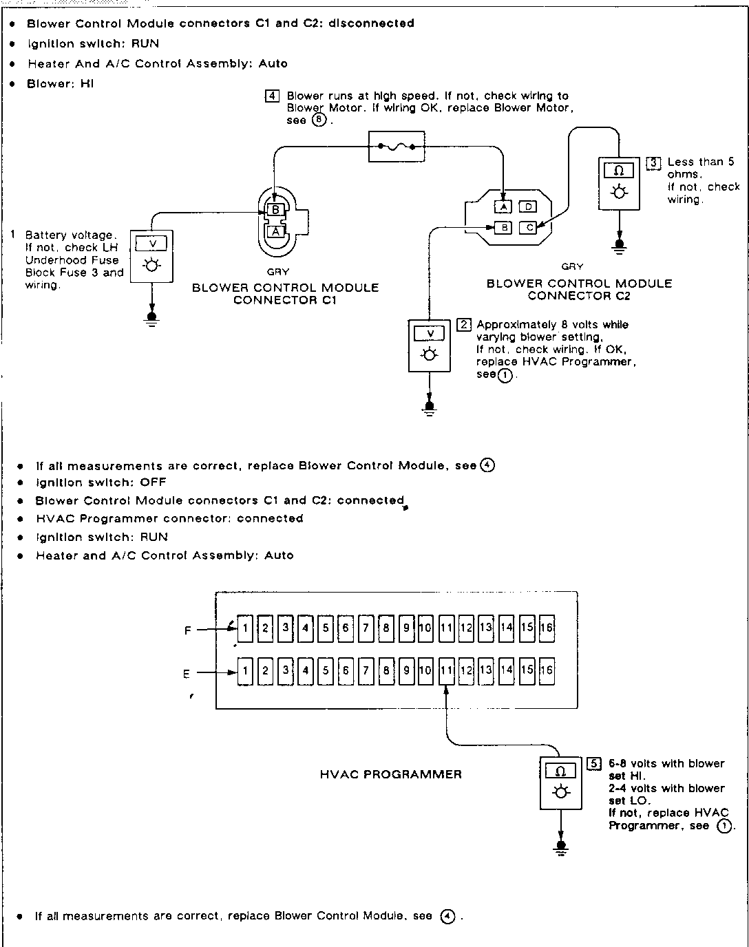
ELECT. SYSTEM MANUAL UPDATE DUAL A/C-REVISED BLOWER TEST

SUBJECT: ESM UPDATE - ELECTRICAL DIAGNOSIS - DUAL AIR CONDITIONING - Cj2 REVISED BLOWER TEST M CHART

VEHICLES AFFECTED: 1991 "C" MODEL

The diagnostic procedure for the Dual Air Conditioning - CJ2: Blower Test M on page 391 of the Electrical Systems Manual has been revised to indicate proper voltage and to encompass a greater area for testing purpose.

Please use the following revised chart for proper diagnostics.


Object Number: 83269  Size: FS

General Motors bulletins are intended for use by professional technicians, not a "do-it-yourselfer". They are written to inform those technicians of conditions that may occur on some vehicles, or to provide information that could assist in the proper service of a vehicle. Properly trained technicians have the equipment, tools, safety instructions and know-how to do a job properly and safely. If a condition is described, do not assume that the bulletin applies to your vehicle, or that your vehicle will have that condition. See a General Motors dealer servicing your brand of General Motors vehicle for information on whether your vehicle may benefit from the information.