GM Service Manual Online
For 1990-2009 cars only

Fuel Hose and Pipes Fuel Sender to Filter

Removal Procedure


    Object Number: 65628  Size: SH

    Caution: In order to Reduce the Risk of Fire and Personal Injury:

       • If nylon fuel pipes are nicked, scratched or damaged during installation, Do Not attempt to repair the sections of the nylon fuel pipes. Replace them.
       • When installing new fuel pipes, Do Not hammer directly on the fuel harness body clips as it may damage the nylon pipes resulting in a possible fuel leak.
       • Always cover nylon vapor pipes with a wet towel before using a torch near them. Also, never expose the vehicle to temperatures higher than 115°C (239°F) for more than one hour, or more than 90°C (194°F) for any extended period.
       • Before connecting fuel pipe fittings, always apply a few drops of clean engine oil to the male pipe ends. This will ensure proper reconnection and prevent a possible fuel leak. (During normal operation, the O-rings located in the female connector will swell and may prevent proper reconnection if not lubricated.)

    Notice: Do not attempt to straighten any kinked nylon fuel lines. Replace any kinked nylon fuel feed or return pipes in order to prevent damage to the vehicle.

  1. Relieve the fuel system fuel pressure. Refer to the Fuel Pressure Relief .
  2. Drain the fuel tank. Refer to Fuel Tank Draining .
  3. Remove the fuel tank. Refer to Fuel Tank Replacement .

  4. Object Number: 65393  Size: SH
  5. Remove the quick-connect fittings (3) (4) on the fuel sender assembly-side of the in-line fuel filter. Refer to Servicing Quick Connect Fittings .
  6. Cap the fuel sender fuel pipes and the in-pipe fuel filter pipes as needed to stop any fuel leakage.
  7. Remove the fuel feed, fuel return, and EVAP pipe attaching hardware and the fuel feed, fuel return, and EVAP pipes.
  8. Check the position of the fuel and EVAP pipes and the fuel and EVAP pipe attaching hardware for installation.

Installation Procedure

Caution: In order to Reduce the Risk of Fire and Personal Injury:

   • If nylon fuel pipes are nicked, scratched or damaged during installation, Do Not attempt to repair the sections of the nylon fuel pipes. Replace them.
   • When installing new fuel pipes, Do Not hammer directly on the fuel harness body clips as it may damage the nylon pipes resulting in a possible fuel leak.
   • Always cover nylon vapor pipes with a wet towel before using a torch near them. Also, never expose the vehicle to temperatures higher than 115°C (239°F) for more than one hour, or more than 90°C (194°F) for any extended period.
   • Before connecting fuel pipe fittings, always apply a few drops of clean engine oil to the male pipe ends. This will ensure proper reconnection and prevent a possible fuel leak. (During normal operation, the O-rings located in the female connector will swell and may prevent proper reconnection if not lubricated.)

Notice: Do not attempt to straighten any kinked nylon fuel lines. Replace any kinked nylon fuel feed or return pipes in order to prevent damage to the vehicle.

Notice: Always re-attach the fuel lines and fuel filter with all original type fasteners and hardware.

Do not repair sections of fuel pipes.


    Object Number: 65393  Size: SH
  1. Install the new fuel feed, fuel return, and EVAP pipes and the fuel and EVAP pipe attaching hardware as noted during removal.
  2. Install the caps from the in-line fuel filter pipes and the fuel sender pipes.
  3. Install the new plastic retainers onto the in-line fuel filter pipes and on the fuel sender pipes
  4. Install the quick-connect fittings (3) (4). Refer to Servicing Quick Connect Fittings .

  5. Object Number: 65628  Size: SH
  6. Install the fuel tank. Refer to Fuel Tank Replacement .
  7. Add fuel to the tank.
  8. Install the fuel tank filler cap.
  9. Connect the negative battery cable.
  10. 8.1. Turn the ignition switch ON for 2 seconds.
    8.2. Turn the ignition switch OFF for 10 seconds.
    8.3. Turn the ignition switch ON
    8.4. Check for fuel leaks.

Fuel Hose and Pipes VIN K Filter to Engine

Removal Procedure

Tools Required

Refer to J 37088-A , Fuel Pipe Quick Connect Separator


    Object Number: 65825  Size: SH
  1. Relieve the fuel system fuel pressure. Refer to Fuel Pressure Relief .
  2. Clean all engine fuel pipe connections and areas surrounding the engine fuel pipe connections before disconnecting the engine fuel pipe connections to avoid possible contamination of the fuel system.
  3. Remove the fuel feed (1) and fuel return (4) quick-connect fittings in the engine compartment. Refer to Servicing Quick Connect Fittings .
  4. Remove the EVAP pipe (3).
  5. Raise the vehicle.

  6. Object Number: 65986  Size: SH
  7. Remove the quick-connect fittings on the engine-side of the in-line fuel filter. Refer to Servicing Quick Connect Fittings .
  8. Cap the in-line fuel filter pipe, the fuel feed pipe, and the fuel return pipe as needed to stop any fuel leakage.
  9. Remove the fuel feed, fuel return, EVAP pipe attaching hardware, and the fuel feed, fuel return, and EVAP pipes.
  10. Check the position of the fuel and EVAP pipes and the fuel and EVAP pipe attaching hardware for installation.
  11. Inspect the retainers and pipes for bends, kinks, and cracks.
  12. Repair or replace the pipe or pipes and retainers as required.

Installation Procedure

Caution: In order to Reduce the Risk of Fire and Personal Injury: If nylon fuel pipes are nicked, scratched or damaged during installation, they must be replaced.

Notice: Always re-attach the fuel lines and fuel filter with all original type fasteners and hardware.

Do not repair sections of fuel pipes.


    Object Number: 65825  Size: SH
  1. Install the new fuel feed, fuel return, EVAP pipe, and the fuel and EVAP pipe attaching hardware (2) as noted during removal.

  2. Object Number: 65986  Size: SH
  3. Remove the caps from the in-line fuel filter pipe, the fuel feed pipe, and the fuel return pipe.
  4. Install new plastic connector retainers on the fuel pipes.
  5. Install the quick-connect fittings at the in-line fuel filter. Refer to Servicing Quick Connect Fittings .
  6. Install the threaded nut at the in-line fuel filter.
  7. Tighten
    Tighten the thraded nut to 30 N·m (22 ft lb).

    Notice: Use the correct fastener in the correct location. Replacement fasteners must be the correct part number for that application. Fasteners requiring replacement or fasteners requiring the use of thread locking compound or sealant are identified in the service procedure. Do not use paints, lubricants, or corrosion inhibitors on fasteners or fastener joint surfaces unless specified. These coatings affect fastener torque and joint clamping force and may damage the fastener. Use the correct tightening sequence and specifications when installing fasteners in order to avoid damage to parts and systems.

  8. Lower the vehicle.
  9. Install the quick-connect fittings in the engine compartment. Refer to Servicing Quick Connect Fittings .
  10. Add fuel and install the fuel tank filler pipe cap.
  11. Tighten the fuel tank filler pipe cap.
  12. Install the negative battery cable.
  13. 10.1. Turn the ignition switch to the On position for 2 seconds.
    10.2. Turn the ignition switch to the Off for 10 seconds.
    10.3. Turn the ignition switch to the On position.
    10.4. Check for fuel leaks.

    Object Number: 48328  Size: SH
  14. Install the fuel injector sight shield.

Fuel Hose and Pipes VIN 1 Filter to Engine

Removal Procedure

Tools Required

Refer to J 37088-A , Fuel Pipe Quick Connect Separator


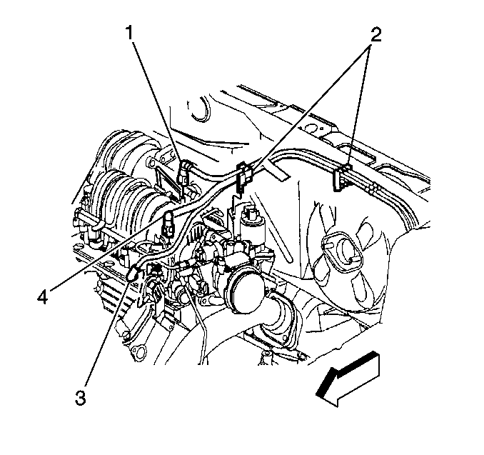
    Object Number: 65853  Size: SH
  1. Relieve the fuel system fuel pressure. Refer to Fuel Pressure Relief .
  2. Clean all engine fuel pipe connections and areas surrounding the engine fuel pipe connections before disconnecting the engine fuel pipe connections to avoid possible contamination of the fuel system.
  3. Remove fuel line retaining clips from fuel lines (3).
  4. Remove the fuel feed (2) and fuel return (1) quick-connect fittings in the engine compartment. Refer to Servicing Quick Connect Fittings .
  5. Remove the EVAP pipe (5).

  6. Object Number: 65986  Size: SH
  7. Raise the vehicle.
  8. Remove the quick-connect fittings and the threaded nut on the engine-side of the in-line filter. Refer to Servicing Quick Connect Fittings .
  9. Cap the in-line fuel filter pipe, the fuel feed pipe, and the fuel return pipe as needed to stop any fuel leakage.

  10. Object Number: 66013  Size: SH
  11. Remove the fuel feed, fuel return, and EVAP pipe attaching hardware (4) and the fuel feed, fuel return, and EVAP pipes.
  12. Check the position of the fuel and EVAP pipes and the fuel and EVAP pipe attaching hardware for installation.

  13. Object Number: 65808  Size: SH
  14. Inspect the retainers and pipes for bends, kinks, and cracks.
  15. Repair or replace the pipe or pipes and retainers as required.

Installation Procedure

Caution: In order to Reduce the Risk of Fire and Personal Injury: If nylon fuel pipes are nicked, scratched or damaged during installation, they must be replaced.

Notice: Always re-attach the fuel lines and fuel filter with all original type fasteners and hardware.

Do not repair sections of fuel pipes.


    Object Number: 66013  Size: SH
  1. Install the new fuel feed, fuel return, EVAP pipes, and the fuel and EVAP pipe attaching hardware (4) as noted during removal.
  2. Remove the caps from the in-line fuel filter pipe, the fuel feed pipe, and the EVAP pipe.
  3. Install new plastic connector retainers on the fuel pipes.

  4. Object Number: 65986  Size: SH
  5. Install the quick-connect fittings at the in-line fuel filter. Refer to Servicing Quick Connect Fittings .
  6. Install the threaded nut at the in-line fuel filter.
  7. Tighten
    Tighten the threaded nut at the in-line fuel filter to 30 N·m (22 ft lb)

    Notice: Use the correct fastener in the correct location. Replacement fasteners must be the correct part number for that application. Fasteners requiring replacement or fasteners requiring the use of thread locking compound or sealant are identified in the service procedure. Do not use paints, lubricants, or corrosion inhibitors on fasteners or fastener joint surfaces unless specified. These coatings affect fastener torque and joint clamping force and may damage the fastener. Use the correct tightening sequence and specifications when installing fasteners in order to avoid damage to parts and systems.


    Object Number: 65853  Size: SH
  8. Install the fuel line retaining clips to the fuel lines (3).
  9. Lower the vehicle.
  10. Install the new fuel feed (2), fuel return (1), quick-connect fittings in the engine compartment. Refer to Servicing Quick Connect Fittings .
  11. Install the EVAP pipe in the engine compartment.
  12. Tighten
    Tighten the attaching hardware to 12 N·m (106 in lb).

  13. Add fuel and install the fuel tank filler pipe cap.
  14. Tighten the fuel tank filler pipe cap.
  15. Install the negative battery cable.
  16. 12.1. Turn the ignition switch to the On position for 2 seconds
    12.2. Turn the ignition switch to the Off for 10 seconds.
    12.3. Turn the ignition switch to the On position.
    12.4. Check for fuel leaks.

    Object Number: 49593  Size: SH
  17. Install the fuel injector sight shield.
  18. Tighten
    Tighten the fuel injector sight shield to 2 N·m (18 lb in).

    Notice: Use the correct fastener in the correct location. Replacement fasteners must be the correct part number for that application. Fasteners requiring replacement or fasteners requiring the use of thread locking compound or sealant are identified in the service procedure. Do not use paints, lubricants, or corrosion inhibitors on fasteners or fastener joint surfaces unless specified. These coatings affect fastener torque and joint clamping force and may damage the fastener. Use the correct tightening sequence and specifications when installing fasteners in order to avoid damage to parts and systems.