GM Service Manual Online
For 1990-2009 cars only

SMU - SECTION 8C - REVISED PROCEDURE & ILLUSTRATION

SUBJECT: SERVICE MANUAL UPDATE - SECTION 8C - REVISED PROCEDURE AND ILLUSTRATION FOR HAZARD/TURN SIGNAL FLASHER REPLACEMENT

MODELS: 1997 BUICK PARK AVENUE

THIS BULLETIN IS BEING ISSUED TO REVISE THE HAZARD/TURN SIGNAL FLASHER REPLACEMENT PROCEDURE IN SECTION 8C OF THE SERVICE MANUAL.

REMOVE OR DISCONNECT

1. LEFT SOUND INSULATOR, SCREWS AND ELECTRICAL CONNECTIONS.

2. BRAKE SWITCHES FROM BRAKE PEDAL BRACKET. REFER TO BRAKES IN THE SERVICE MANUAL.

3. LOWER END OF IN-CAR TEMP TEMPERATURE DUCT FROM MUFFLER BY PULLING OFF.

4. IN-CAR TEMP DUCT MUFFLER FROM HVAC CASE.

5. DISCONNECT ELECTRICAL CONNECTIONS FROM THE PANEL DIMMING MODULE (PDM) AND THE LIGHTING CONTROL MODULE (LCM).

6. REMOVE THE RETAINER FROM BRACKET SUPPORTING THE PANEL DIMMING MODULE (PDM) AND THE LIGHTING CONTROL MODULE (LCM).

7. REMOVE THE PANEL DIMMING MODULE (PDM) AND THE LIGHT CONTROL MODULE (LCM).

8. REMOVE SCREW FROM HVAC DUCT SUPPORT BRACKET AND PUSH THE DUCT FORWARD IN VEHICLE TO INCREASE CLEARANCE.

9. REMOVE THE FLASHER MODULE FROM THE BRACKET. (TWIST MODULE TO AID IN REMOVAL; BREAKAGE OF THE TAB ON MODULE MAY BE NECESSARY.)

MODIFY

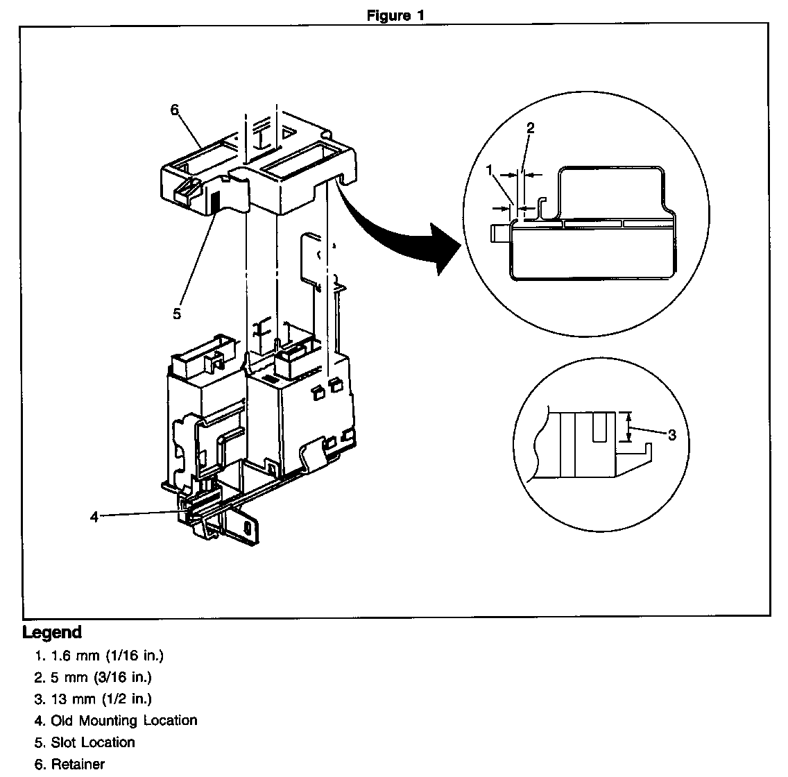
1. MEASURE AND DRAW OUT DIMENSIONS SHOWN IN THE ILLUSTRATION.

2. USING A UTILITY KNIFE OR SIMILAR CUTTING TOOL, CUT OUT SLOT IN MODULE RETAINER.

3. TEST THE FIT OF THE FLASHER MODULE IN THE SLOT. ADJUST SIZE OF SLOT TO ALLOW THE FLASHER MODULE TO FIT SNUG BUT NOT OVER TIGHT.

INSTALL OR CONNECT

1. INSTALL THE HVAC DUCT SUPPORT BRACKET SCREW TO THE CROSS CAR BEAM.

2. INSTALL THE PDM AND THE LCM INTO BRACKET.

3. CONNECT THE ELECTRICAL CONNECTOR TO THE FLASHER MODULE.

4. ALIGN THE MODULE RETAINER TO THE MODULE BRACKET BUT DO NOT FULLY INSTALL.

5. SLIDE THE FLASHER MODULE INTO THE SLOT IN THE MODULE RETAINER.

6. PUSH ON THE MODULE RETAINER TO ENGAGE LOCKING TABS.

7. RECONNECT THE PDM AND LCM ELECTRICAL CONNECTIONS.

8. INSTALL IN-CAR TEMP DUCT MUFFLER TO HVAC CASE.

9. LOWER END OF IN-CAR TEMP TEMPERATURE DUCT TO MUFFLER BY PUSHING ON UNTIL SEATED.

10. BRAKE SWITCHES TO BRAKE PEDAL BRACKET. REFER TO BRAKES IN THE SERVICE MANUAL.

11. LEFT SOUND INSULATOR, (2) SCREWS AND (2) ELECTRICAL CONNECTIONS.

FIGURES: 01 ATTACHMENTS: 00

FIGURE 1: 1. 1.6 MM (1/16 IN.) 2. 5 MM (3/16 IN.) 3. 13 MM (1/2 IN.) 4. OLD MOUNTING LOCATION 5. SLOT LOCATION 6. RETAINER


Object Number: 169655  Size: FS

GENERAL MOTORS BULLETINS ARE INTENDED FOR USE BY PROFESSIONAL TECHNICIANS, NOT A "DO-IT-YOURSELFER". THEY ARE WRITTEN TO INFORM THOSE TECHNICIANS OF CONDITIONS THAT MAY OCCUR ON SOME VEHICLES, OR TO PROVIDE INFORMATION THAT COULD ASSIST IN THE PROPER SERVICE OF A VEHICLE. PROPERLY TRAINED TECHNICIANS HAVE THE EQUIPMENT, TOOLS, SAFETY INSTRUCTIONS AND KNOW-HOW TO DO A JOB PROPERLY AND SAFELY. IF A CONDITION IS DESCRIBED, DO NOT ASSUME THAT THE BULLETIN APPLIES TO YOUR VEHICLE, OR THAT YOUR VEHICLE WILL HAVE THAT CONDITION. SEE A GENERAL MOTORS DEALER SERVICING YOUR BRAND OF GENERAL MOTORS VEHICLE FOR INFORMATION ON WHETHER YOUR VEHICLE MAY BENEFIT FROM THE INFORMATION.

COPYRIGHT 1997 GENERAL MOTORS CORPORATION. ALL RIGHTS RESERVED.