GM Service Manual Online
For 1990-2009 cars only

SMU-SECTION 9J-SIR SYSTEM REV. TEXT, TABLES & SCHEMATICS

SUBJECT: SERVICE MANUAL UPDATE - SECTION 9J - SIR SYSTEM - REVISED TEXT, TABLES, AND SCHEMATIC FOR DTC'S B1124 AND B1125

MODELS: 1997 BUICK PARK AVENUE

THIS BULLETIN IS BEING ISSUED TO REVISE THE TEXT, TABLES, AND SCHEMATIC FOR DTC'S B1124 (DRIVER OR PASSENGER DEPLOYMENT LOOP SHORT TO GROUND) AND B1125 (DRIVER OR PASSENGER DEPLOYMENT LOOP SHORT TO VOLTAGE) IN SECTION 9J OF THE SERVICE MANUAL.

DTC B1124 - DRIVER OR PASSENGER DEPLOYMENT LOOP SHORT TO GROUND

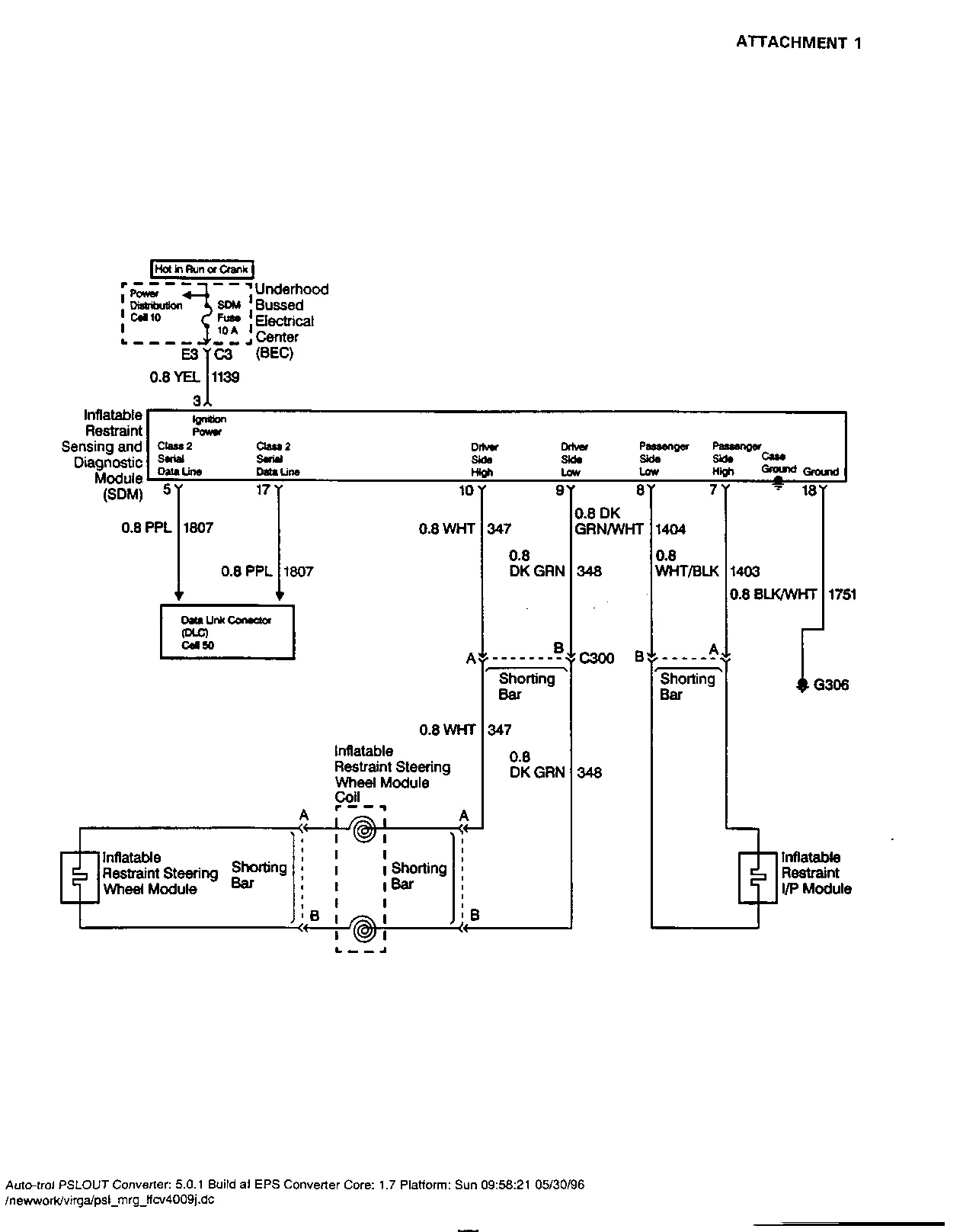
CIRCUIT DESCRIPTION (SEE ATTACHMENT 1)

WHEN YOU FIRST TURN THE IGNITION SWITCH TO RUN, THE INFLATABLE RESTRAINT SENSING AND DIAGNOSTIC MODULE (SDM) PERFORMS TESTS TO DIAGNOSE CRITICAL MALFUNCTIONS WITHIN ITSELF. UPON PASSING THESE TESTS, IGNITION 1, 23 VLR, AND DEPLOYMENT LOOP VOLTAGES ARE MEASURED TO MAKE SURE THEY ARE WITHIN THEIR RESPECTIVE NORMAL VOLTAGE RANGES. THE SDM MONITORS THE VOLTAGES AT DRIVER SIDE LOW TERMINAL 9 AND PASSENGER SIDE LOW TERMINAL 8 TO DETECT SHORTS TO GROUND IN THE INFLATOR MODULE CIRCUITS.

CONDITIONS FOR SETTING THE DTC

O THE DRIVER DEPLOYMENT LOOP IS NOT OPEN. O THE PASSENGER DEPLOYMENT LOOP IS NOT OPEN. O THE VOLTAGE AT DRIVER SIDE LOW TERMINAL 9 OR PASSENGER SIDE LOW TERMINAL 8 IS LESS THAN 2.2 VOLTS FOR 500 MILLISECONDS.

THE FOLLOWING TESTS CHECK FOR THIS DTC. THESE TESTS OCCUR WHEN IGNITION 1 IS WITHIN THE NORMAL OPERATING VOLTAGE RANGE.

O POWER-ON - WHEN THE MALFUNCTION IS DETECTED IN THIS TEST, THE RESISTANCE MEASUREMENT TEST WILL NOT BE PERFORMED. O CONTINUOUS MONITORING.

ACTION TAKEN WHEN THE DTC SETS

O THE SDM SETS A DIAGNOSTIC TROUBLE CODE. O THE SDM COMMANDS THE INSTRUMENT PANEL CLUSTER (IPC) TO TURN ON THE AIR BAG WARNING LAMP.

CONDITIONS FOR CLEARING THE DTC

O THE VOLTAGE MEASURED AT DRIVER SIDE LOW AND PASSENGER SIDE LOW IS ABOVE 2.2 VOLTS FOR 500 MILLISECONDS. O THE IGNITION SWITCH IS TURNED OFF.

DIAGNOSTIC AIDS

AN INTERMITTENT CONDITION IS LIKELY TO BE CAUSED BY A SHORT TO GROUND IN THE DRIVER OR PASSENGER INFLATOR MODULE CIRCUIT. MOVING WIRES WHILE MONITORING DRIVER SENSELO OR PASSENGER SENSELO MAY HELP LOCATE THE MALFUNCTION. INSPECT CKT'S 347, 348, 1403 AND 1404 CAREFULLY FOR CUTTING OR CHAFING. THE DIAGNOSTIC TABLE DIRECTS THE TECHNICIAN TO NOTE THE ENTRY VALUE OF DRIVER AND PASSENGER SENSELO. NOTING THE VALUE OF DRIVER AND PASSENGER SENSELO CAN BE HELPFUL IN DETERMINING IF AN INTERMITTENT CONDITION EXISTS. AN INTERMITTENT OPEN IN THE INFLATABLE RESTRAINT STEERING WHEEL MODULE COIL COULD ALSO SET THIS DTC. TO TEST FOR A BAD INFLATABLE RESTRAINT STEERING WHEEL MODULE COIL, MONITOR DRIVER SENSELO WHILE YOU TURN THE STEERING WHEEL BACK AND FORTH WITH THE IGNITION SWITCH IN THE RUN POSITION. IF DRIVER SENSELO CHANGES WHILE YOU ARE TURNING THE STEERING WHEEL, IT IS LIKELY THE INFLATABLE RESTRAINT STEERING WHEEL COIL IS MALFUNCTIONING.

DTC TABLE TEST DESCRIPTION

NUMBERS BELOW REFER TO STEP NUMBERS ON THE DIAGNOSTIC TABLE (SEE ATTACHMENTS 2 - 4).

2. THIS TEST DETERMINES THE DRIVER SIDE LOW VOLTAGE MEASURED BY THE SDM AND IF THE MALFUNCTION IS OCCURRING NOW. 3. THIS TEST ISOLATES THE MALFUNCTION TO ONE SIDE OF THE INFLATABLE RESTRAINT STEERING WHEEL MODULE YELLOW 2-WAY CONNECTOR. 4. THIS TEST DETERMINES WHETHER THE MALFUNCTION IS IN THE INFLATABLE RESTRAINT STEERING WHEEL MODULE COIL OR THE INFLATABLE RESTRAINT STEERING WHEEL MODULE. 7. THIS TEST DETERMINES WHETHER THE MALFUNCTION IS IN CKT 347. 9. THIS TEST DETERMINES WHETHER THE MALFUNCTION IS IN CKT 348. 11. THIS TEST ISOLATES THE MALFUNCTION TO ONE SIDE OF THE INFLATABLE RESTRAINT I/P MODULE, YELLOW 2-WAY CONNECTOR. 13. THIS TEST DETERMINES WHETHER THE MALFUNCTION IS IN CKT 1403. 15. THIS TEST DETERMINES WHETHER THE MALFUNCTION IS IN CKT 1404.

DTC B1125 - DRIVER OR PASSENGER DEPLOYMENT LOOP SHORT TO VOLTAGE

CIRCUIT DESCRIPTION (SEE ATTACHMENT 1)

WHEN YOU FIRST TURN THE IGNITION SWITCH TO RUN, THE INFLATABLE RESTRAINT SENSING AND DIAGNOSTIC MODULE (SDM) PERFORMS TESTS TO DIAGNOSE CRITICAL MALFUNCTIONS WITHIN ITSELF. UPON PASSING THESE TESTS, IGNITION 1, 23 VLR, AND DEPLOYMENT LOOP VOLTAGES ARE MEASURED TO MAKE SURE THEY ARE WITHIN THEIR RESPECTIVE NORMAL VOLTAGE RANGES. THE SDM MONITORS THE VOLTAGES AT DRIVER SIDE LOW TERMINAL 9 AND PASSENGER SIDE LOW TERMINAL 8 TO DETECT SHORTS TO VOLTAGE IN THE INFLATOR MODULE CIRCUITS.

CONDITIONS FOR SETTING THE DTC

THE VOLTAGE AT DRIVER SIDE LOW TERMINAL 9 OR PASSENGER SIDE LOW TERMINAL 8 IS MORE THAN 4.0 VOLTS FOR 500 MILLISECONDS.

THE FOLLOWING TESTS CHECK FOR THIS DTC. THESE TESTS OCCUR WHEN IGNITION 1 IS WITHIN THE NORMAL OPERATING VOLTAGE RANGE.

O POWER-ON - WHEN THE MALFUNCTION IS DETECTED IN THIS TEST, THE RESISTANCE MEASUREMENT TEST WILL NOT BE PERFORMED. O CONTINUOUS MONITORING.

ACTION TAKEN WHEN THE DTC SETS

O THE SDM SETS DTC B1125 AND ALSO B1171. O THE SDM COMMANDS THE INSTRUMENT PANEL CLUSTER (IPC) TO TURN ON THE AIR BAG WARNING LAMP.

CONDITIONS FOR CLEARING THE DTC

O THE VOLTAGE MEASURED AT DRIVER SIDE LOW AND PASSENGER SIDE LOW IS BELOW 4.0 VOLTS FOR 500 MILLISECONDS. O THE IGNITION SWITCH IS TURNED OFF. DTC B1171 WILL REMAIN CURRENT.

DIAGNOSTIC AIDS

AN INTERMITTENT CONDITION IS LIKELY TO BE CAUSED BY A SHORT TO VOLTAGE IN THE DRIVER OR PASSENGER INFLATOR MODULE CIRCUIT. MOVING WIRES WHILE MONITORING DRIVER SENSELO OR PASSENGER SENSELO MAY HELP LOCATE THE MALFUNCTION. INSPECT CKT'S 347, 348, 1403 AND 1404 CAREFULLY FOR CUTTING OR CHAFING. A CAREFUL INSPECTION OF THE CIRCUITS AND COMPONENTS INDICATED ON THE DTC B1125 TABLE IS ESSENTIAL TO MAKE SURE THAT THE REPLACEMENT SDM WILL NOT BE DAMAGED. THE DIAGNOSTIC TABLE DIRECTS THE TECHNICIAN TO NOTE THE ENTRY VALUE OF DRIVER AND PASSENGER SENSELO. COMPARING THE VALUE OF DRIVER AND PASSENGER SENSELO CAN BE HELPFUL IN DETERMINING IF AN INTERMITTENT CONDITION EXISTS.

DTC TABLE TEST DESCRIPTION

NUMBERS BELOW REFER TO STEP NUMBERS ON THE DIAGNOSTIC TABLE (SEE ATTACHMENTS 5 - 7).

2. THIS TEST DETERMINES THE VOLTAGE AT DRIVER SIDE LOW AS MEASURED BY THE INFLATABLE RESTRAINT SENSING AND DIAGNOSTIC MODULE (SDM) AND IF THE MALFUNCTION IS OCCURRING NOW. 3. THIS TEST ISOLATES THE MALFUNCTION TO ONE SIDE OF THE INFLATABLE RESTRAINT STEERING WHEEL MODULE YELLOW 2-WAY CONNECTOR. THIS IS DONE BY SUBSTITUTING THE KNOWN GOOD RESISTANCE OF THE LOAD TOOL AND THEN OBSERVING IF THE MALFUNCTION IS STILL PRESENT. 4. THIS TEST DETERMINES WHETHER THE MALFUNCTION IS IN THE INFLATABLE RESTRAINT STEERING WHEEL MODULE COIL OR THE INFLATABLE RESTRAINT STEERING WHEEL MODULE. 7. THIS TEST DETERMINES WHETHER THE MALFUNCTION IS IN CKT 347. 9. THIS TEST DETERMINES WHETHER THE MALFUNCTION IS IN CKT 348. 11. THIS TEST ISOLATES THE MALFUNCTION TO ONE SIDE OF THE INFLATABLE RESTRAINT I/P MODULE, YELLOW 2-WAY CONNECTOR. 13. THIS TEST DETERMINES WHETHER THE MALFUNCTION IS IN CKT 1403. 15. THIS TEST DETERMINES WHETHER THE MALFUNCTION IS IN CKT 1404.

FIGURES: 00 ATTACHMENTS: 07


Object Number: 169553  Size: FS


Object Number: 169554  Size: FS


Object Number: 169555  Size: FS


Object Number: 169556  Size: FS


Object Number: 169557  Size: FS


Object Number: 169558  Size: FS


Object Number: 169559  Size: FS

GENERAL MOTORS BULLETINS ARE INTENDED FOR USE BY PROFESSIONAL TECHNICIANS, NOT A "DO-IT-YOURSELFER". THEY ARE WRITTEN TO INFORM THOSE TECHNICIANS OF CONDITIONS THAT MAY OCCUR ON SOME VEHICLES, OR TO PROVIDE INFORMATION THAT COULD ASSIST IN THE PROPER SERVICE OF A VEHICLE. PROPERLY TRAINED TECHNICIANS HAVE THE EQUIPMENT, TOOLS, SAFETY INSTRUCTIONS AND KNOW-HOW TO DO A JOB PROPERLY AND SAFELY. IF A CONDITION IS DESCRIBED, DO NOT ASSUME THAT THE BULLETIN APPLIES TO YOUR VEHICLE, OR THAT YOUR VEHICLE WILL HAVE THAT CONDITION. SEE A GENERAL MOTORS DEALER SERVICING YOUR BRAND OF GENERAL MOTORS VEHICLE FOR INFORMATION ON WHETHER YOUR VEHICLE MAY BENEFIT FROM THE INFORMATION.

COPYRIGHT 1997 GENERAL MOTORS CORPORATION. ALL RIGHTS RESERVED.