GM Service Manual Online
For 1990-2009 cars only

SMU-SECTION 6E-ENGINE CONTROLS REV. DTC P0441 EVAP

SUBJECT: SERVICE MANUAL UPDATE - SECTION 6E - ENGINE CONTROLS REVISED DTC P0441 EVAP SYSTEM NO FLOW DURING PURGE, DTC P1654 A/C RELAY CONTROL CIRCUIT AND PCM CONTROLLED AIR CONDITIONING

MODELS: 1997 BUICK PARK AVENUE WITH 3.8L ENGINE (VINS K, 1 - RPOS L36, L67)

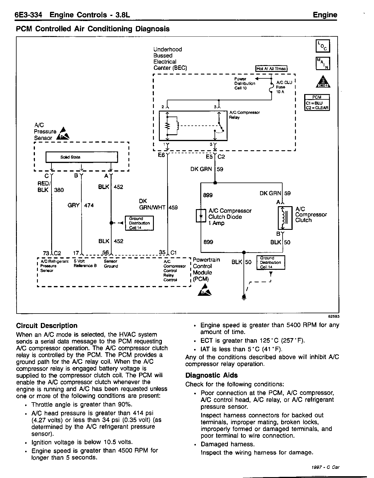
THIS BULLETIN IS BEING ISSUED TO INFORM TECHNICIANS OF A REVISION TO THE P0441 EVAP SYSTEM NO FLOW DURING PURGE. THE DTC TABLE WAS REVISED. ALSO THE GRAPHIC IN THE DTC P1654 A/C RELAY CONTROL CIRCUIT AND THE PCM CONTROLLED AIR CONDITIONING DIAGNOSIS NEEDS TO BE REPLACED WITH THE REVISED GRAPHIC.

FIGURES: 00 ATTACHMENTS: 14


Object Number: 169662  Size: FS


Object Number: 169663  Size: FS


Object Number: 169664  Size: FS


Object Number: 169665  Size: FS


Object Number: 169666  Size: FS


Object Number: 169667  Size: FS


Object Number: 169668  Size: FS


Object Number: 169669  Size: FS


Object Number: 169670  Size: FS


Object Number: 169671  Size: FS


Object Number: 169672  Size: FS


Object Number: 169673  Size: FS


Object Number: 169674  Size: FS


Object Number: 169675  Size: FS

GENERAL MOTORS BULLETINS ARE INTENDED FOR USE BY PROFESSIONAL TECHNICIANS, NOT A "DO-IT-YOURSELFER". THEY ARE WRITTEN TO INFORM THOSE TECHNICIANS OF CONDITIONS THAT MAY OCCUR ON SOME VEHICLES, OR TO PROVIDE INFORMATION THAT COULD ASSIST IN THE PROPER SERVICE OF A VEHICLE. PROPERLY TRAINED TECHNICIANS HAVE THE EQUIPMENT, TOOLS, SAFETY INSTRUCTIONS AND KNOW-HOW TO DO A JOB PROPERLY AND SAFELY. IF A CONDITION IS DESCRIBED, DO NOT ASSUME THAT THE BULLETIN APPLIES TO YOUR VEHICLE, OR THAT YOUR VEHICLE WILL HAVE THAT CONDITION. SEE A GENERAL MOTORS DEALER SERVICING YOUR BRAND OF GENERAL MOTORS VEHICLE FOR INFORMATION ON WHETHER YOUR VEHICLE MAY BENEFIT FROM THE INFORMATION.

COPYRIGHT 1997 GENERAL MOTORS CORPORATION. ALL RIGHTS RESERVED.