GM Service Manual Online
For 1990-2009 cars only
Makes
🢒
Buick
🢒
1998
🢒
Park Avenue
🢒
Engine
🢒
Engine Cooling
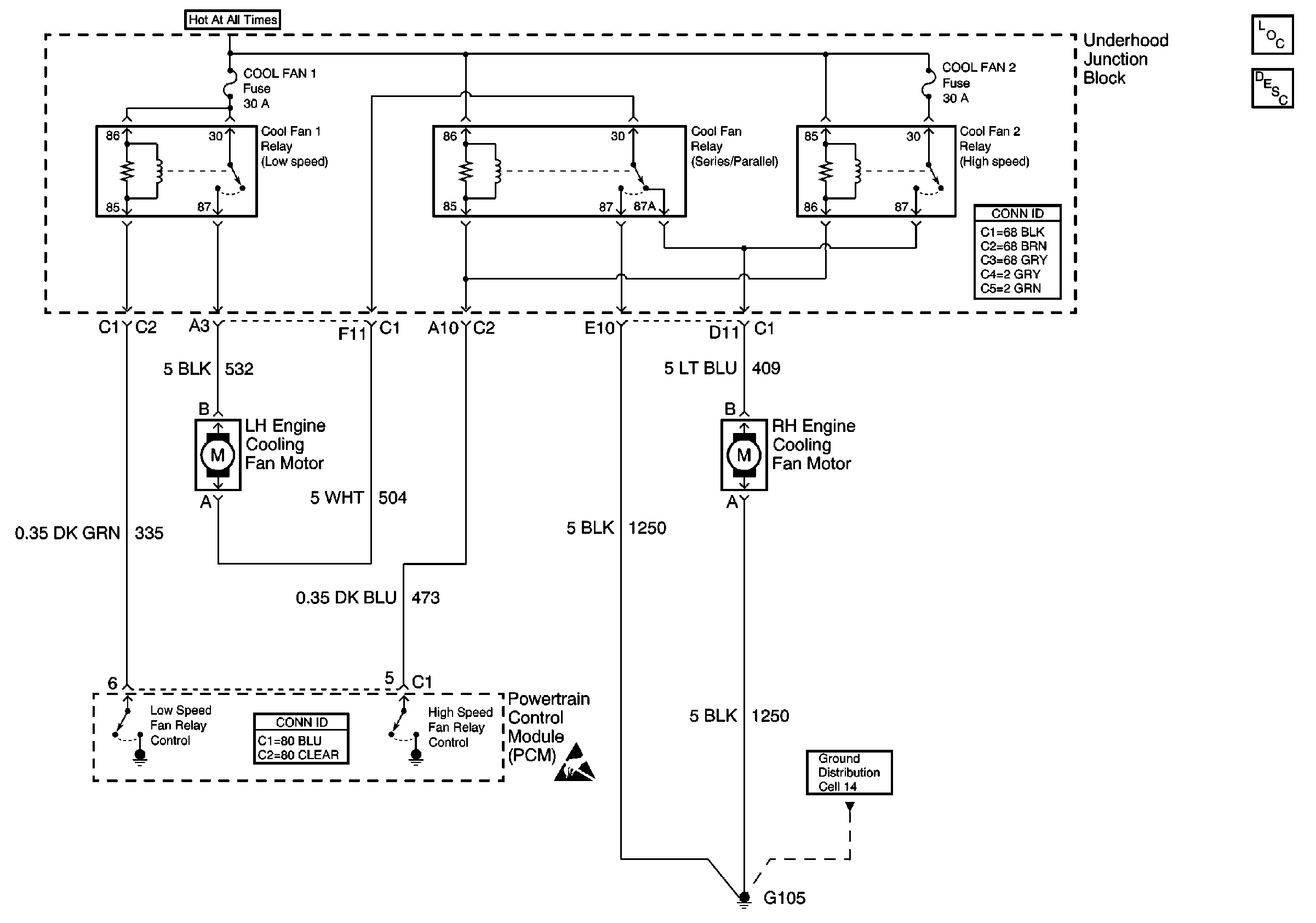
🢒 Cooling Fan Schematics
Cell 31: Engine Cooling
Cooling System Components
Cooling System Description
Handling ESD Sensitive Parts Notice
Powertrain Control Module Connector End Views
Ground Distribution Schematics
Power and Grounding Connector End Views