GM Service Manual Online
For 1990-2009 cars only
Makes
🢒
Buick
🢒
1998
🢒
Park Avenue
🢒
Engine
🢒
Engine Electrical
🢒 Starting and Charging Schematics
Figure
1:
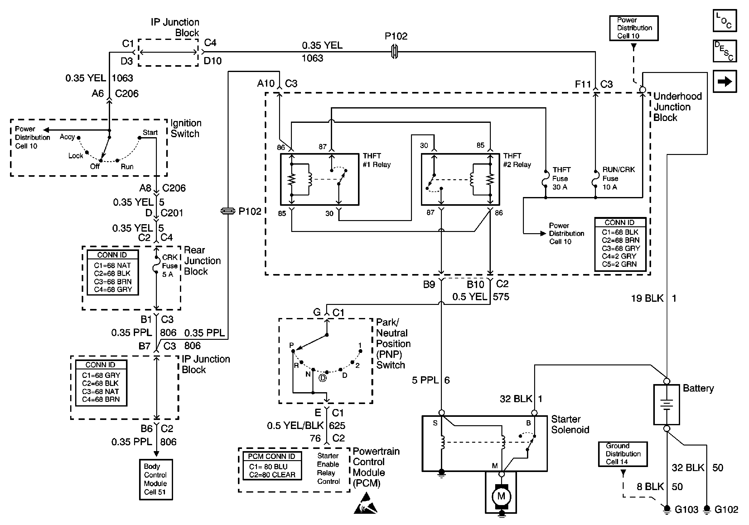
Cell 30: Starter and Battery
Engine Electrical Components
Starting System Circuit Description
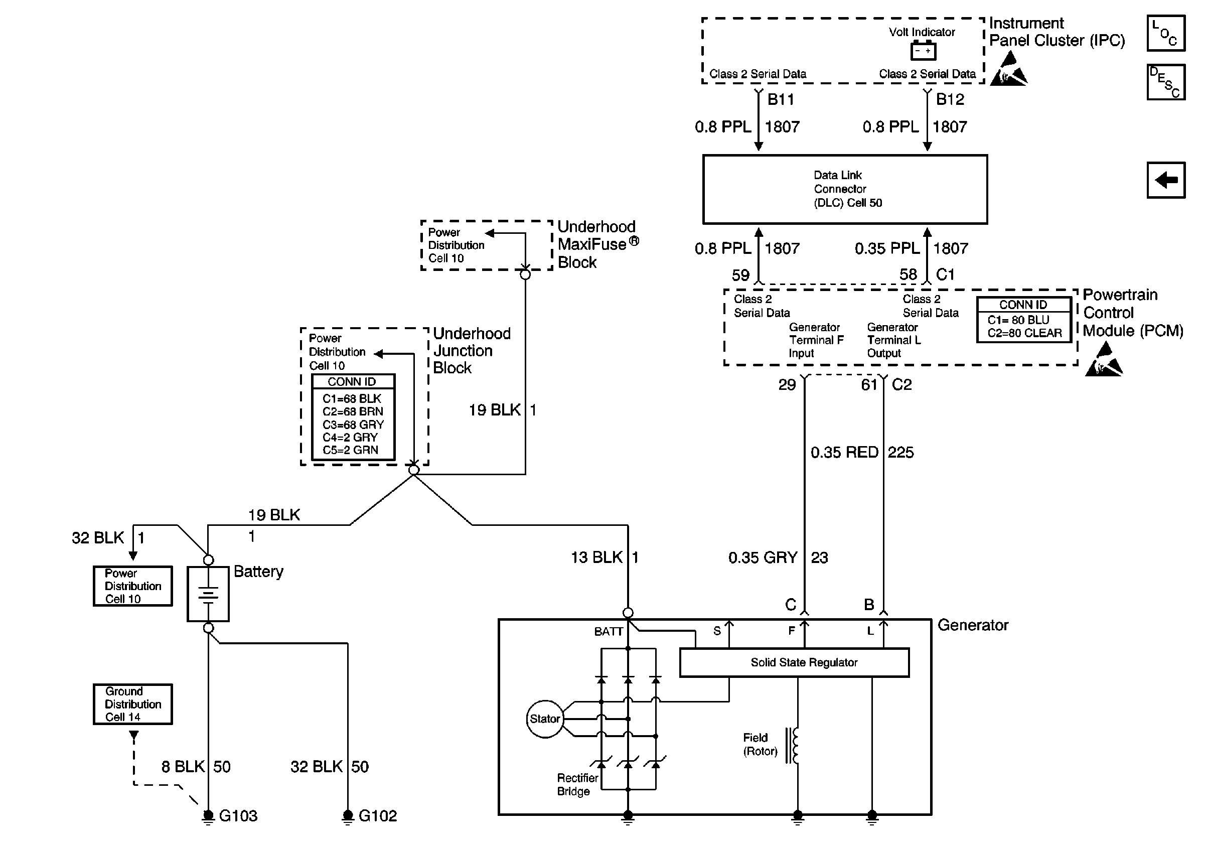
Cell 30: Generator
OBD II Symbol Description Notice
Handling ESD Sensitive Parts Notice
Engine Electrical Schematic References
Engine Electrical Schematic References
Engine Electrical Schematic References
Engine Electrical Schematic References
Engine Electrical Schematic References
Powertrain Control Module Connector End Views
Figure
2:
Cell 30: Generator
Engine Electrical Components
Charging System Circuit Description
Cell 30: Starter and Battery
OBD II Symbol Description Notice
Handling ESD Sensitive Parts Notice
Handling ESD Sensitive Parts Notice
Engine Electrical Schematic References
Engine Electrical Schematic References
Engine Electrical Schematic References
Engine Electrical Schematic References
Engine Electrical Schematic References
Powertrain Control Module Connector End Views