GM Service Manual Online
For 1990-2009 cars only

    Object Number: 188142  Size: SH
  1. Remove the key from the ignition switch.
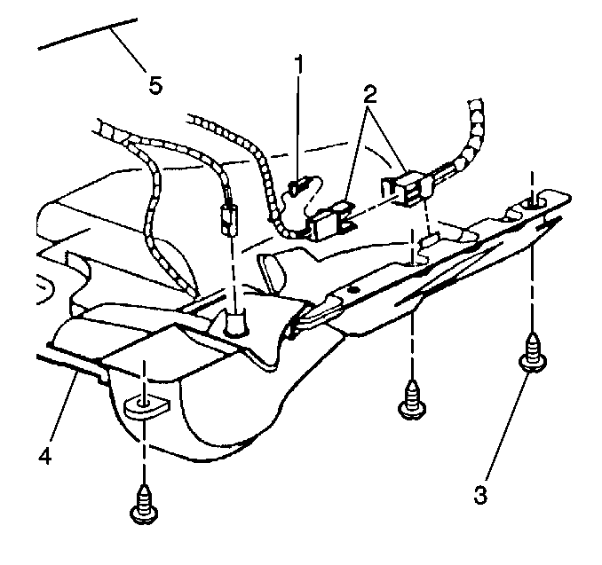
  2. Connect the inflatable restraint IP module yellow 2-way connector (2) located above the sound insulator-RH (4).

  3. Object Number: 142202  Size: SH
  4. Install the Connector Position Assurance (CPA) (2) to the inflatable restraint IP module yellow 2-way connector (1) located above the sound insulator-RH.
  5. Install the sound insulator-RH. Refer to Instrument Panel, Gauges, and Console.

  6. Object Number: 188162  Size: SH
  7. Connect the inflatable restraint steering wheel yellow 2-way connector (1) located near the base of the steering column.

  8. Object Number: 188147  Size: SH
  9. Install the Connector Position Assurance (CPA) (2) to the inflatable restraint steering wheel yellow 2-way connector (1) located near the base of the steering column.
  10. Install the sound insulator-LH (3). Refer to Instrument Panel, Gauges, and Console.

  11. Object Number: 575663  Size: SH
  12. Install the SDM Fuse to the underhood bussed electrical center.
  13. Staying well away from both air bags, turn the ignition switch to the RUN position.
  14. 9.1. The AIR BAG warning lamp will flash seven times.
    9.2. The AIR BAG warning lamp will then turn OFF.
  15. Perform the SIR Diagnostic System Check if the AIR BAG warning lamp does not operate as described. Refer to SIR Diagnostic System Check .