GM Service Manual Online
For 1990-2009 cars only
Makes
🢒
Buick
🢒
1998
🢒
Park Avenue
🢒
Body and Accessories
🢒
Wiring Systems
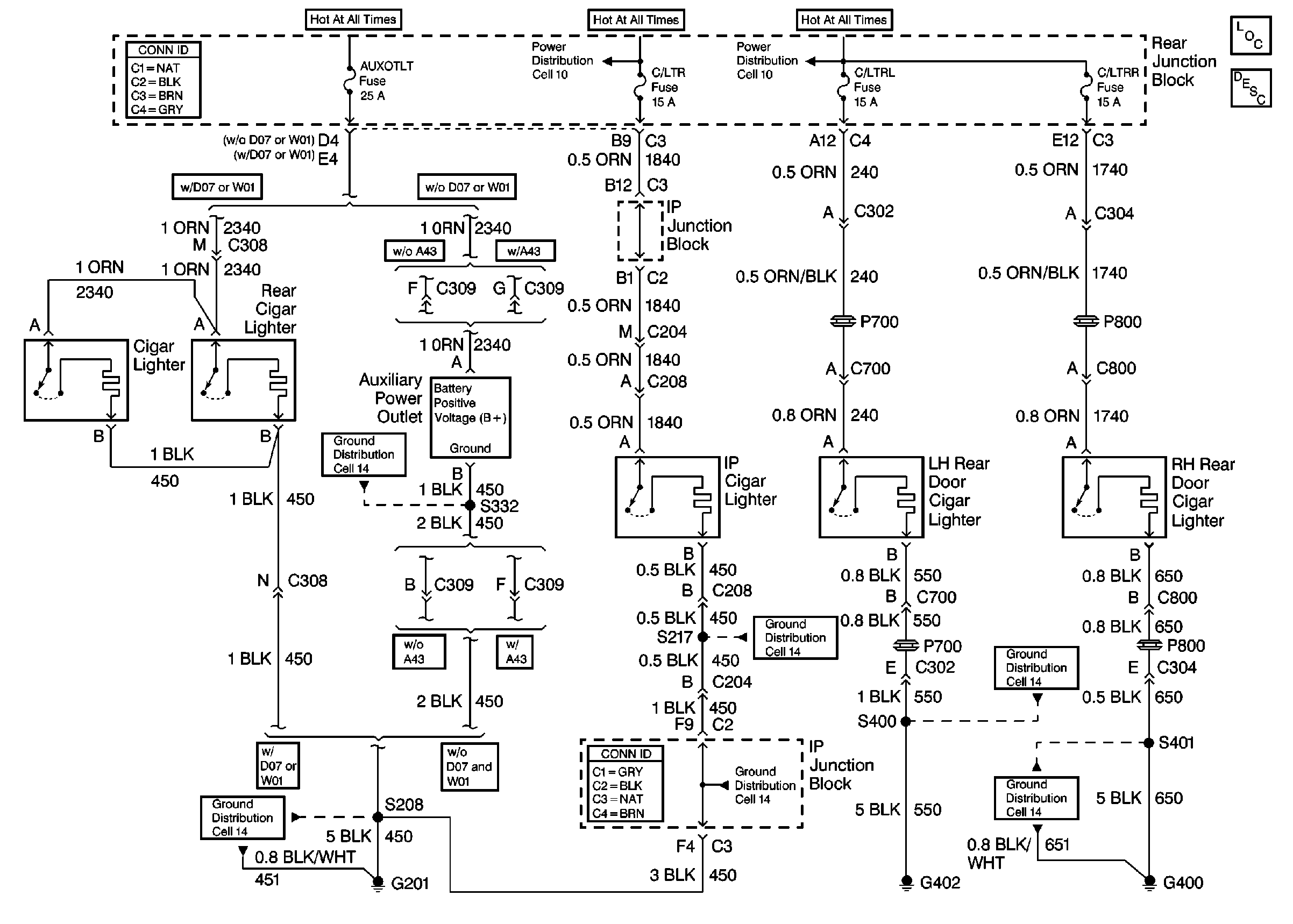
🢒 Cigar Lighter/Power Outlet Schematics
Cell 19
Power and Grounding Components
Ground Distribution Schematics
Ground Distribution Schematics
Ground Distribution Schematics
Ground Distribution Schematics
Power Distribution Schematics
Power Distribution Schematics
Power and Grounding Connector End Views
Power and Grounding Connector End Views
Ground Distribution Schematics
Cigar Lighter/Auxiliary Outlet Circuit Description