GM Service Manual Online
For 1990-2009 cars only
Makes
🢒
Buick
🢒
1998
🢒
Park Avenue
🢒
Body and Accessories
🢒
Roof
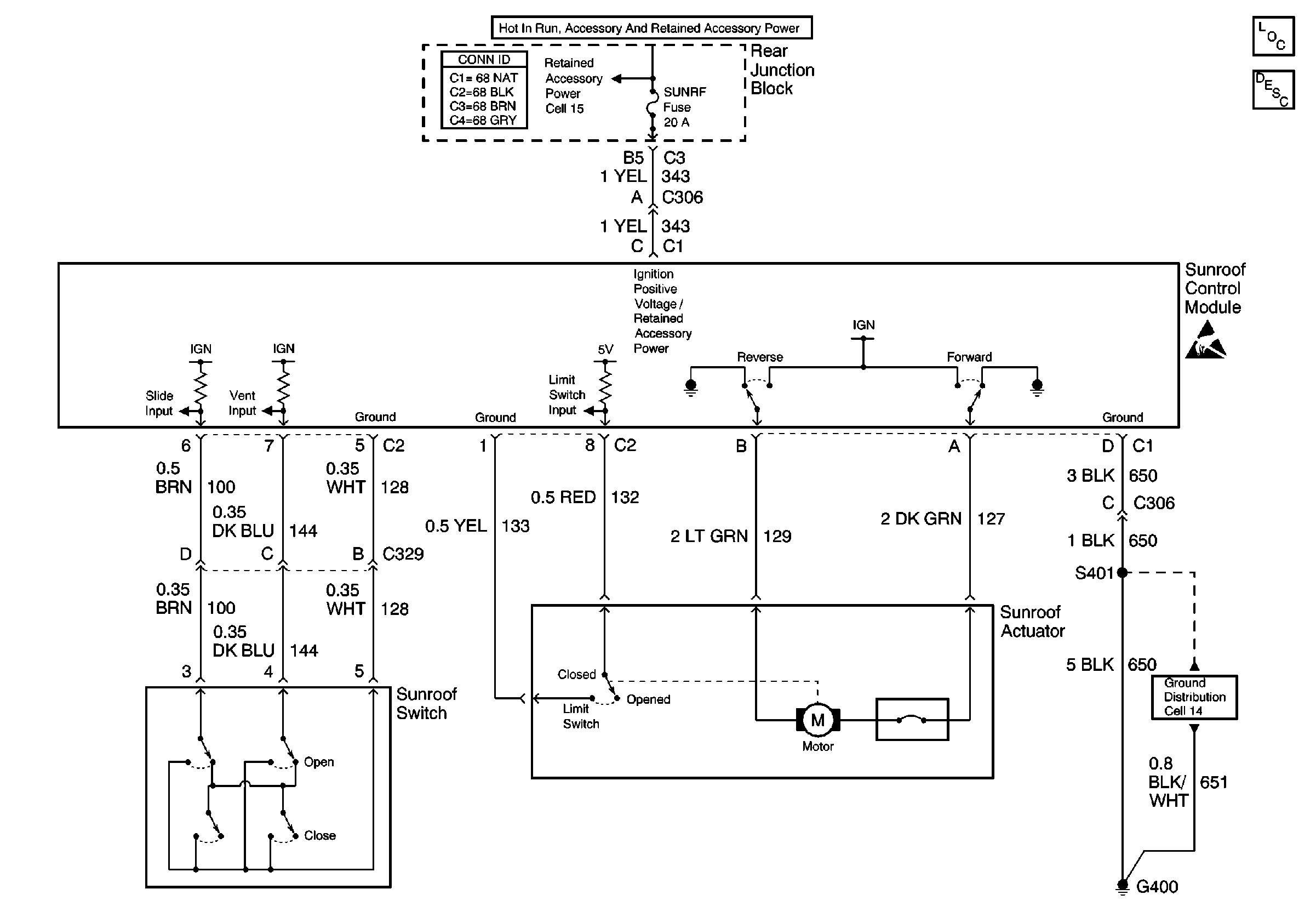
🢒 Sunroof Schematics
Cell 122
Power Roof Systems Components
Power Sunroof Circuit Description
Retained Accessory Power (RAP) Schematics
Handling ESD Sensitive Parts Notice
Ground Distribution Schematics
Power and Grounding Connector End Views