GM Service Manual Online
For 1990-2009 cars only
Makes
🢒
Buick
🢒
1998
🢒
Park Avenue
🢒 Cell 68: Temperature Actuators
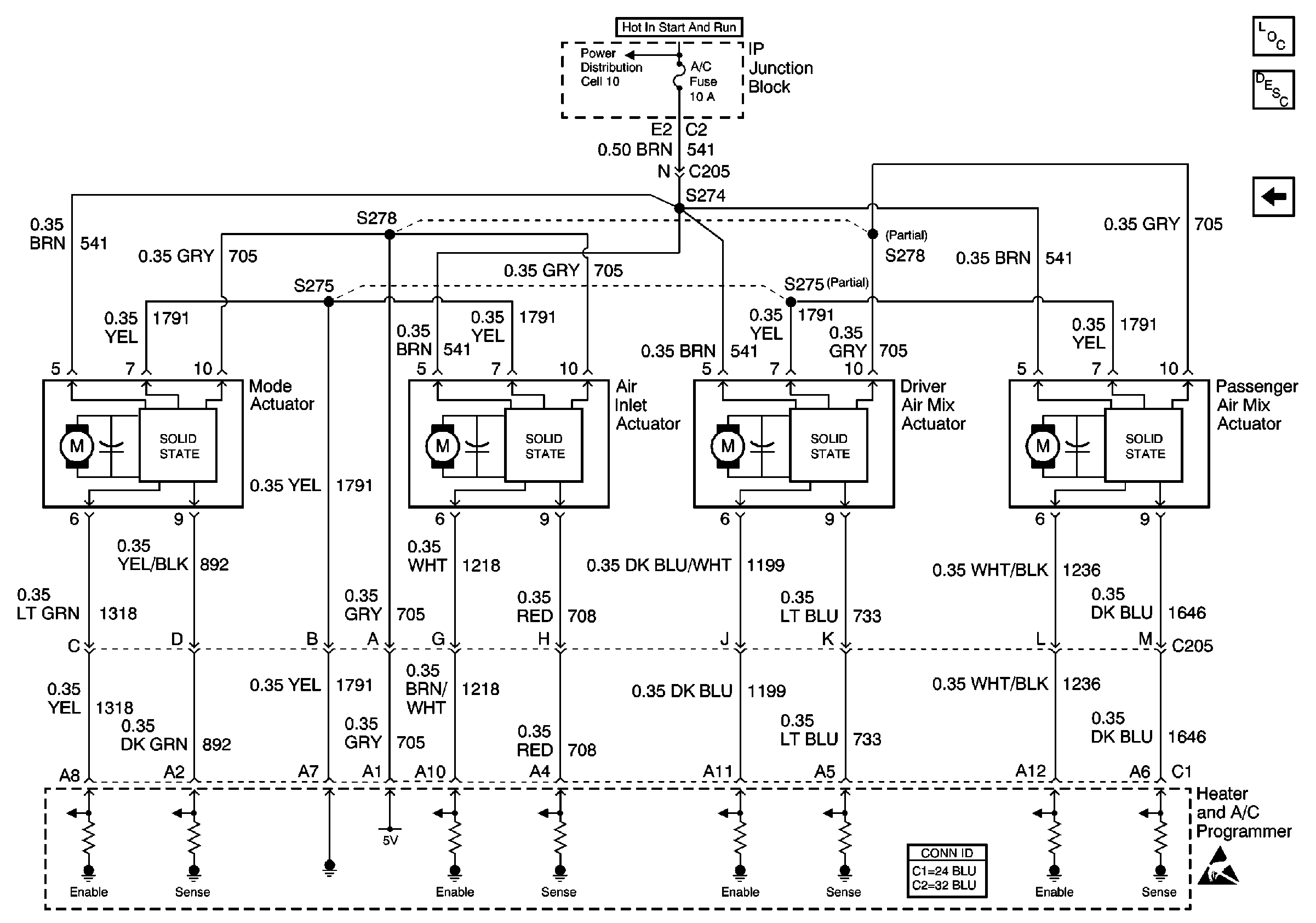
Cell 68: Temperature Actuators
Cell 68: Temperature Actuators
HVAC Components
HVAC Temperature Controls Circuit Description
Cell 68: Temperature Sensors
Handling ESD Sensitive Parts Notice
Cell 10: WSW, WSW/RFA, HUD, ELC, CR CONT, A/C and HVAC Fuses
HVAC Connector End Views