GM Service Manual Online
For 1990-2009 cars only
Makes
🢒
Buick
🢒
1998
🢒
Park Avenue
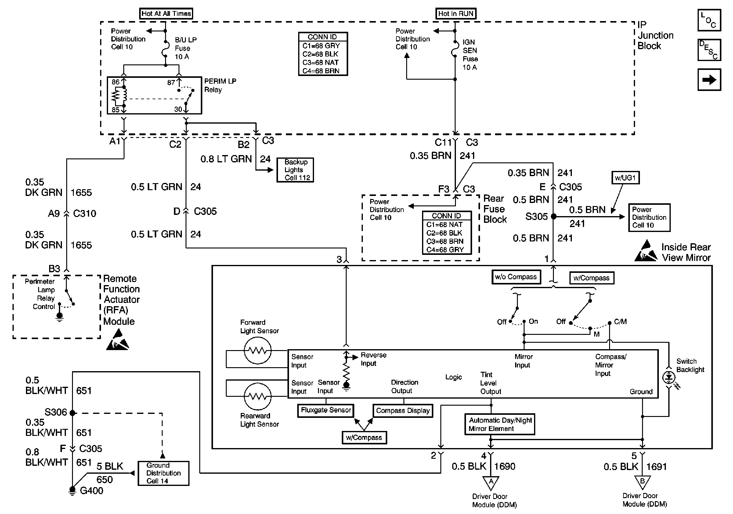
🢒 Cell 148: Inside Rear View Mirror
Cell 148: Inside Rear View Mirror
Cell 148: Inside Rear View Mirror
Stationary Windows Components
Automatic Day-Night Mirrors Circuit Description
Cell 148: Driver Door Module
Cell 10: IGN SEN, ABS, RR DEFOG and AUXOT LT Fuses
Cell 148: Driver Door Module
Cell 148: Driver Door Module
Handling ESD Sensitive Parts Notice
Handling ESD Sensitive Parts Notice
Cell 112
Cell 14: G400 (1 of 2)
Cell 10: LP PK, HZDT/SG, STOP, and B/U LP Fuses
Cell 10: IGN SEN, ABS, RR DEFOG and AUXOT LT Fuses
Cell 10: IGN SEN, ABS, RR DEFOG and AUXOT LT Fuses
Power and Grounding Connector End Views
Power and Grounding Connector End Views