GM Service Manual Online
For 1990-2009 cars only
Makes
🢒
Buick
🢒
1998
🢒
Park Avenue
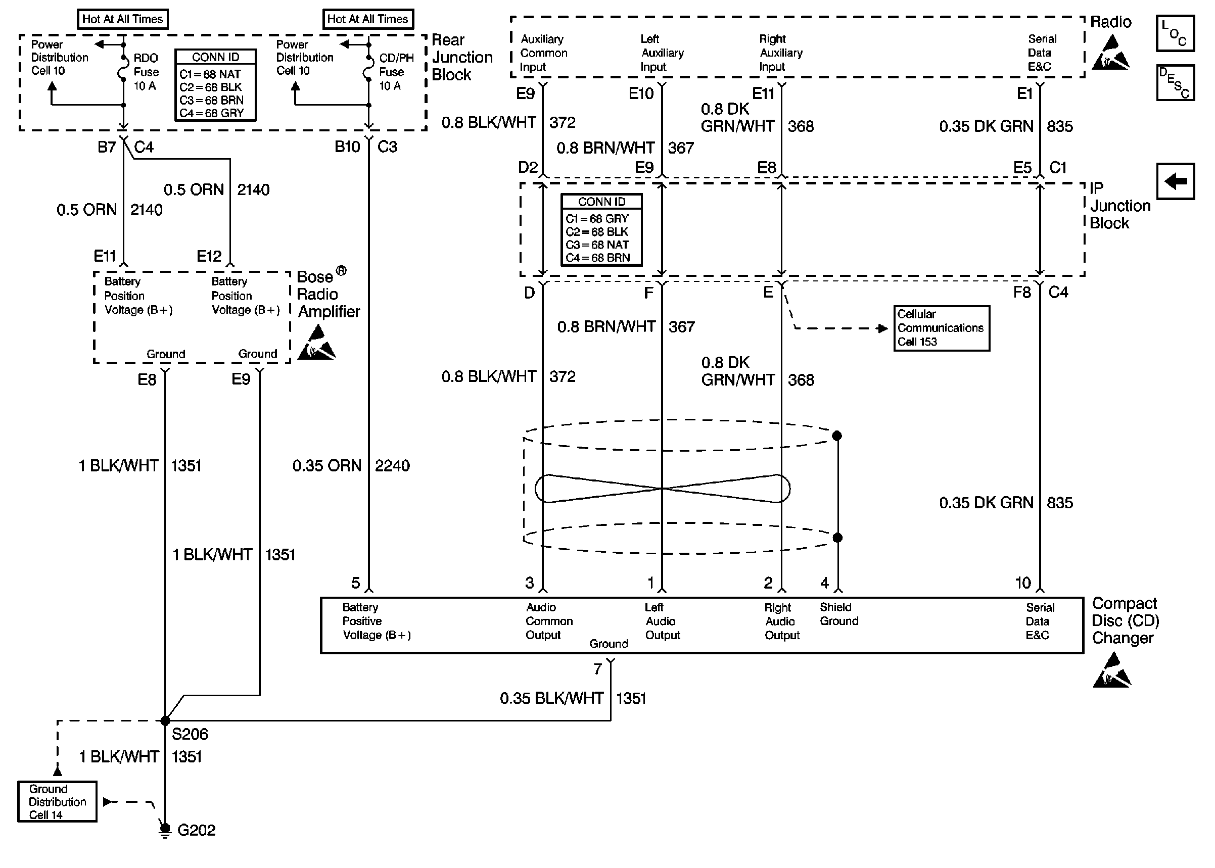
🢒 Cell 150: Compact Disc Changer
Cell 150: Compact Disc Changer
Cell 150: Compact Disc Changer
Entertainment Components
Steering Wheel Controls System Circuit Description
Cell 150: Speakers (w/U99) 2 of 2
Cell 10: RDO, RDO/PH, CD/PH and SWITCH Fuses
Cell 10: RDO, RDO/PH, CD/PH and SWITCH Fuses
Cell 14: G202 (4 of 4)
Cell 153
Handling ESD Sensitive Parts Notice
Handling ESD Sensitive Parts Notice
Handling ESD Sensitive Parts Notice