GM Service Manual Online
For 1990-2009 cars only
Makes
🢒
Buick
🢒
1998
🢒
Park Avenue
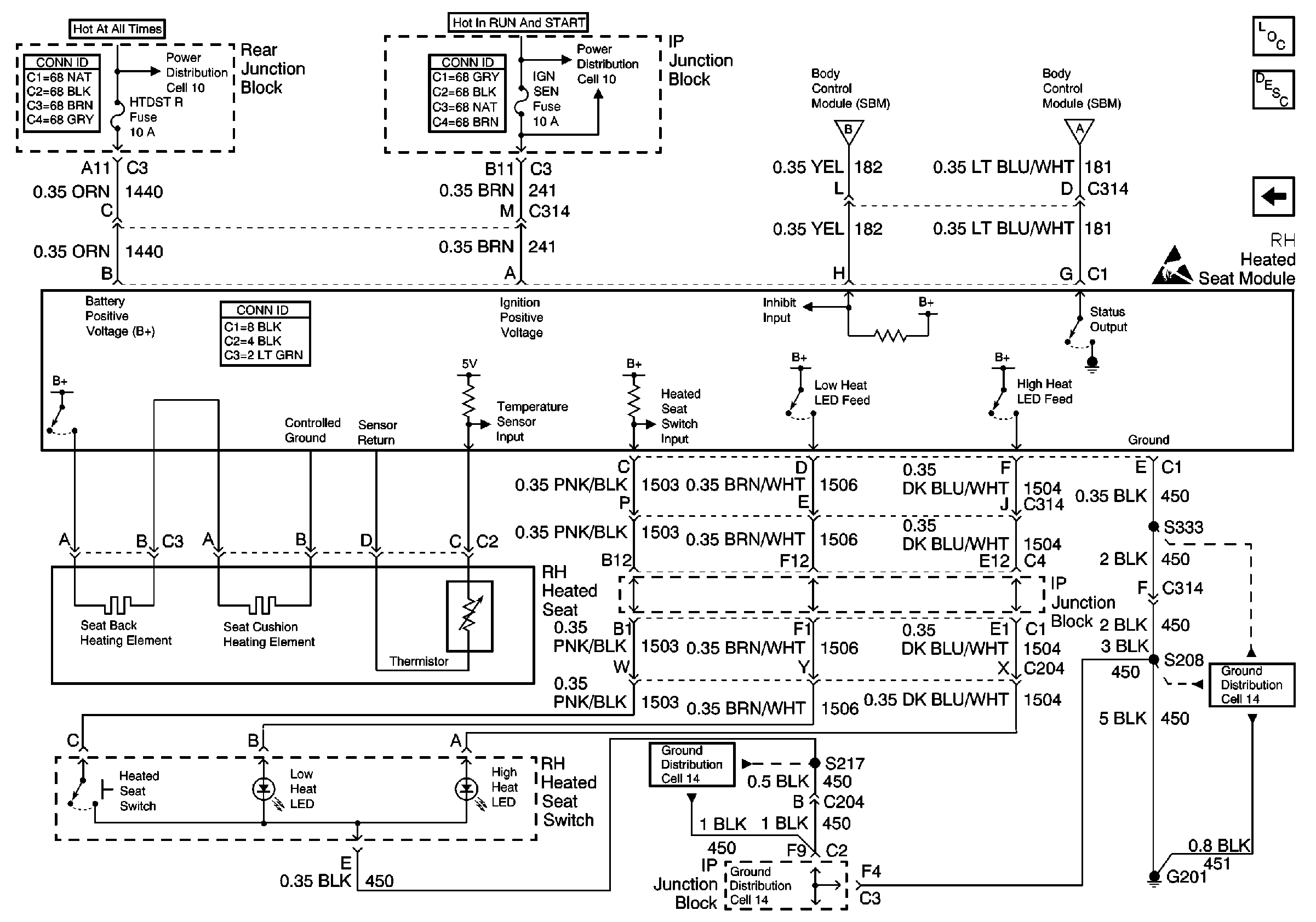
🢒 Cell 143: Right Heated Seat
Cell 143: Right Heated Seat
Cell 143: Right Heated Seat
Power and Grounding Connector End Views
Power and Grounding Connector End Views
Power Seat Connector End Views
Ground Distribution Schematics
Ground Distribution Schematics
Power Distribution Schematics
Power Distribution Schematics
Cell 143: Left Heated Seat
Power Seat Systems Components
Heated Seats Circuit Description
Cell 143: Left Heated Seat
Handling ESD Sensitive Parts Notice
Cell 143: Left Heated Seat
Ground Distribution Schematics