GM Service Manual Online
For 1990-2009 cars only
Makes
🢒
Buick
🢒
1998
🢒
Park Avenue
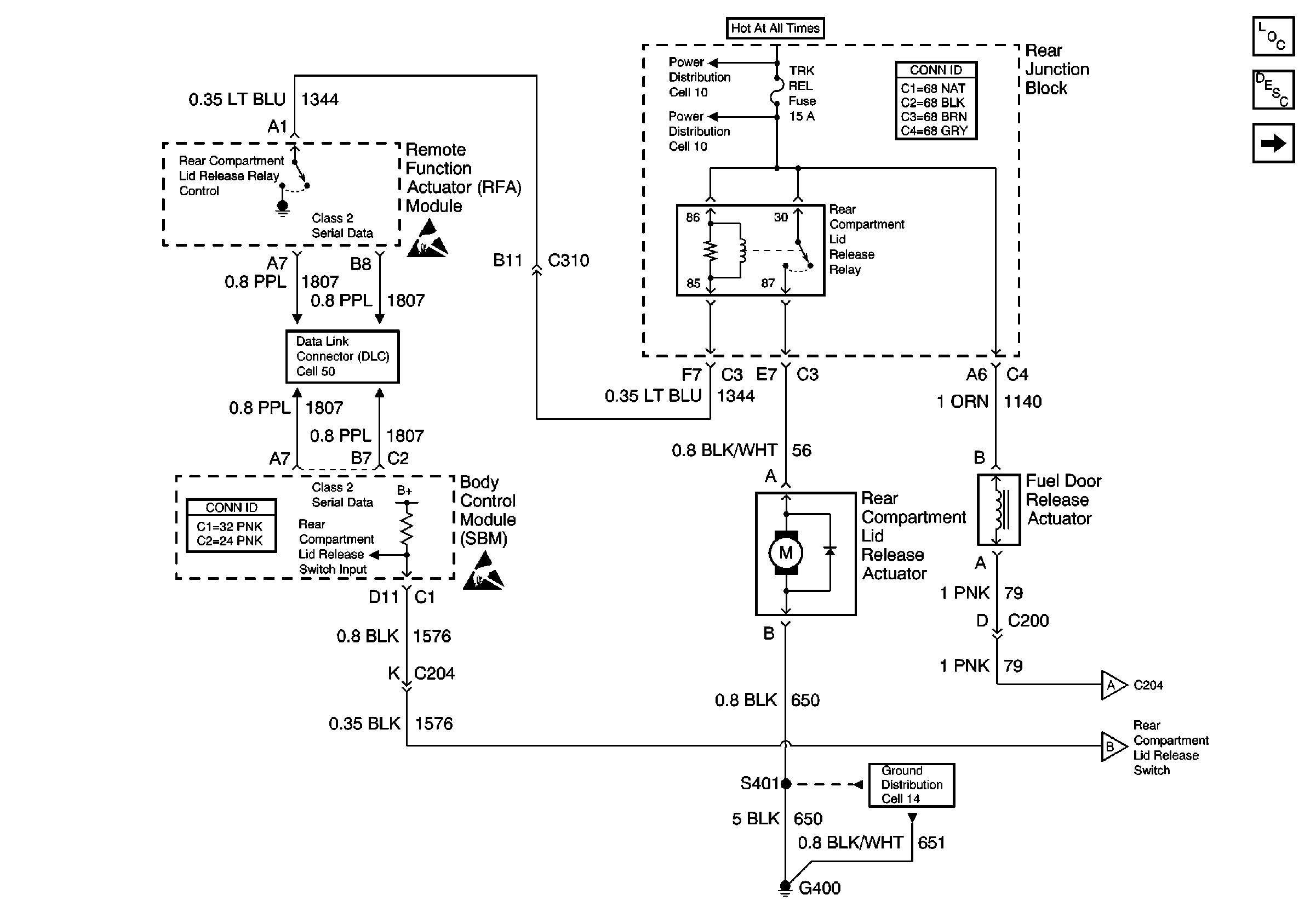
🢒 Cell 134: Release Relay and Actuators
Cell 134: Release Relay and Actuators
Cell 134: Release Relay and Actuators
Body Rear End Components
Release System Description
Cell 134: Release Switches
Handling ESD Sensitive Parts Notice
Handling ESD Sensitive Parts Notice
Data Link Connector Schematics
Power Distribution Schematics
Cell 134: Release Switches
Cell 134: Release Switches
Ground Distribution Schematics
Body Control System Connector End Views
Power and Grounding Connector End Views