GM Service Manual Online
For 1990-2009 cars only
Makes
🢒
Buick
🢒
1998
🢒
Park Avenue
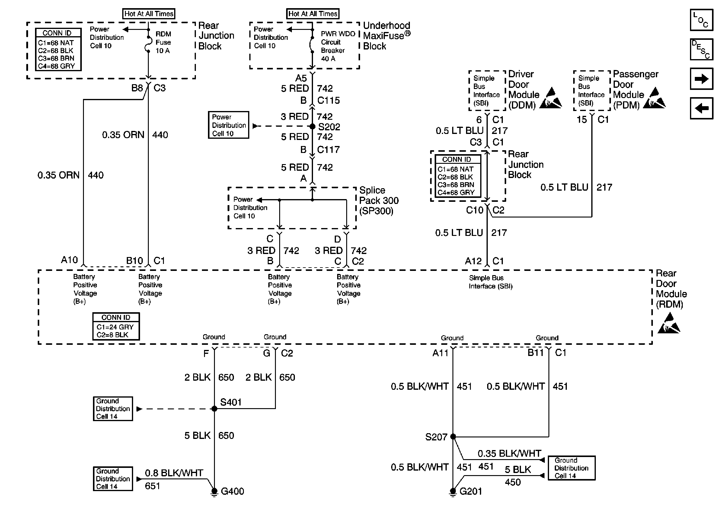
🢒 Cell 55: Rear Door Module
Cell 55: Rear Door Module
Cell 55: Rear Door Module
Power Door Systems Components
Power Door Locks Circuit Description
Cell 55: Rear Door Jamb Switches
Cell 55: Right Front Door Jamb Switch
Handling ESD Sensitive Parts Notice
Handling ESD Sensitive Parts Notice
Handling ESD Sensitive Parts Notice
Cell 10: SUNROOF Fuse and PWR WDO Circuit Breaker
Cell 10: SUNROOF Fuse and PWR WDO Circuit Breaker
Cell 10: SUNROOF Fuse and PWR WDO Circuit Breaker
Power and Grounding Connector End Views
Power Door Systems Connector End Views
Power and Grounding Connector End Views
Cell 10: BATT 1, RDM, C/LTR, DDM, HTDST L, TRK REL, PDM, SBM, and CSTR/SBM FuseS
Cell 14: G201 (1 of 2)
Cell 14: G400 (1 of 2)
Cell 14: G400 (1 of 2)