GM Service Manual Online
For 1990-2009 cars only
Makes
🢒
Buick
🢒
1998
🢒
Park Avenue
🢒 Cell 130: Right Front Power Door Lock Components
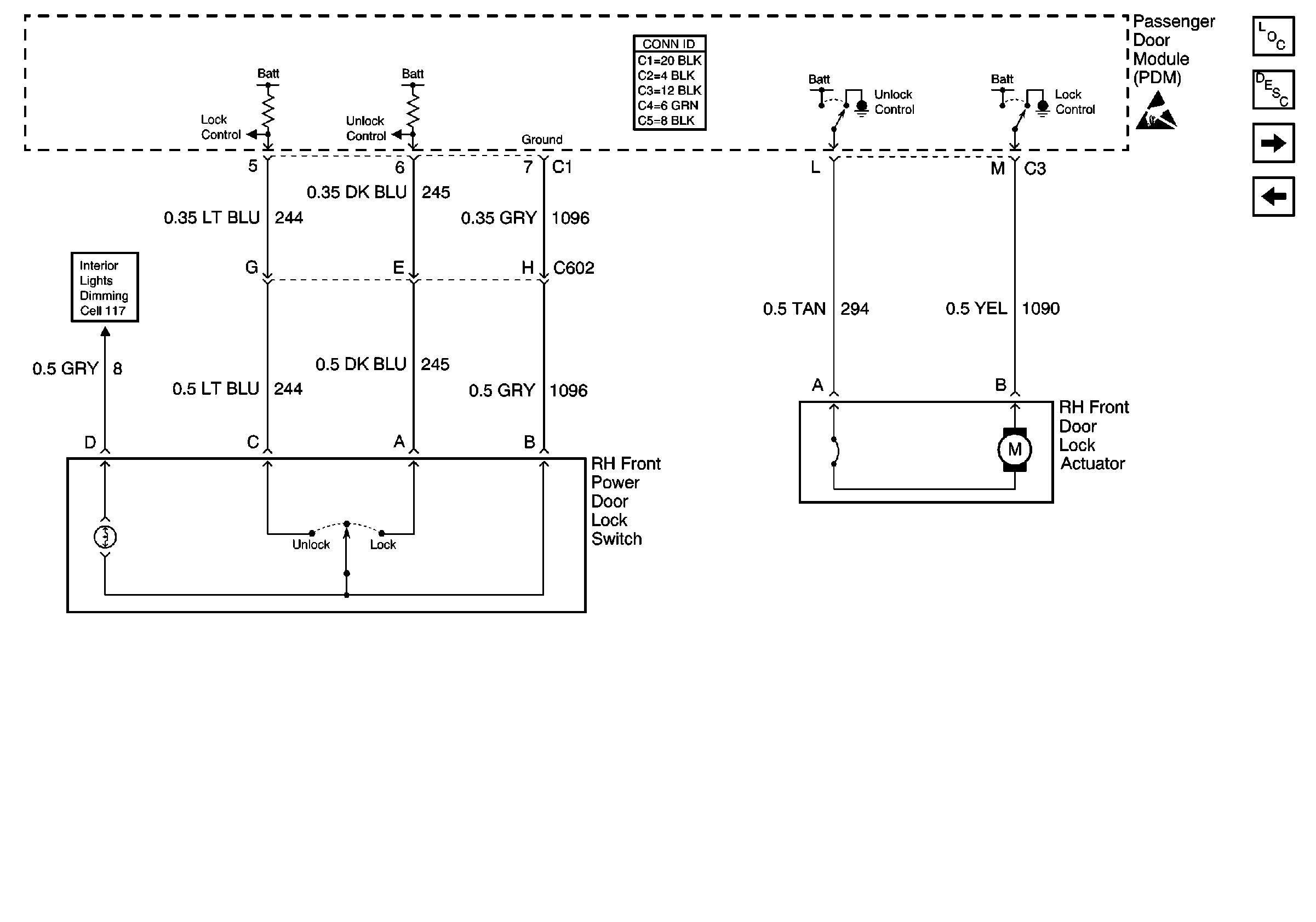
Cell 130: Right Front Power Door Lock Components
Cell 130: Right Front Power Door Lock Components
Power Door Systems Components
Power Door Locks Circuit Description
Cell 130: Remote Function Actuator Module
Cell 130: Rear Power Door Lock Components
Handling ESD Sensitive Parts Notice
Cell 117: Steering Wheel Control Switch, Heater and A/C Control, Driver Information Switch, Front Door Switch Backlighting
Power Door Systems Connector End Views