GM Service Manual Online
For 1990-2009 cars only
Makes
🢒
Buick
🢒
1999
🢒
Park Avenue
🢒
Suspension
🢒
Automatic Level Control
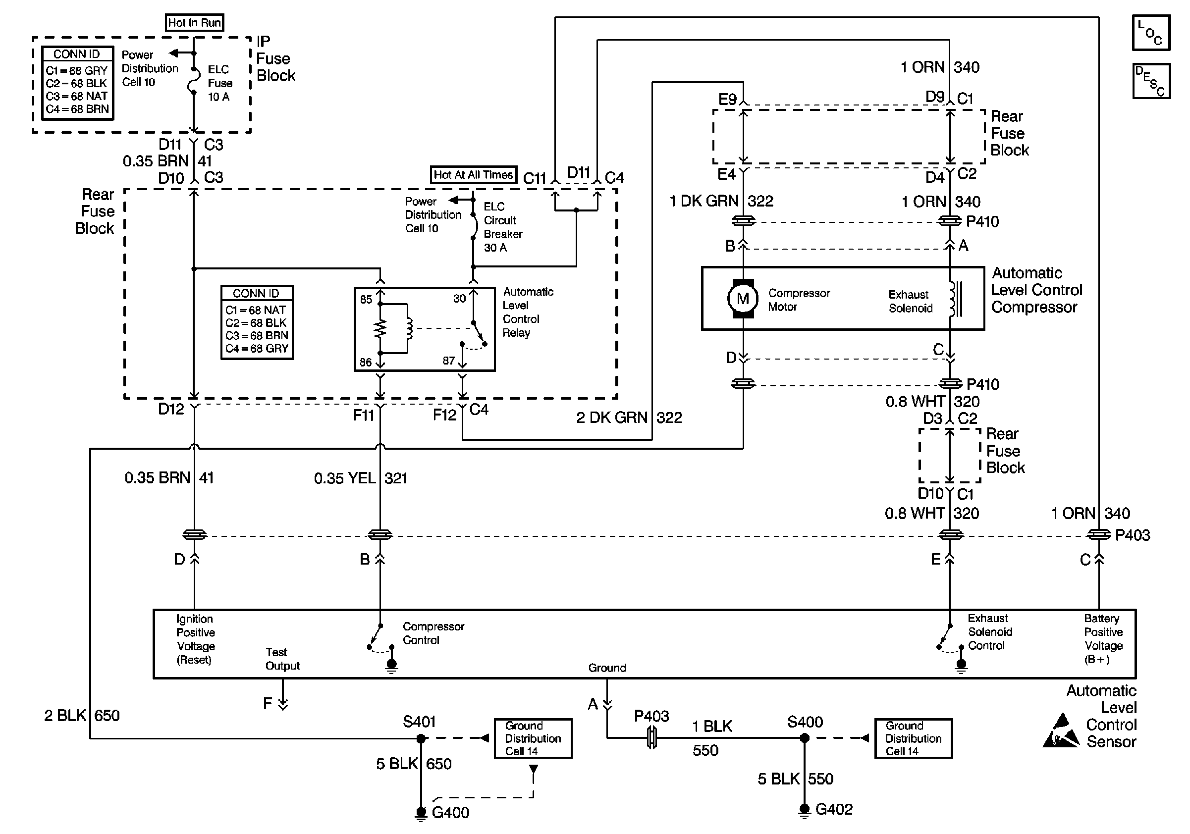
🢒 Automatic Level Control Schematics
Cell 42
Automatic Level Control Suspension Components
Automatic Level Control General Description
Handling ESD Sensitive Parts Notice
Cell 10: WSW, WSW/RFA, HUD, ELC, CR CONT, A/C and HVAC Fuses
Cell 10: HTDST R, C/LTR L and C/LTR R Fuses
Cell 14: G400 (1 of 2)
Cell 14: G306 and G402