GM Service Manual Online
For 1990-2009 cars only
Makes
🢒
Buick
🢒
1999
🢒
Park Avenue
🢒
Steering
🢒
Steering Wheel and Column - Tilt
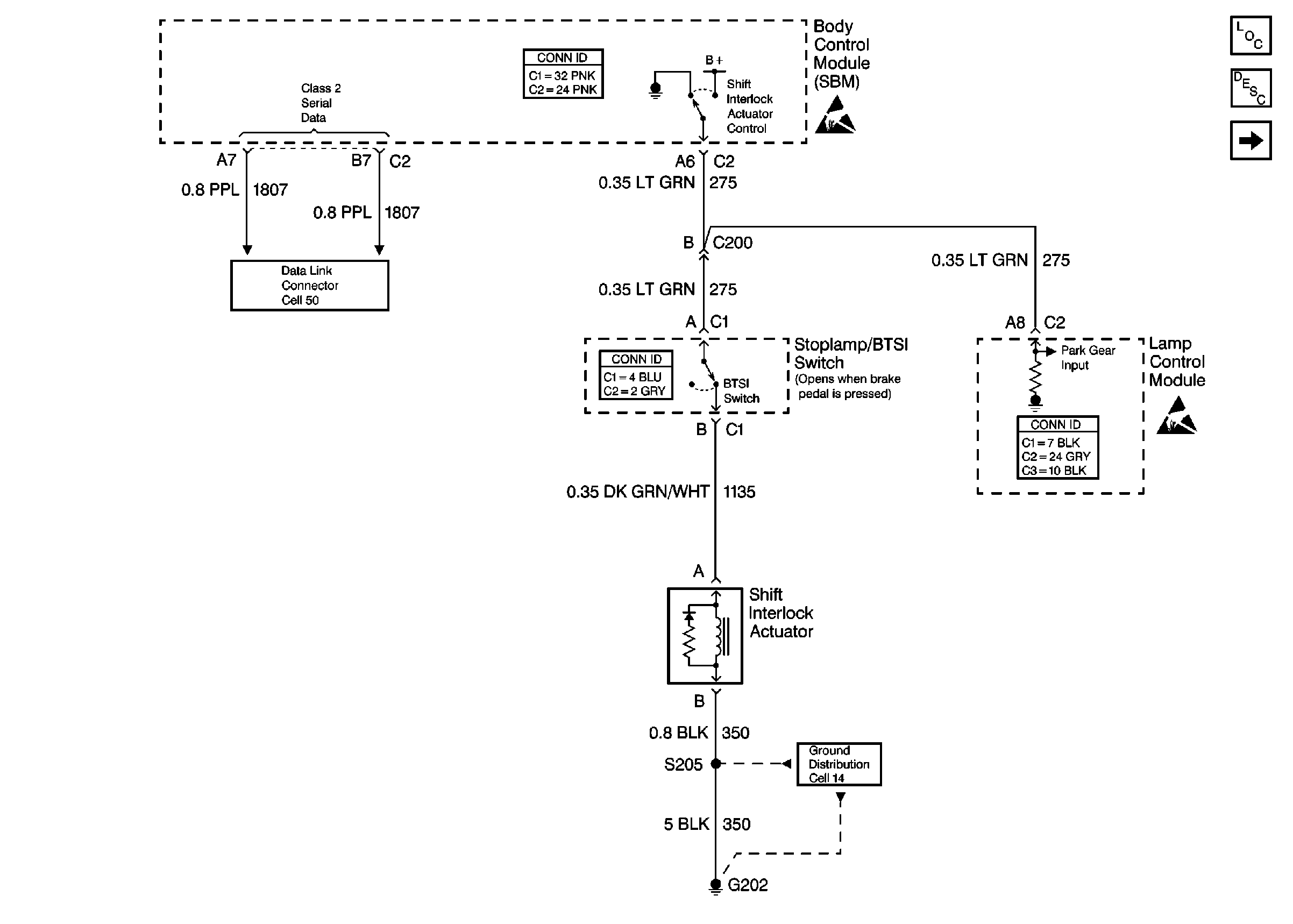
🢒 Shift Lock Control Schematics
Figure
1:
Cell 138: Brake Transaxle Shift Interlock (BTSI)
Tilt Wheel/Column Components
Automatic Transmission Shift Lock Control Description
Cell 138: Park Neutral Position Switch
Data Link Connector Schematics
Ground Distribution Schematics
Handling ESD Sensitive Parts Notice
Figure
2:
Cell 138: Park Neutral Position Switch
Tilt Wheel/Column Components
Automatic Transmission Shift Lock Control Description
Cell 138: Brake Transaxle Shift Interlock (BTSI)
Data Link Connector Schematics
Ground Distribution Schematics
Handling ESD Sensitive Parts Notice
Powertrain Control Module Connector End Views