GM Service Manual Online
For 1990-2009 cars only
Figure 1:

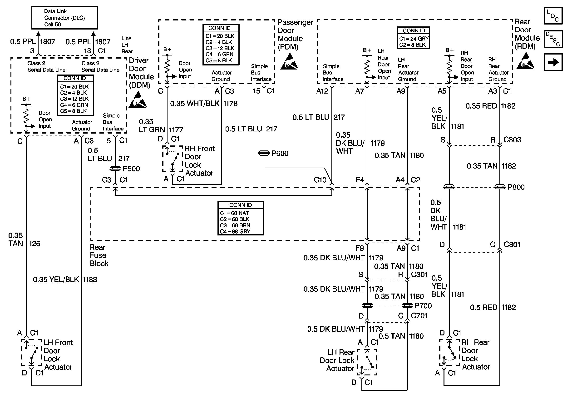
Cell 114: Door Open Inputs


Object Number: 324302  Size: FS
Lighting Systems Components
Interior Lighting System Description
Cell 114: Courtesy Lamp Switch, Footwell Lamps, LH Door Courtesy Lamps, and IP Compartment Lamp
Cell 50: Class 2 Serial Data Line
Handling ESD Sensitive Parts Notice
Handling ESD Sensitive Parts Notice
Handling ESD Sensitive Parts Notice
Power Door Systems Connector End Views
Power Door Systems Connector End Views
Power Door Systems Connector End Views
Power and Grounding Connector End Views
Figure 2:

Cell 114: Courtesy Lamp Switch, Footwell Lamps, LH Door Courtesy Lamps, and IP Compartment Lamp


Object Number: 324304  Size: FS
Lighting Systems Components
Interior Lighting System Description
Cell 114: Auxiliary Lighting Control, RH Door Courtesy Lamps, and Rear Compartment Lamp
Cell 114: Door Open Inputs
Cell 50: Class 2 Serial Data Line
Handling ESD Sensitive Parts Notice
Cell 114: Auxiliary Lighting Control, RH Door Courtesy Lamps, and Rear Compartment Lamp
Cell 114: Auxiliary Lighting Control, RH Door Courtesy Lamps, and Rear Compartment Lamp
Power Distribution Schematics
Cell 114: Vanity Mirrors and Courtesy/Reading Lamps
Ground Distribution Schematics
Ground Distribution Schematics
Ground Distribution Schematics
Ground Distribution Schematics
Ground Distribution Schematics
Body Control System Connector End Views
Power and Grounding Connector End Views
Figure 3:

Cell 114: Auxiliary Lighting Control, RH Door Courtesy Lamps, and Rear Compartment Lamp


Object Number: 324307  Size: FS
Lighting Systems Components
Interior Lighting System Description
Cell 114: Vanity Mirrors and Courtesy/Reading Lamps
Cell 114: Courtesy Lamp Switch, Footwell Lamps, LH Door Courtesy Lamps, and IP Compartment Lamp
Handling ESD Sensitive Parts Notice
Cell 114: Courtesy Lamp Switch, Footwell Lamps, LH Door Courtesy Lamps, and IP Compartment Lamp
Cell 114: Courtesy Lamp Switch, Footwell Lamps, LH Door Courtesy Lamps, and IP Compartment Lamp
Cell 114: Vanity Mirrors and Courtesy/Reading Lamps
Ground Distribution Schematics
Handling ESD Sensitive Parts Notice
Body Control System Connector End Views
Power and Grounding Connector End Views
Power and Grounding Connector End Views
Figure 4:

Cell 114: Vanity Mirrors and Courtesy/Reading Lamps


Object Number: 324310  Size: FS
Lighting Systems Components
Interior Lighting System Description
Cell 114: Auxiliary Lighting Control, RH Door Courtesy Lamps, and Rear Compartment Lamp
Cell 136
Cell 114: Auxiliary Lighting Control, RH Door Courtesy Lamps, and Rear Compartment Lamp
Ground Distribution Schematics
Ground Distribution Schematics
Cell 114: Courtesy Lamp Switch, Footwell Lamps, LH Door Courtesy Lamps, and IP Compartment Lamp
Handling ESD Sensitive Parts Notice
Body Control System Connector End Views
Power and Grounding Connector End Views