GM Service Manual Online
For 1990-2009 cars only
Makes
🢒
Buick
🢒
1999
🢒
Park Avenue
🢒
Body and Accessories
🢒
Cellular Communication
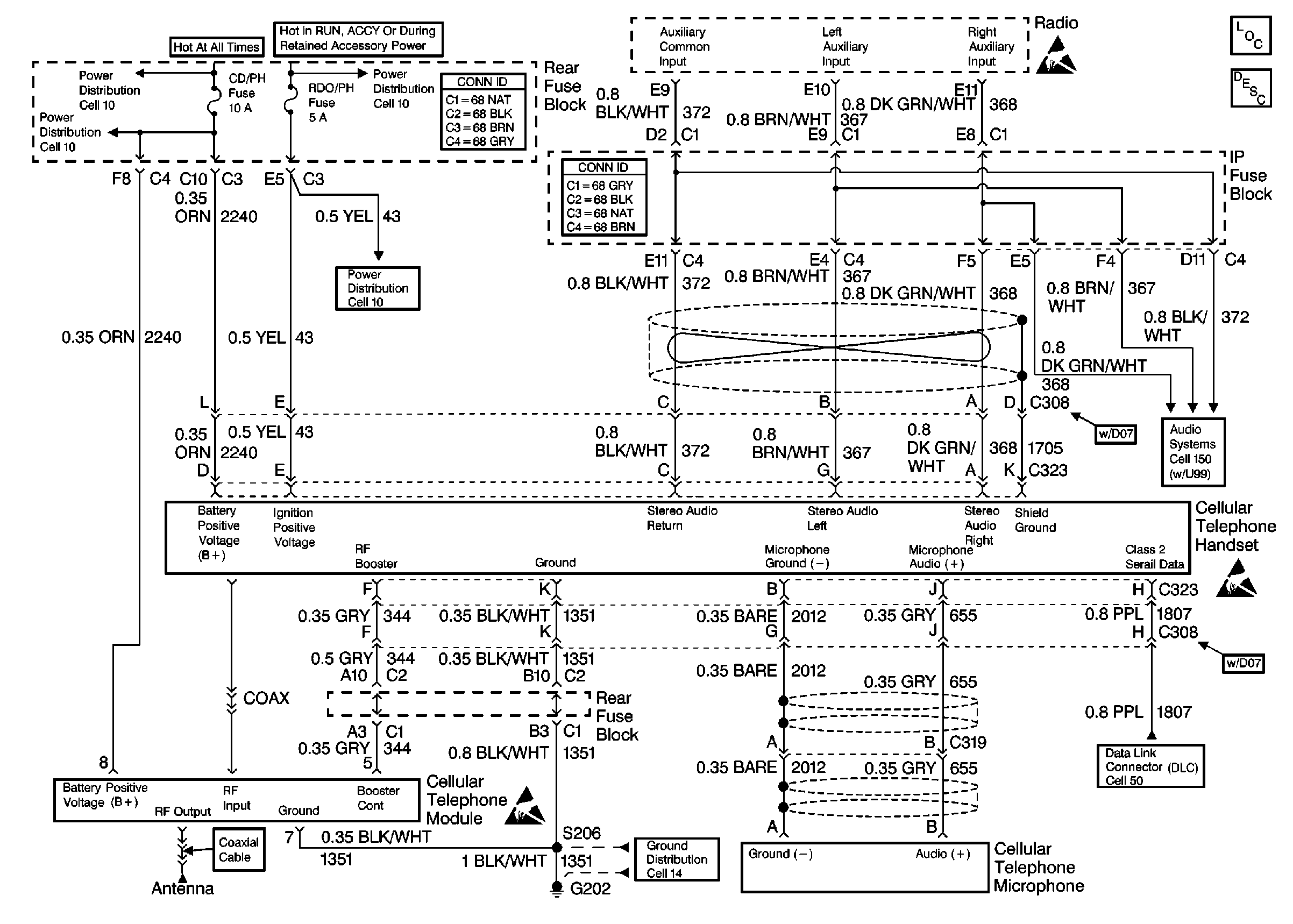
🢒 Cellular Telephone Schematics
Cell 153
Cellular Communication Components
Cellular Telephone Description
Handling ESD Sensitive Parts Notice
Handling ESD Sensitive Parts Notice
Handling ESD Sensitive Parts Notice
Cell 50: Class 2 Serial Data Line
Cell 14: G202 (CKT 1351)
Cell 10: RDO, RDO/PH, CD/PH and Switch Fuses
Cell 10: RDO, RDO/PH, CD/PH and Switch Fuses
Cell 10: RDO, RDO/PH, CD/PH and Switch Fuses
Cell 150: Compact Disc (CD) Player