GM Service Manual Online
For 1990-2009 cars only
Makes
🢒
Buick
🢒
1999
🢒
Park Avenue
🢒
Body and Accessories
🢒
Garage Door Opener
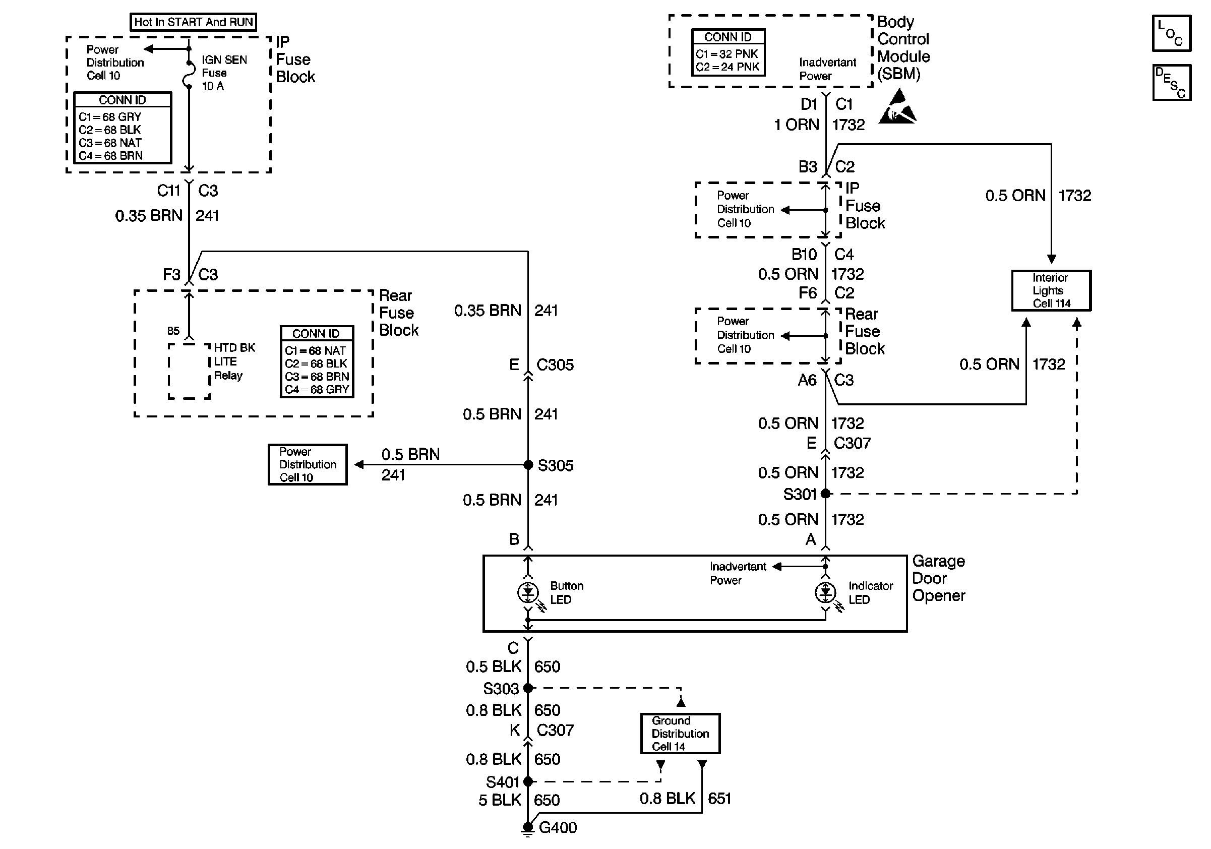
🢒 Garage Door Opener Schematics
Cell 136
Garage Door Opener Components
Garage Door Opener Description
Handling ESD Sensitive Parts Notice
Cell 114: Vanity Mirrors and Courtesy/Reading Lamps
Cell 114: Auxiliary Lighting Control, RH Door Courtesy Lamps, and Rear Compartment Lamp
Cell 114: Courtesy Lamp Switch, Footwell Lamps, LH Door Courtesy Lamps, and IP Compartment Lamp
Cell 10: IGN SEN, ABS, RUN, AUX and AUXOT LT
Cell 10: IGN SEN, ABS, RUN, AUX and AUXOT LT
Ground Distribution Schematics