GM Service Manual Online
For 1990-2009 cars only
Makes
🢒
Buick
🢒
1999
🢒
Park Avenue
🢒
Body and Accessories
🢒
Body Rear End
🢒 Release Systems Schematics
Figure
1:
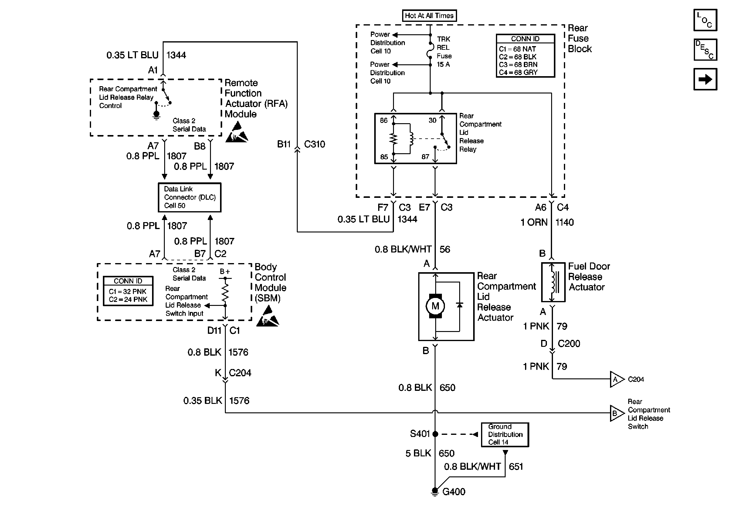
Cell 134: Release Relay and Actuators
Body Rear End Components
Release System Description
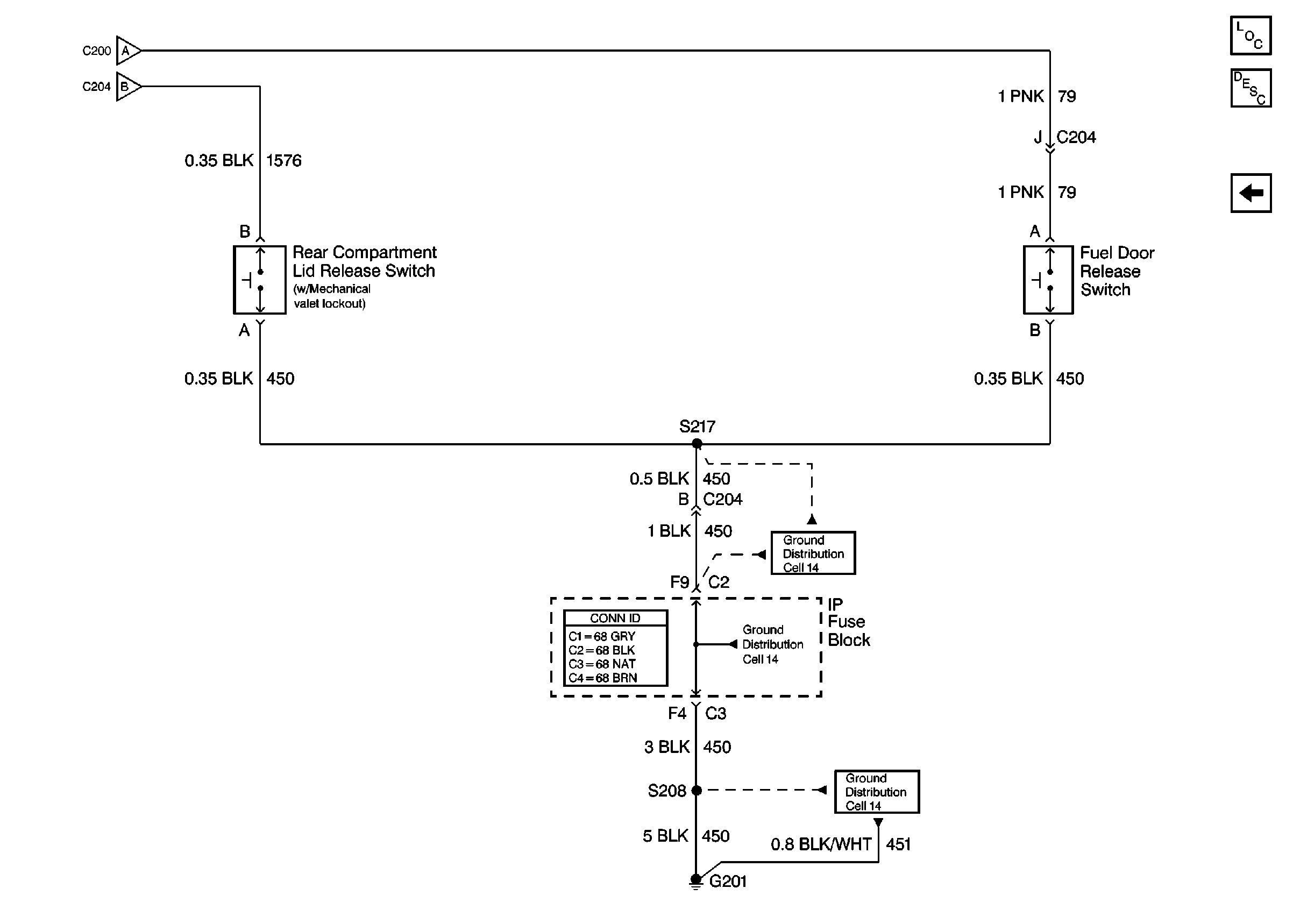
Cell 134: Release Switches
Handling ESD Sensitive Parts Notice
Handling ESD Sensitive Parts Notice
Data Link Connector Schematics
Cell 10: BATT 1, RDM, C/LTR, DDM, HTDST L, TRK REL, PDM, SBM, and CSTR/SBM Fuses
Cell 134: Release Switches
Cell 134: Release Switches
Cell 14: G400 (1 of 2)
Figure
2:
Cell 134: Release Switches
Body Rear End Components
Release System Description
Cell 134: Release Relay and Actuators
Cell 14: G201 (2 of 2)
Cell 14: G201 (1 of 2)
Cell 134: Release Relay and Actuators
Cell 134: Release Relay and Actuators