GM Service Manual Online
For 1990-2009 cars only
Makes
🢒
Buick
🢒
1999
🢒
Park Avenue
🢒 Cell 112
Cell 112
Cell 112
Lighting Systems Components
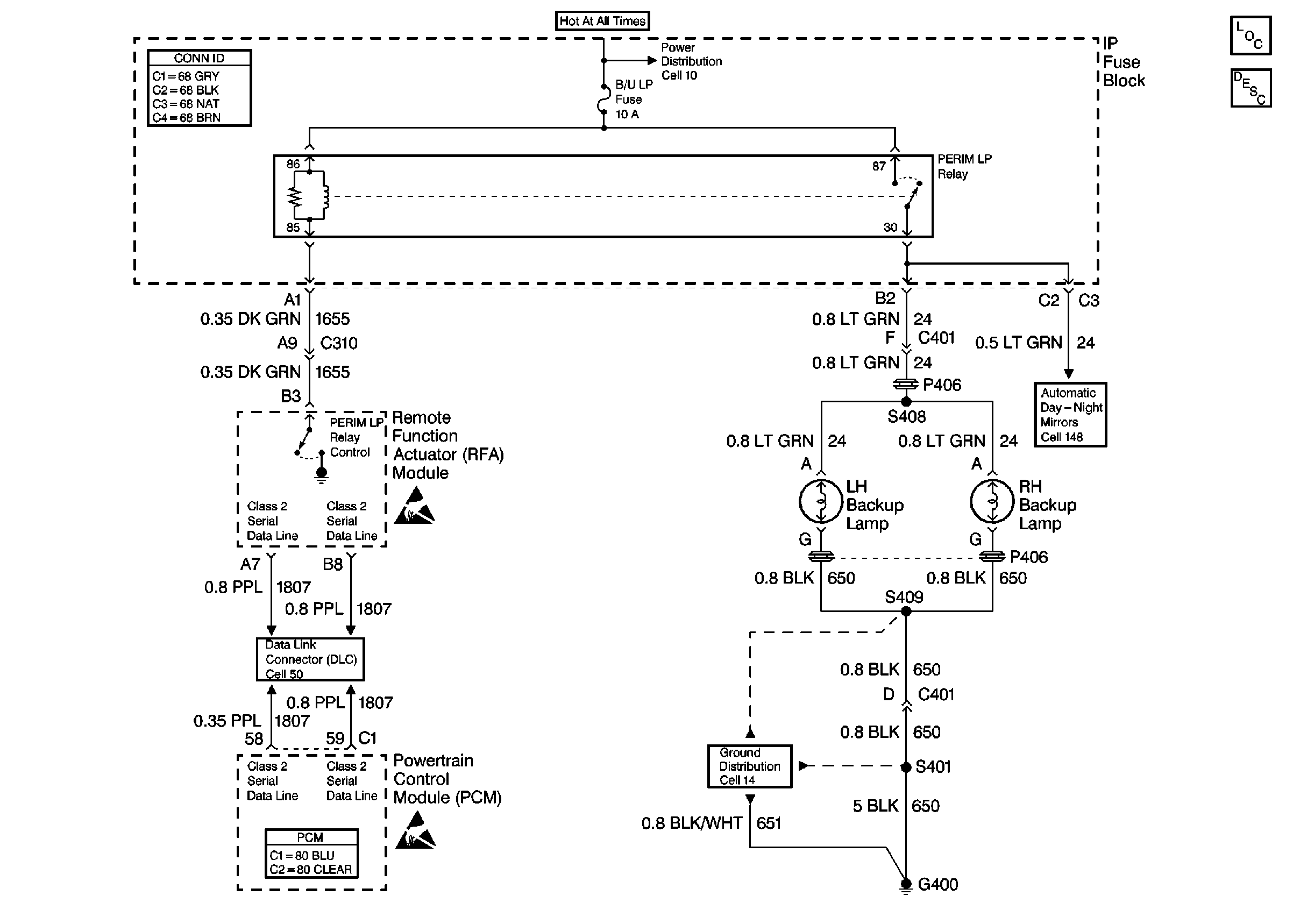
Backup Lamp Circuit Description
Handling ESD Sensitive Parts Notice
Cell 50: Class 2 Serial Data Line
Handling ESD Sensitive Parts Notice
Ground Distribution Schematics
Cell 148: Inside Rear View Mirror
Power Distribution Schematics
Powertrain Control Module Connector End Views
Power and Grounding Connector End Views