GM Service Manual Online
For 1990-2009 cars only
Makes
🢒
Buick
🢒
1999
🢒
Park Avenue
🢒 Cell 15
Cell 15
Cell 15
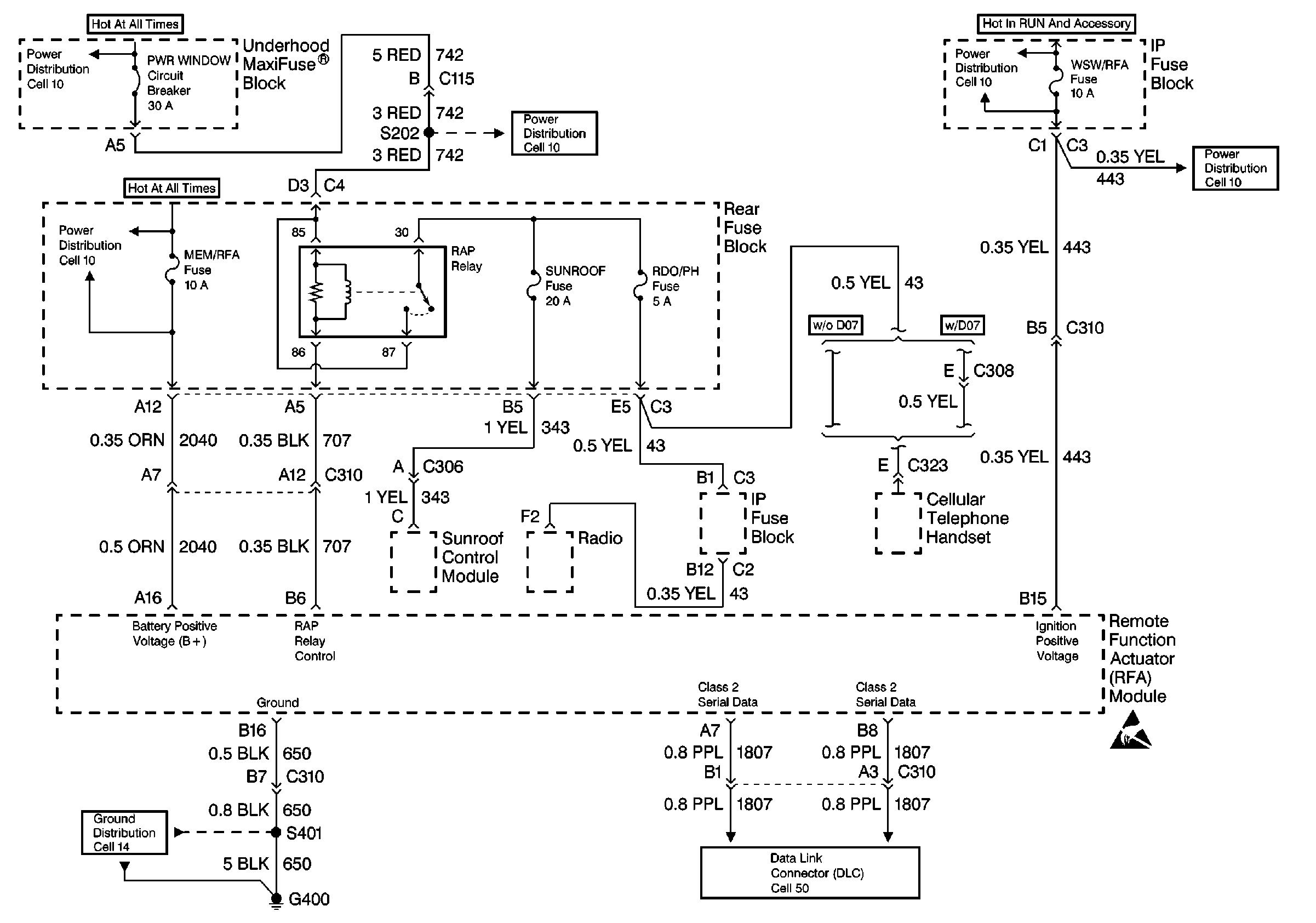
Retained Accessory Power (RAP) Components
Retained Accessory Power (RAP) Circuit Description
Power Distribution Schematics
Power Distribution Schematics
Power Distribution Schematics
Ground Distribution Schematics
Handling ESD Sensitive Parts Notice
Data Link Connector Schematics