GM Service Manual Online
For 1990-2009 cars only
Makes
🢒
Buick
🢒
1999
🢒
Park Avenue
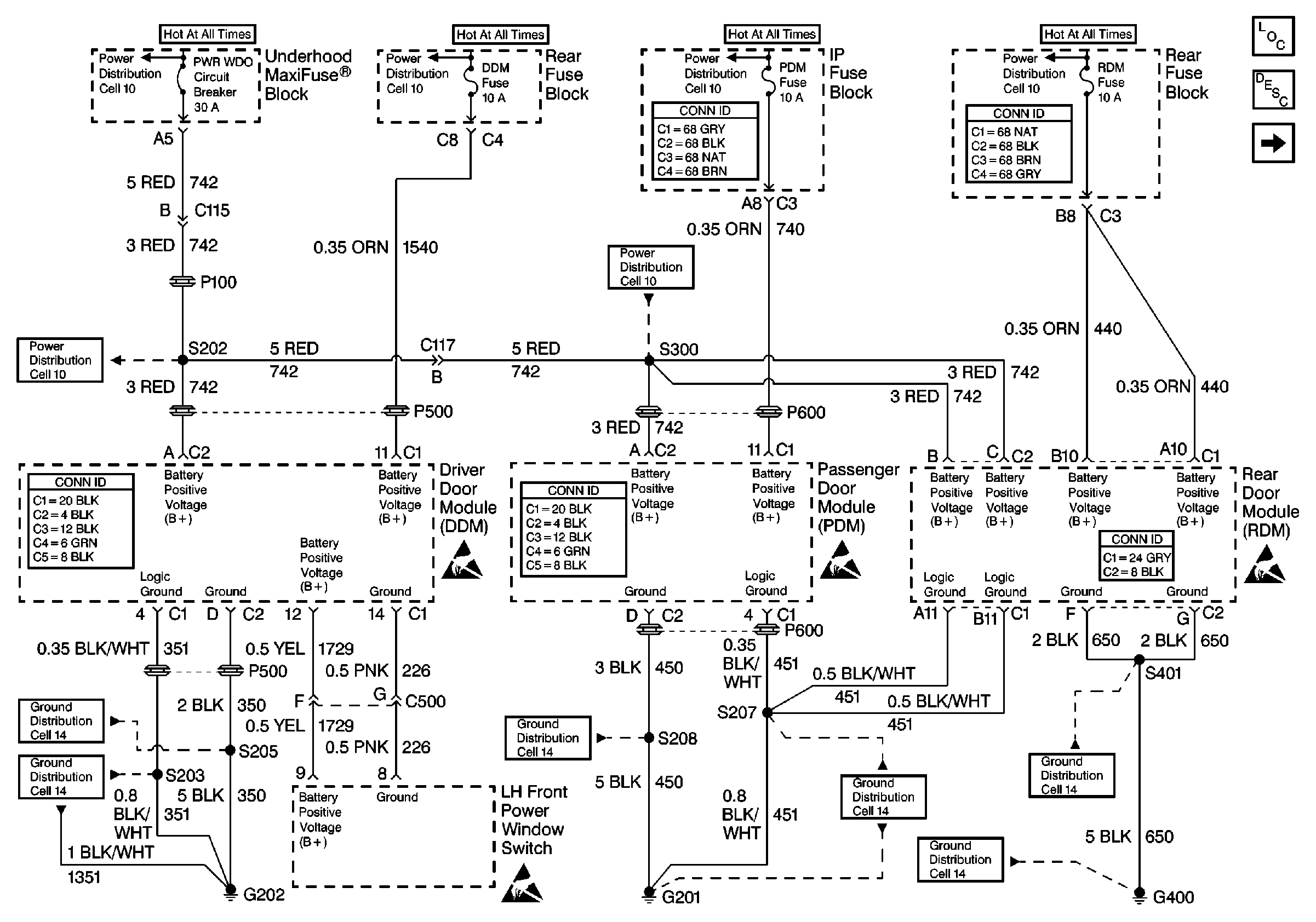
🢒 Cell 130: DDM, PDM and RDM
Cell 130: DDM, PDM and RDM
Cell 130: DDM, PDM and RDM
Power Door Systems Components
Power Door Locks Circuit Description
Cell 130: Left Front Power Door Components
Cell 10: Sunroof Fuse
Cell 10: BATT 1, RDM, C/LTR, DDM, HTDST L, TRK REL, PDM, SBM, and CSTR/SBM Fuses
Cell 10: BATT 1, RDM, C/LTR, DDM, HTDST L, TRK REL, PDM, SBM, and CSTR/SBM Fuses
Cell 10: BATT 1, RDM, C/LTR, DDM, HTDST L, TRK REL, PDM, SBM, and CSTR/SBM Fuses
Cell 10: Sunroof Fuse
Cell 10: Sunroof Fuse
Handling ESD Sensitive Parts Notice
Handling ESD Sensitive Parts Notice
Handling ESD Sensitive Parts Notice
Cell 14: G202 (CKT 350)
Cell 14: G201 (1 of 2)
Cell 14: G202 (CKT 351 1 of 2)
Cell 14: G201 (1 of 2)
Cell 14: G400 (2 of 2)
Cell 14: G400 (1 of 2)