GM Service Manual Online
For 1990-2009 cars only
Makes
🢒
Buick
🢒
1999
🢒
Park Avenue
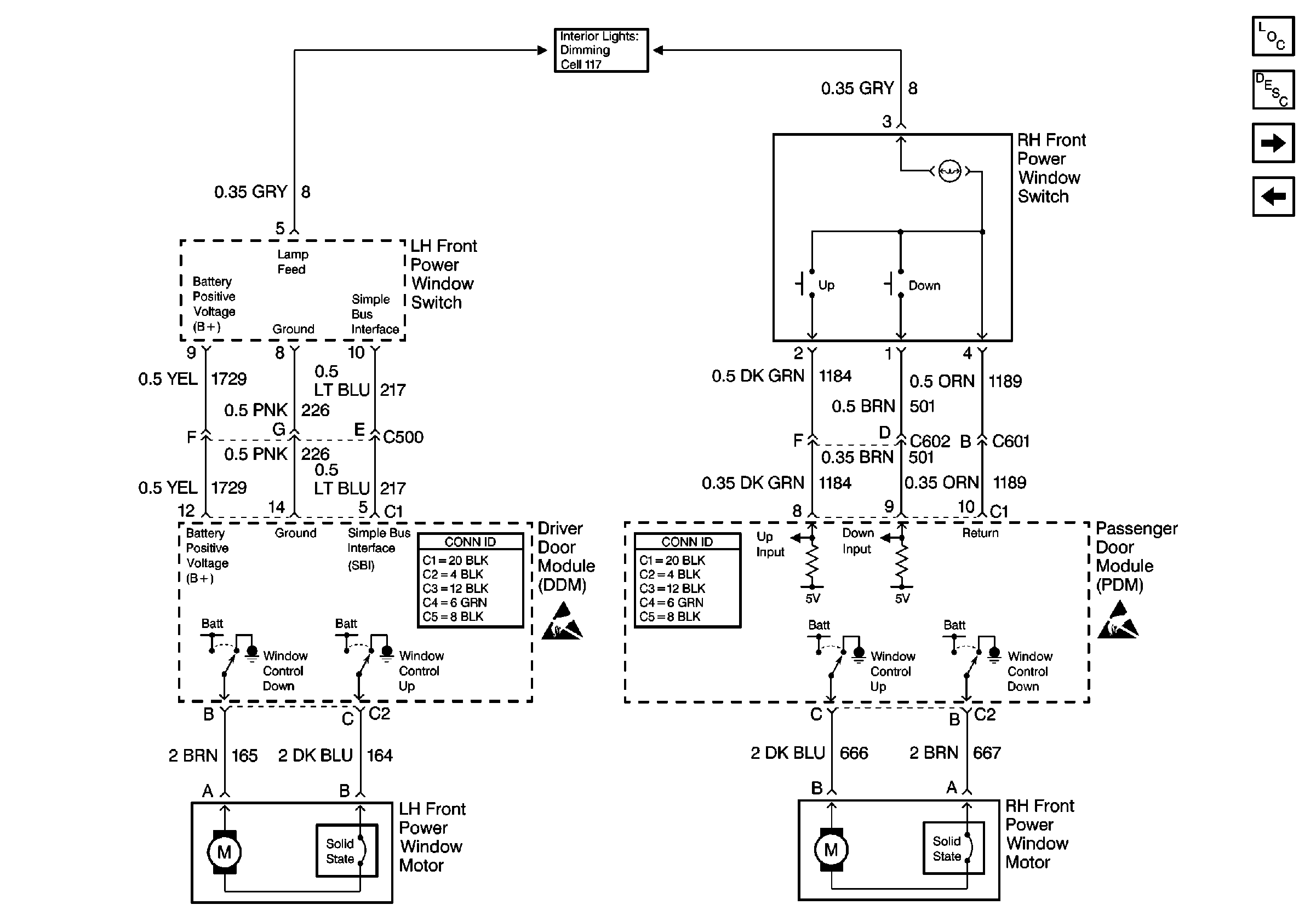
🢒 Cell 120: Front Power Window Components
Cell 120: Front Power Window Components
Cell 120: Front Power Window Components
Power Door Systems Components
Power Windows Circuit Description
Cell 120: Rear Power Window Components
Cell 120: Power Window Modules
Cell 117: Steering Wheel Control Switch, Heater and A/C Control, Driver Information Switch, Front Door Switch Backlighting
Handling ESD Sensitive Parts Notice
Handling ESD Sensitive Parts Notice