GM Service Manual Online
For 1990-2009 cars only
Makes
🢒
Buick
🢒
1999
🢒
Park Avenue
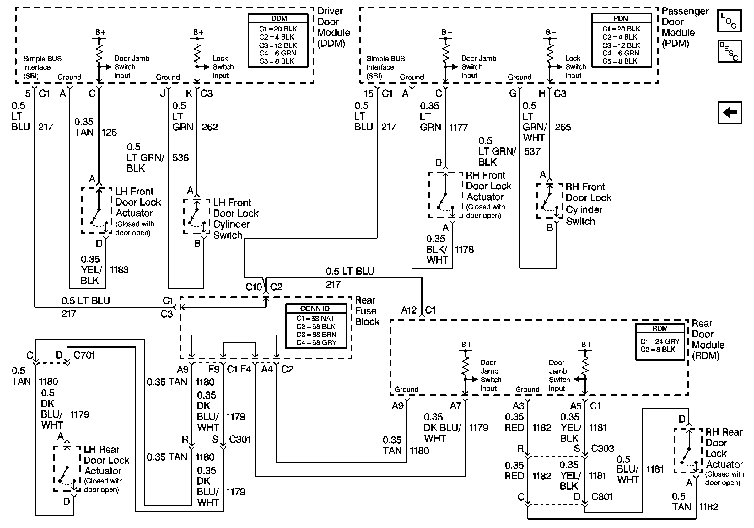
🢒 Cell 133: Door Jamb Switches
Cell 133: Door Jamb Switches
Cell 133: Door Jamb Switches
Theft Deterrent System Components
Content Theft Deterrent (CTD) Circuit Description
Cell 133: Content Theft Deterrent