GM Service Manual Online
For 1990-2009 cars only

Refer to

Cell 147: Left Outside Power Mirror


Object Number: 324428  Size: FS
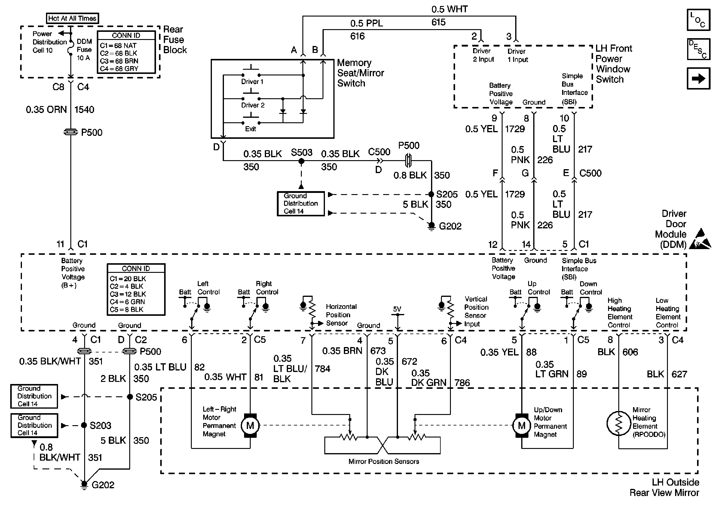
Power Door Systems Components
Outside Mirrors Circuit Description
Cell 147: Right Outside Power Mirror
Handling ESD Sensitive Parts Notice
Cell 14: G202 (CKT 350)
Cell 10: BATT 1, RDM, C/LTR, DDM, HTDST L, TRK REL, PDM, SBM, and CSTR/SBM Fuses
Cell 14: G202 (CKT 350)
Cell 14: G202 (CKT 351 1 of 2)
.

Circuit Description

The LH front power window switch receives an active high input from the mirror down switch when the switch is actuated. The LH front power window switch recognizes the input and sends a message on the simple bus interface (SBI) to the driver door module (DDM) or to the passenger door module (PDM) depending on the position of the mirror select switch. This message indicates that the mirror switch has been moved to the down position.

Conditions for Setting the DTC

    •  When the mirror down switch is active for 30 seconds continuously, the switch will be considered shorted and the DTC will set.
    • DTC B1578 will set only if DTC B1982 DDM or DTC B1983 DDM is not current.

Action Taken When the DTC Sets

    • The DDM and the PDM will no longer respond to mirror down switch inputs. Both mirrors do not move in the affected directions.
    • The DDM and the PDM will continue to respond to valid inputs from the other mirror switches.

Conditions for Clearing the DTC

    • This DTC will be set from current to history when the mirror DOWN input cycles off or when the power mode changes from OFF to RUN.
    • The history DTC clears after 50 ignition cycles.
    • A scan tool may be used in order to clear a history DTC.

Diagnostic Aids

    • A history DTC is evidence of an intermittent condition.
    • If DTC B1578 is current, cycle the ignition from OFF to RUN. If the DTC is still current, perform the following diagnostic procedure.

Test Description

The numbers below refer to the step numbers on the diagnostic table:

  1. Perform the Power Door Diagnostic System Check before continuing with the diagnosis of this DTC.

  2. Clear all of the DTCs and cycle the ignition in order to check that the DTC did not falsely set.

  3. Clear all of the DTCs after the repair procedure is complete.

B1578 Mirror Switch Down Input Stuck High

Step

Action

Value(s)

Yes

No

1

Did you perform the Power Door Diagnostic System Check?

--

Go to Step 2

Go to Diagnostic System Check - Power Door Systems

2

  1. Turn ON the ignition switch.
  2. Connect a scan tool to the data link connector (DLC).
  3. Using the scan tool, clear all of the DTCs.

After 30 seconds, does DTC B1578 reset?

--

Go to Step 3

Go to Step 4

3

Replace the LH front power window switch. Refer to Front Side Door Window Switch Replacement .

Is the LH front power window switch replacement complete?

--

Go to Step 4

--

4

  1. Turn OFF the ignition switch.
  2. Reconnect or install any of the connectors or the components that were disconnected or removed.
  3. Turn ON the ignition switch.
  4. Clear any DTCs.

Are all of the DTCs cleared?

--

Go to Diagnostic System Check - Power Door Systems

--