GM Service Manual Online
For 1990-2009 cars only

Refer to

Cell 20: Fuel Control (VIN 1)


Object Number: 380913  Size: FS
Engine Controls Components
Powertrain Control Module Description
Cell 20: Fuel Injectors
Cell 20: Ignition Control
OBDII Symbol Description Notice
Handling ESD Sensitive Parts Notice
Cell 14: G101, G102 and G103
Cell 14: G400 (1 of 2)
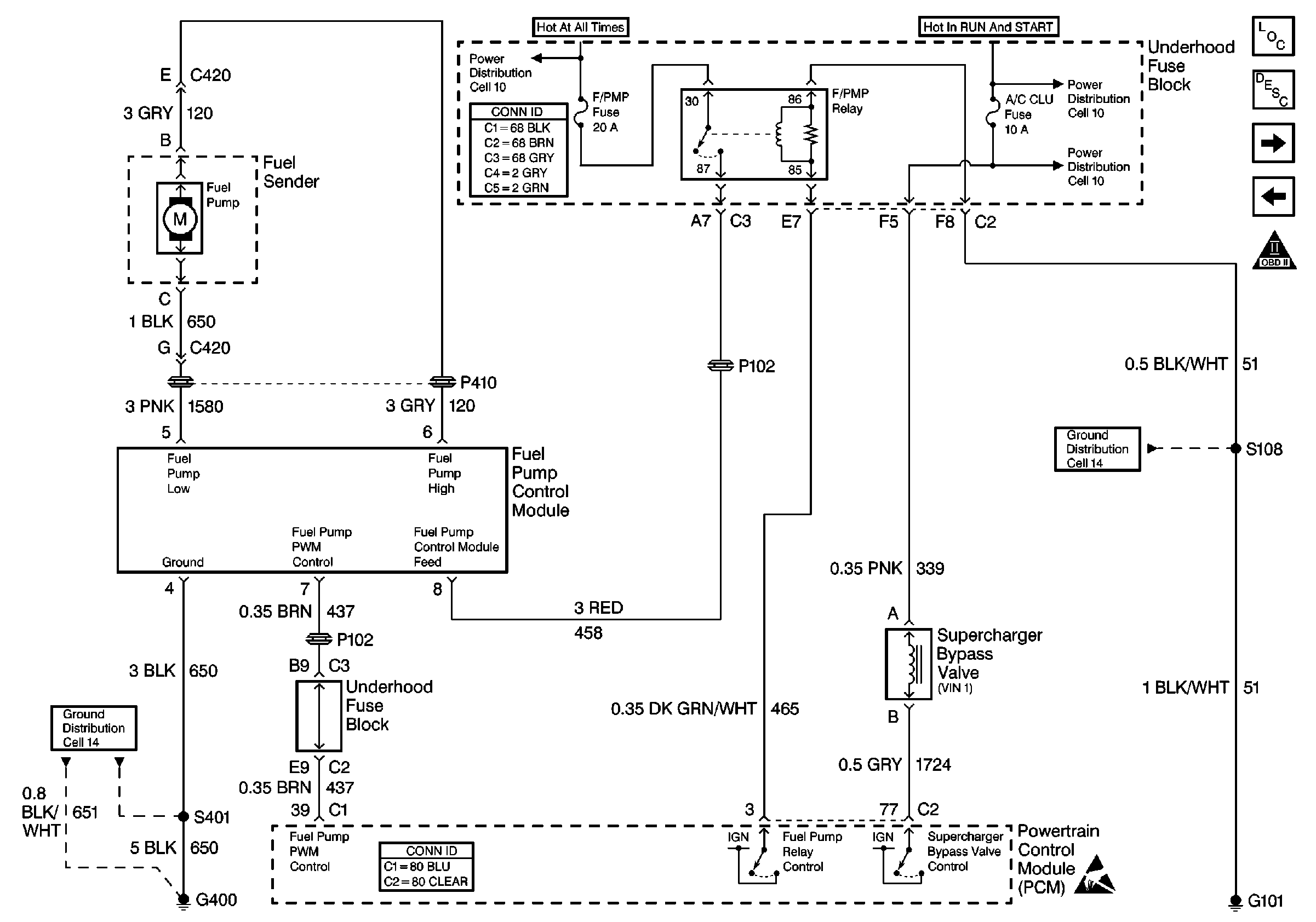
Cell 10: F/Pump Fuse
Powertrain Control Module Connector End Views
Power and Grounding Connector End Views
or

Cell 20: Engine Controls --Fuel Control, VIN 1


Object Number: 464776  Size: FS
Engine Controls Components
Powertrain Control Module Description
Cell 20: Fuel Control (VIN 1)
Cell 20: Fuel Injectors
OBD II Symbol Description Notice
Handling ESD Sensitive Parts Notice
Powertrain Control Module Connector End Views
for wiring diagrams.

Circuit Description

The PCM provides ignition positive voltage to control the fuel pump relay. The PCM has the ability to detect an electrical malfunction on the relay control circuit. When the ignition switch is first turned ON, the PCM energizes the fuel pump relay which applies power to the fuel pump. The fuel pump relay will remain ON as long as the engine is running or cranking and the PCM is receiving reference pulses. If no reference pulses are present, the PCM de-energizes the fuel pump relay within 2 seconds after the ignition is turned ON or the engine is stopped. With the engine stopped, the fuel pump can be turned ON by using the scan tool output controls function. If an electrical malfunction is detected, the PCM will set DTC P0230.

Conditions for Running the DTC

The ignition is ON.

Conditions for Setting the DTC

    • The PCM detects an electrical malfunction on the fuel pump relay control circuit.
    • The condition is present for 0.5 second.

Action Taken When the DTC Sets

The PCM stores conditions which were present when the DTC set as Failure Records only. This information will not be stored as Freeze Frame Records.

Conditions for Clearing the MIL/DTC

    • The DTC becomes history when the conditions for setting the DTC are no longer present.
    • The history DTC clears after 40 malfunction free warm-up cycles.
    • The PCM receives a clear code command from the scan tool.

Diagnostic Aids

An intermittent may be caused by a poor connection, rubbed through the wire insulation or a wire broken inside of the insulation.

Check for the following conditions:

    • Poor connections at the PCM or fuel pump relay.
        Inspect harness connectors for backed out terminals, improper mating, broken locks, improperly formed or damaged terminals, and poor terminal to wire connection.
    • Damaged harness
        Inspect the wiring harness for damage.

Reviewing the Fail Records vehicle mileage since the diagnostic test last failed may help determine how often the condition that caused the DTC to be set occurs. This may assist in diagnosing the condition.

Test Description

The number(s) below refer to the step number(s) on the diagnostic table.

  1. Listen for an audible click when the relay operates. Command both the ON and OFF states. Repeat the commands as necessary.

  2. Verifies that the PCM is providing voltage to the relay.

  3. Tests for an open in the ground circuit to the relay.

  4. Tests if voltage is constantly being applied to the relay.

  5. The PCM utilizes Electrically Erasable Programmable Read Only Memory (EEPROM). When the PCM is replaced, the new PCM must be programmed.

Step

Action

Value(s)

Yes

No

1

Did you perform the On-Board (OBD) Diagnostic System Check?

--

Go to Step 2

Go to Powertrain On Board Diagnostic (OBD) System Check

2

  1. Turn ON the ignition, with the engine OFF.
  2. With a scan tool, command the Fuel Pump Relay ON and OFF.

Does the relay turn ON and OFF with each command?

--

Go to Diagnostic Aids

Go to Step 3

3

  1. Turn OFF the ignition.
  2. Disconnect the relay.
  3. Turn ON the ignition, with the engine OFF.
  4. Probe the control circuit of the relay with a test lamp connected to a good ground.
  5. With a scan tool, command the relay ON and OFF.

Does the test lamp turn ON and OFF with each command?

--

Go to Step 4

Go to Step 5

4

  1. Connect a test lamp between the control circuit of the relay and the ground circuit of the relay.
  2. With a scan tool, command the relay ON and OFF.

Does the test lamp turn ON and OFF with each command?

--

Go to Step 8

Go to Step 10

5

Does the test lamp remain illuminated with each command?

--

Go to Step 7

Go to Step 6

6

Test the control circuit of the relay for a short to ground or an open. Refer to Wiring Repairs in Wiring Systems.

Did you find and correct the condition?

--

Go to Step 13

Go to Step 9

7

Test the control circuit of the relay for a short to voltage. Refer to Wiring Repairs in Wiring Systems.

Did you find and correct the condition?

--

Go to Step 13

Go to Step 9

8

Inspect for poor connections at the relay. Refer to Intermittents and Poor Connections Diagnosis and Connector Repairs in Wiring systems.

Did you find and correct the condition?

--

Go to Step 13

Go to Step 11

9

Inspect for poor connections at the PCM. Refer to Intermittents and Poor Connections Diagnosis and Connector Repairs in Wiring Systems.

Did you find and correct the condition?

--

Go to Step 13

Go to Step 12

10

Repair the ground circuit of the relay. Refer to Wiring Repairs in Wiring Systems.

Did you complete the repair?

--

Go to Step 13

--

11

Replace the relay. Refer to Fuel Pump Relay Replacement .

Did you complete the replacement?

--

Go to Step 13

--

12

Replace the PCM. Refer to Powertrain Control Module Replacement/Programming .

Important: Perform the set up procedure for the PCM.

Did you complete the replacement?

--

Go to Step 13

--

13

  1. Use the scan tool in order to clear the DTCs.
  2. Operate the vehicle within the Conditions for Running the DTC as specified in the supporting text.

Does the DTC reset?

--

Go to Step 2

System OK