GM Service Manual Online
For 1990-2009 cars only

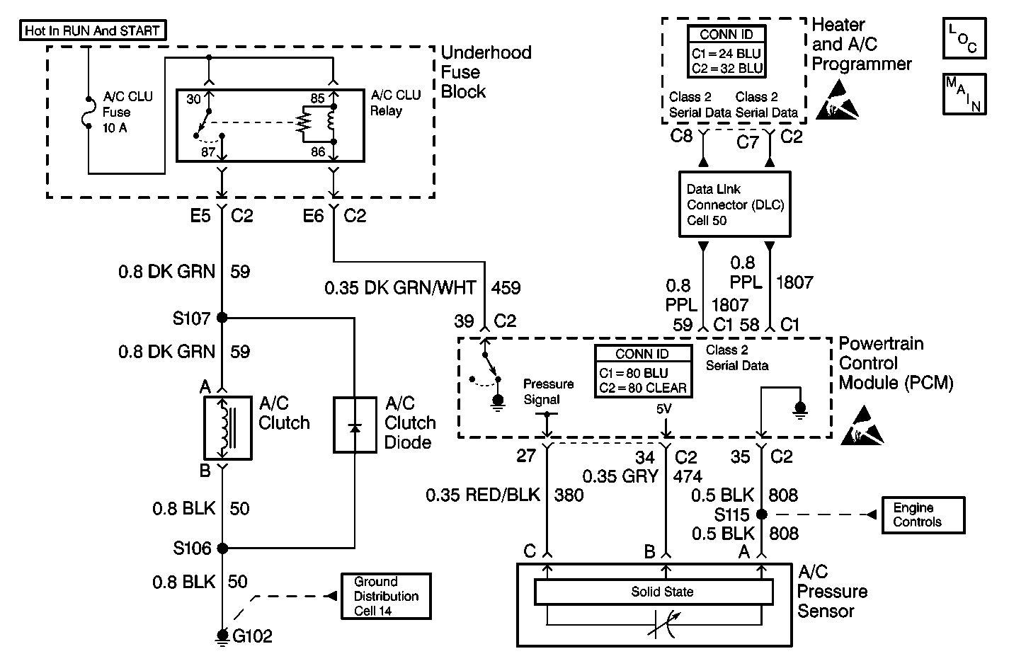
Object Number: 246920  Size: MF
HVAC Components
Cell 67
Handling ESD Sensitive Parts Notice
Cell 50: Class 2 Serial Data Line
Powertrain Control Module Connector End Views
HVAC Connector End Views
Cell 20: Sensors
Cell 14: G101, G102 and G103

Circuit Description

The A/C pressure sensor is a located in the high pressure side of the A/C system. The A/C pressure sensor is used by the Powertrain Control Module (PCM) and the HCM to monitor A/C pressure. The Dash Integration Module (DIM) uses this information to command ON the engine cooling fans when the A/C pressure is high and to keep the compressor disengaged when the A/C pressure is excessively high.

The PCM supplies a 5 volt reference and a sensor ground. Changes in the A/C pressure will cause the A/C pressure signal input to the PCM to vary. The PCM monitors the A/C refrigerant pressure circuit and can determine when the signal is out of range of the sensor. When the signal is out of range for a period of time the PCM will set a DTC. The HCM will set DTC B1324. When the A/C pressure is high, above 2969  kPa (430 psi) the A/C compressor clutch will not engage.

Conditions for Setting the DTC

    • The engine is running.
    • A/C is requested.
    • The A/C pressure is greater then 2969 kPa (430 psi).

Action Taken When the DTC Sets

The A/C compressor clutch will not engage.

Conditions for Clearing the DTC

    • Using a Scan Tool
    • A history DTC will clear after 50 fault free ignition cycles.
    • The battery voltage for the HMC is interrupted.
    • A/C pressure drops below 1386 kPa (201 psi).

Diagnostic Aids

Check the following conditions:

    • A malfunction within the refrigerant system causing high pressure.
    • Poor connection at the PCM.
    • Damaged harness. Inspect the wiring harness for damage.
    • If the harness appears to be OK, observe the A/C pressure display on the scan tool while moving connectors and wiring harnesses related to the A/C pressure sensor. A change in the A/C pressure display will indicate the location of the malfunction.

Test Description

The numbers below refer to the step numbers on the diagnostic table.

  1. Perform the Body Control Module (BCM) diagnostic system check before continuing with the diagnosis of this DTC.

  2. Determines if the Scan Tool pressure reading is accurate.

  3. Determines if the sensor is operating.

  4. Clears all of the DTCs after the repair procedures are complete.

Step

Action

Value(s)

Yes

No

1

Was the BCM diagnostic system check performed?

--

Go to Step 2

Go to Diagnostic System Check - Body Control System

2

  1. Install the Scan Tool .
  2. Start the engine.
  3. Turn the A/C OFF.
  4. Select HCM data.
  5. View the A/C pressure status.
  6. Turn the A/C ON.

Is the A/C pressure status high?

--

Go to Step 3

Go to Intermittents and Poor Connections

3

  1. View the A/C pressure.
  2. Install the J 39183-C .

Are the pressures displayed on the Scan Tool and the pressures displayed on the guages within 69 kPa (10psi) of each other?

--

Go to Cooling Insufficient - Air Conditioning (A/C) Inoperative

Go to Step 4

4

  1. View the A/C pressure status on the Scan Tool .
  2. Disconnect the A/C refrigerant pressure sensor.

Does the pressure status change?

--

Go to Step 5

Go to Step 6

5

  1. Ensure that there is proper terminal contact at the A/C refrigerant pressure sensor. Refer to Intermittents and Poor Connections Diagnosis in Wiring Systems.
  2. If the terminal contact is OK, replace the A/C refrigerant pressure sensor. Refer to Air Conditioning (A/C) Refrigerant Pressure Sensor Replacement .

Is the repair complete?

--

Go to Step 7

--

6

  1. Ensure that there is proper terminal contact at the HCM. Refer to Intermittents and Poor Connections Diagnosis in Wiring Systems.
  2. If the terminal contact is OK, replace the HCM. Refer to Programmer Replacement .

Is the repair complete?

--

Go to Step 7

--

7

  1. Using the Scan Tool clear all of the DTCs.
  2. Confirm the proper operation of the A/C system.

Is the A/C system operating correctly?

--

Go to Diagnostic System Check - Body Control System

--