GM Service Manual Online
For 1990-2009 cars only

Refer to

Cell 133: PASS-Key® III


Object Number: 332341  Size: FS
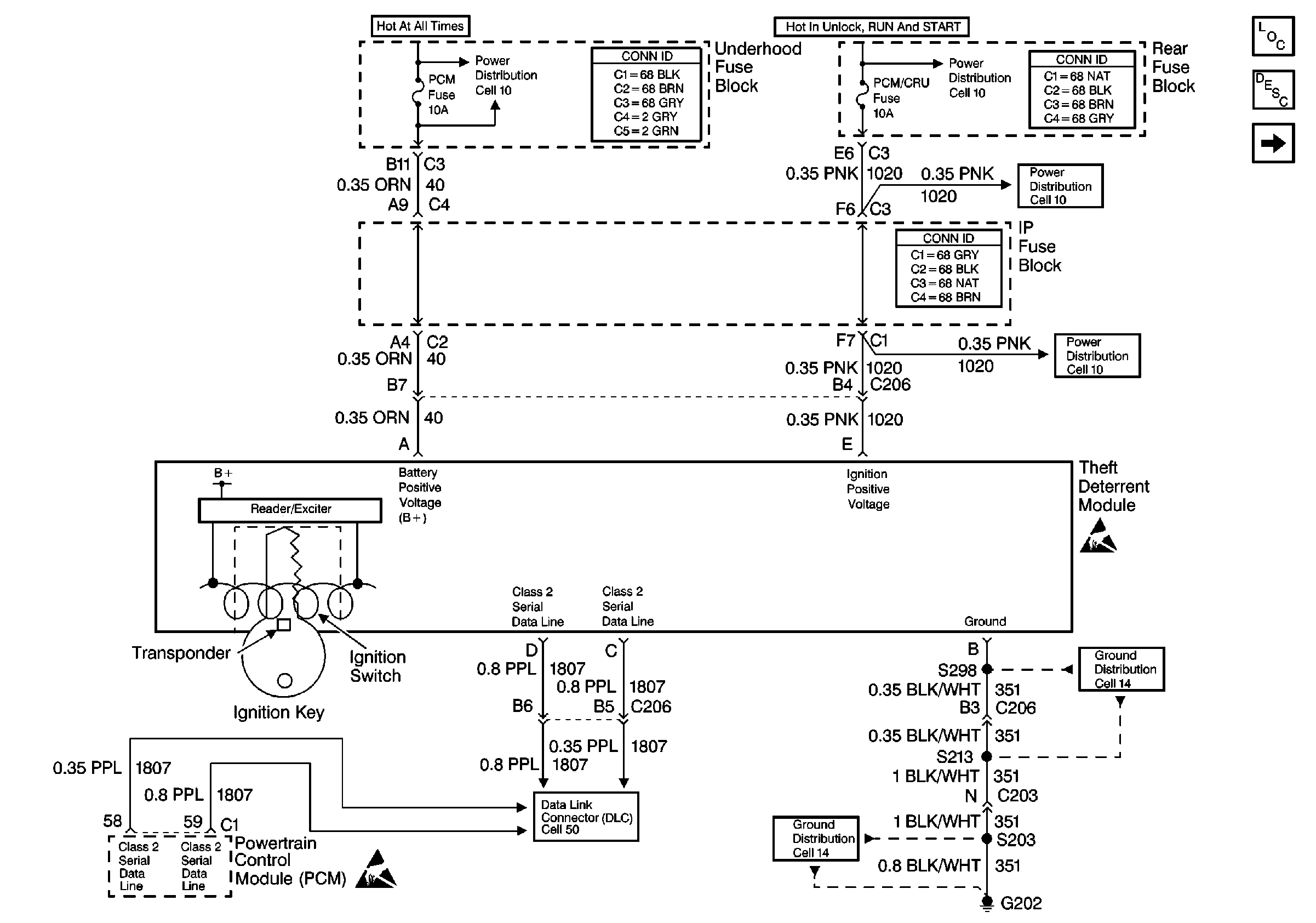
Theft Deterrent System Components
Vehicle Theft Deterrent (VTD) Description
Cell 133: Content Theft Deterrent
Cell 10: Horn and PCM Fuses
Cell 10: IGN, RUN/CRK, RUN, SBM, and PDM/CRU Fuses
Cell 10: IGN, RUN/CRK, RUN, SBM, and PDM/CRU Fuses
Cell 10: IGN, RUN/CRK, RUN, SBM, and PDM/CRU Fuses
Handling ESD Sensitive Parts Notice
Handling ESD Sensitive Parts Notice
Cell 50: Class 2 Serial Data Line
Cell 14: G202 (CKT 351 1 of 2)
Cell 14: G202 (CKT 351 2 of 2)

Circuit Description

Battery positive voltage (B+) is supplied to the theft Deterrent (VTD) Module at connector terminal A, CKT 40 (ORN). The VTD module monitors this voltage to determine if it is within a valid operating range.

Conditions for Setting the DTC

The battery positive voltage (B+) level falls below 9 volts for approximately 1.2 seconds or more.

Action Taken When the DTC Sets

    • Stores a DTC B1327 in the VTD module memory.
    • The VTD module will not respond to any manual or memory inputs when the voltage is less than 9 volts
    • No driver warning message will be displayed for this DTC.
    • No other VTD module DTCs will not set while DTC B1327 is current.

Conditions for Clearing the DTC

    • The battery positive voltage (B+) level rises above 9.5 volts for approximately 1.2 seconds.
    • The history DTC will clear after 50 ignition cycles.
    • Use a scan tool in order to clear a history DTC.

Diagnostic Aids

The VTD module will not check for low battery positive voltage (B+) during and for 2 seconds following the engine CRANK mode, this insures that DTC B1327 will not erroneously set.

Test Description

The numbers below refer to the step numbers on the diagnostic table:

  1. Perform the Theft Deterrent Diagnostic System Check before continuing with the diagnosis of this DTC.

  2. Checks that DTC was not set erroneously.

  3. Determines whether the malfunction is in the charging system or the VTD module.

  4. Clear all DTCs after the repair procedure is complete.

DTC B1327 -- Source Battery Voltage Low

Step

Action

Value(s)

Yes

No

1

Was the Theft Deterrent Diagnostic System Check performed?

--

Go to Step 2

Go to Diagnostic System Check - Theft Deterrent

2

  1. Turn ON the ignition.
  2. Connect a scan tool to the Data Link Connector (DLC).
  3. Select DATA from the VTD DATA LIST.

Is the voltage within the specified range?

10-15 V

Go to Step 4

Go to Step 3

3

  1. Turn OFF the ignition.
  2. Disconnect the VTD module connector.
  3. Measure the voltage between the connector terminal A, CKT 40 (ORN) and ground.

Is the voltage within the specified range?

10-15 V

Go to Step 4

Go to Charging System Check in Engine Electrical

4

Replace the VTD Module. Refer to Theft Deterrent Module Replacement .

Refer to Programming Theft Deterrent System Components .

Is the replacement complete?

--

Go to Step 5

--

5

  1. Turn OFF the ignition.
  2. Reconnect or install any connectors or components that were disconnected or removed.
  3. Turn ON the ignition.
  4. Clear any DTCs.

Are all DTCs cleared?

--

Go to Diagnostic System Check - Theft Deterrent

--