GM Service Manual Online
For 1990-2009 cars only
Makes
🢒
Buick
🢒
2000
🢒
Park Avenue
🢒
Engine
🢒
Engine Cooling
🢒 Engine Cooling Schematics
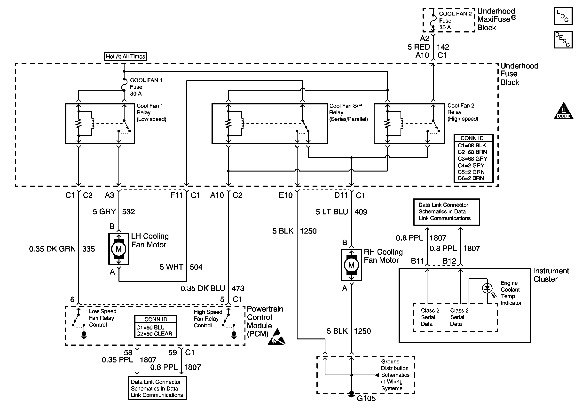
Engine Cooling Fan Motor Controls
Class 2 Serial Data Line
Class 2 Serial Data Line
G105
Cooling System Components
Engine Cooling Fan Description - Electric
OBDII Symbol Description Notice
Handling Electrostatic Discharge Sensitive Parts Notice