GM Service Manual Online
For 1990-2009 cars only
Figure 1:

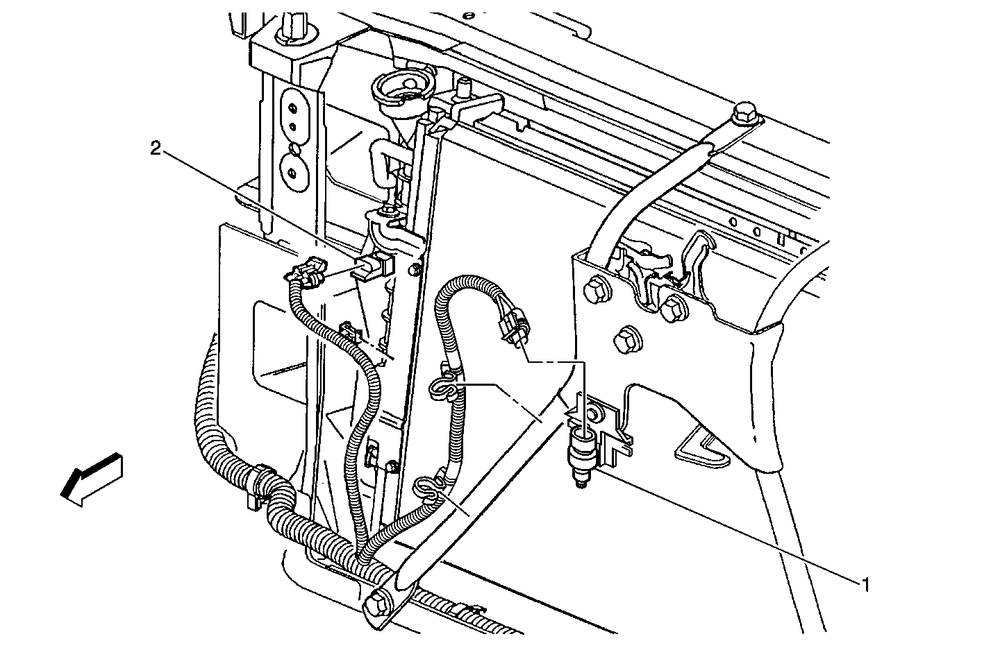
Center Rear of the Engine Compartment


Object Number: 317511  Size: MF
(1)Brake Fluid Reservoir
(2)Brake Fluid Level Switch
(3)Cruise Control Module
Figure 2:

Passenger Compartment, the Front of the IP


Object Number: 403049  Size: LF
(1)Headlamp Dimmer Switch
(2)Driver Information Switch
(3)Multi-function Lever
(4)Instrument Cluster
(5)Turn Signal/Hazard Switch
(6)Steering Wheel Control Switch
(7)Traction Control Switch
(8)Radio
(9)Passenger Temperature Control
(10)Right Heated Seat Switch
(11)Heater and A/C Control
(12)IP Cigar Lighter and Ashtray Lamp
(13)Left Heated Seat Switch
(14)Ignition Switch
(15)Horn Switch
(16)Steering Wheel Control Switch
(17)Rear Compartment Lid Release Switch
(18)Fuel Door Release Switch
Figure 3:

Center Front of the Vehicle


Object Number: 317456  Size: MF
(1)Ambient Air Temperature Sensor
(2)Coolant Level Switch
Figure 4:

Lower Front of the Engine


Object Number: 317559  Size: MF
(1)A C Pressure Sensor
(2)Bank 1 Knock Sensor
(3)Engine Oil Level Switch
(4)A/C Compressor Clutch
Figure 5:

VIN K Front


Object Number: 193776  Size: LF
(1)MAF Sensor
(2)IAC Valve
(3)TP Sensor
(4)Fuel Pressure Test Connector
(5)ECT Sensor
(6)Fuel Injector
(7)EVAP Canister Purge Valve
(8)Oil Level Switch/Sensor
(9)18X Crankshaft Sensor
(10)Camshaft Sensor (Behind Water Pump Pulley)
(11)Ignition Control Module and Coils
(12)PCV Valve (Under MAP Sensor)
(13)MAP Sensor
(14)Fuel Injector Harness Connector
(15)Fuel Pressure Regulator
Figure 6:

Engine, Top Rear


Object Number: 219819  Size: LF
(1)EVAP Purge Valve
(2)Generator
(3)EVAP Vacuum Switch
(4)MAP Sensor
(5)S115
(6)EGR Valve
(7)PCV Valve
Figure 7:

In the Headliner, Near the Windshield


Object Number: 403062  Size: LF
(1)Right Front Vanity Mirror
(2)Overhead Console Assembly
(3)Left Front Courtesy/Reading Lamp
(4)Right Front Reading Lamp Switch
(5)Left Front Reading Lamp Switch
(6)Sunroof Switch
(7)Garage Door Opener
(8)HUD Switch
(9)HUD Dimmer Switch
(10)Left Front Vanity Mirror
Figure 8:

Passenger Compartment, Beneath the Left Side of the IP


Object Number: 404008  Size: LF
(1)Park Brake Switch
(2)Park Brake
Figure 9:

Engine Compartment, Near the Left Strut Tower


Object Number: 317504  Size: LF
(1)G104
(2)C113
(3)C115
(4)C102
(5)S100
(6)P100
(7)Windshield Washer Pump Motor
(8)Windshield Washer Solvent Level Switch