GM Service Manual Online
For 1990-2009 cars only
Makes
🢒
Buick
🢒
2000
🢒
Park Avenue
🢒
Body and Accessories
🢒
Wipers/Washer Systems
🢒 Wiper/Washer System (Pulse) Schematics
Figure
1:
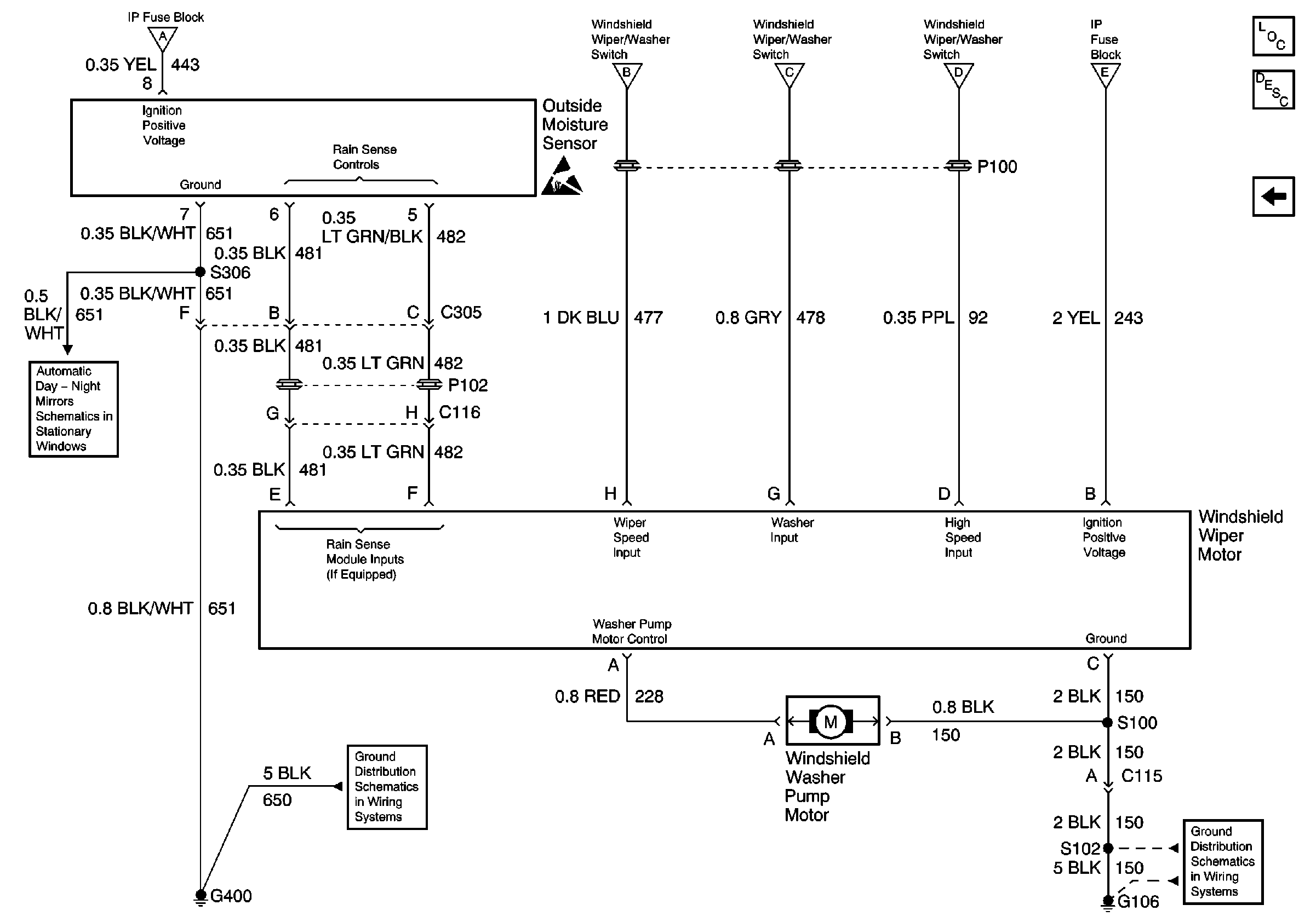
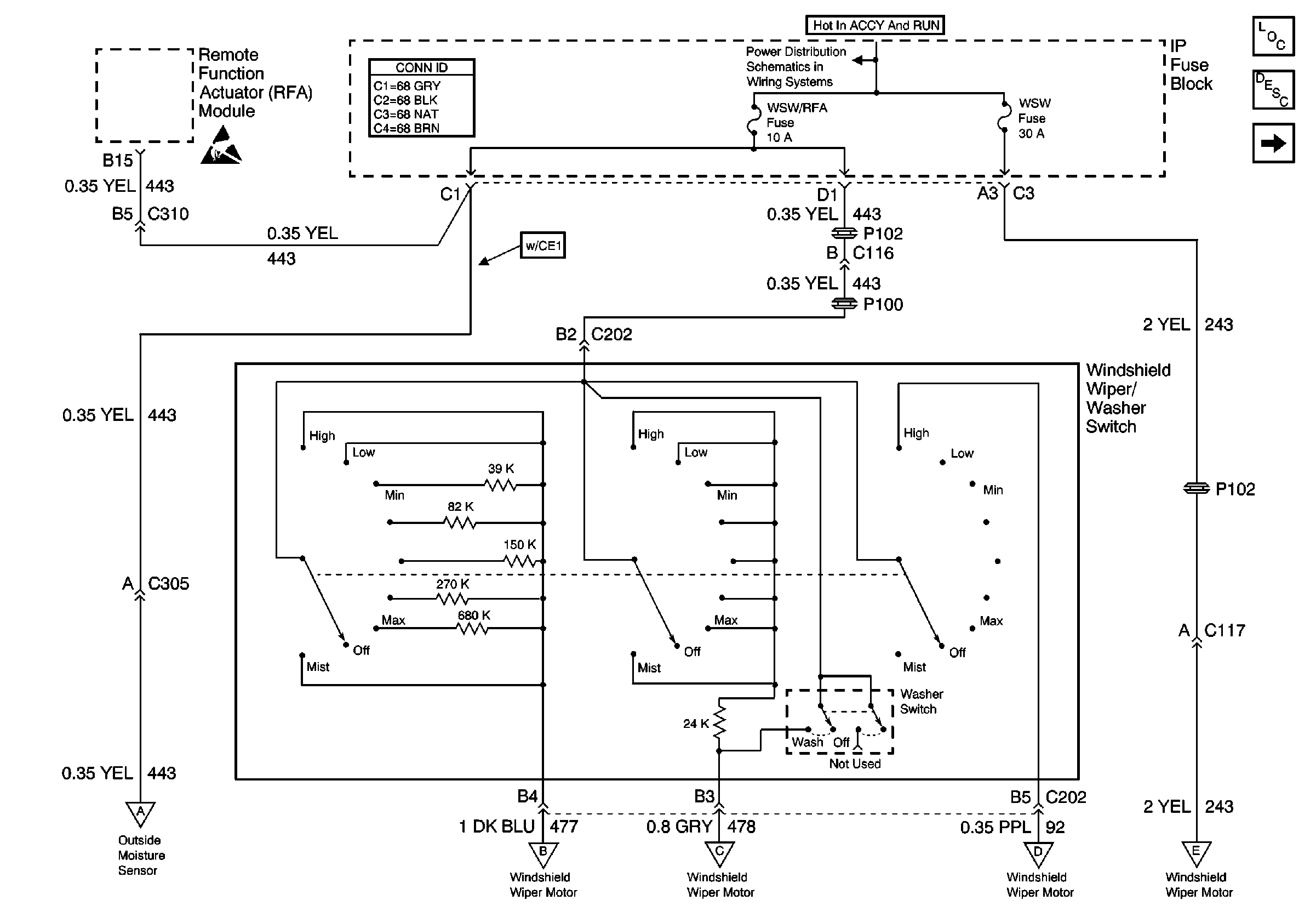
Windshield Wiper/Washer Switch
Wiper/Washer System Components
Wiper/Washer System Description
Windshield Wiper Motor
Handling ESD Sensitive Parts Notice
IP Fuse Block, RFA/RAIN SENSOR and WIPER Fuses
Windshield Wiper Motor
Windshield Wiper Motor
Windshield Wiper Motor
Windshield Wiper Motor
Windshield Wiper Motor
Figure
2:
Windshield Wiper Motor
Wiper/Washer System Components
Wiper/Washer System Description
Windshield Wiper/Washer Switch
Windshield Wiper/Washer Switch
Windshield Wiper/Washer Switch
Windshield Wiper/Washer Switch
Windshield Wiper/Washer Switch
Windshield Wiper/Washer Switch
Inside Rear View Mirror
G400, 1 of 2
Handling ESD Sensitive Parts Notice
G104 and G106