GM Service Manual Online
For 1990-2009 cars only
Makes
🢒
Buick
🢒
2000
🢒
Park Avenue
🢒
Body and Accessories
🢒
Stationary Windows
🢒 Automatic Day-Night Mirrors Schematics
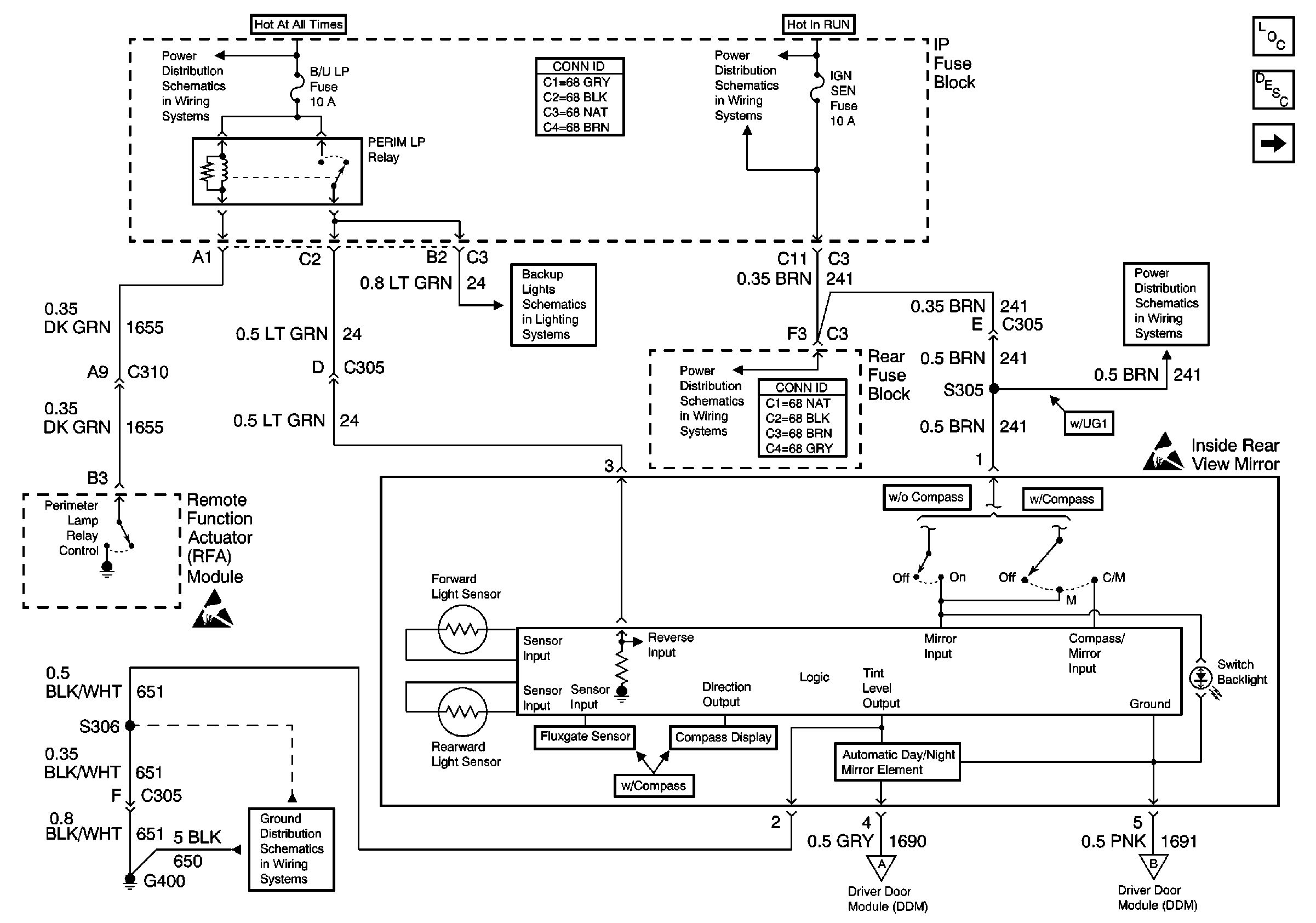
Figure
1:
Inside Rear View Mirror
Stationary Windows Components
Automatic Day-Night Mirror Description
Driver Door Module
Underhood Fuse Block, PCM, ABS, HAZARD, FUEL PUMP, PARKLMP Fuses And Fuel Pump Relay
Underhood Fuse Block, PCM, ABS, HAZARD, FUEL PUMP, PARKLMP Fuses And Fuel Pump Relay
Underhood Fuse Block, PCM, ABS, HAZARD, FUEL PUMP, PARKLMP Fuses And Fuel Pump Relay
IP Fuse Block, IGN-3 Fuse/Rear Fuse Block, Rear Defogger Relay
Handling ESD Sensitive Parts Notice
Handling ESD Sensitive Parts Notice
G400, 1 of 2
Underhood Fuse Block, RUN Fuse/IP Fuse Block, RUN Fuse, IGN-3 and Run/Accessory Relays
Underhood Maxi-Fuse Block, AIR PUMP, HI FAN, AUX PWR, and REARDEFOG Fuses
Underhood Maxi-Fuse Block, AIR PUMP, HI FAN, AUX PWR, and REARDEFOG Fuses
Power and Grounding Connector End Views
Power and Grounding Connector End Views
Figure
2:
Driver Door Module
Stationary Windows Components
Automatic Day-Night Mirror Description
Inside Rear View Mirror