GM Service Manual Online
For 1990-2009 cars only
Makes
🢒
Buick
🢒
2000
🢒
Park Avenue
🢒
Body and Accessories
🢒
Seats
🢒 Heated Seats Schematics
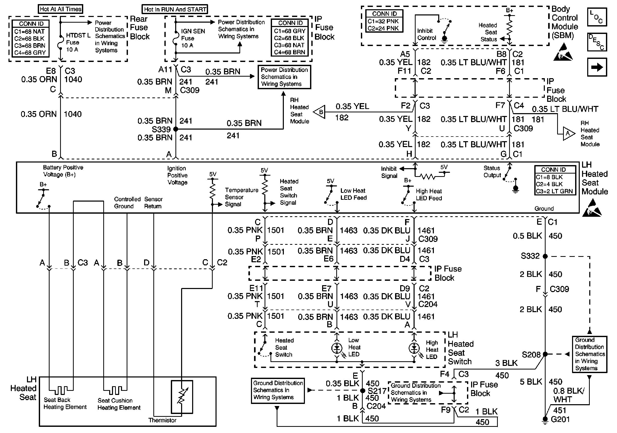
Figure
1:
Heated Seats Schematics: LH Heated Seat
Power Seat Component Views
Heated Seats Circuit Description
Heated Seats Schematics: RH Heated Seat
Handling ESD Sensitive Parts Notice
Handling ESD Sensitive Parts Notice
Power Distribution Schematics
Power Distribution Schematics
Power Distribution Schematics
Heated Seats Schematics: RH Heated Seat
Heated Seats Schematics: RH Heated Seat
Ground Distribution Schematics
Ground Distribution Schematics
Ground Distribution Schematics
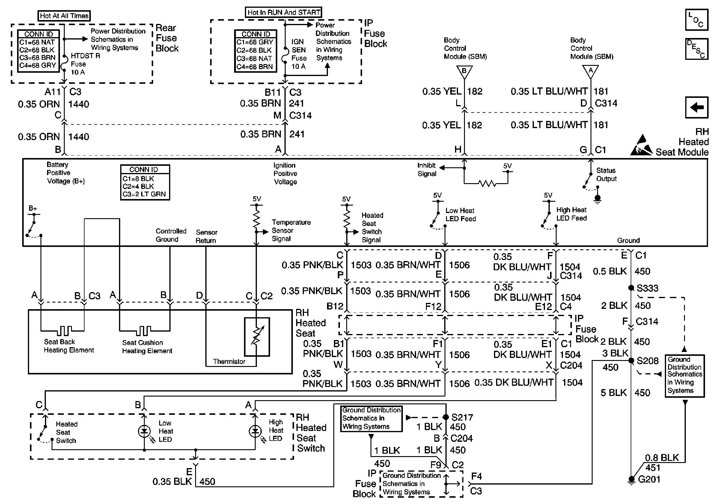
Figure
2:
Heated Seats Schematics: RH Heated Seat
Power Seat Component Views
Heated Seats Circuit Description
Heated Seats Schematics: LH Heated Seat
Handling ESD Sensitive Parts Notice
Power Distribution Schematics
Power Distribution Schematics
Heated Seats Schematics: LH Heated Seat
Heated Seats Schematics: LH Heated Seat
Ground Distribution Schematics
Ground Distribution Schematics
Ground Distribution Schematics